Curiosii for ever!
: Car repair manuals for everyone.
Home
>>
Mitsubishi
>>
2006
>>
Eclipse L4-2.4L (4G69)
>>
Repair and Diagnosis
>>
Diagrams
>>
Exploded Views
>>
Automatic Transmission/Transaxle
>>
Valve Body
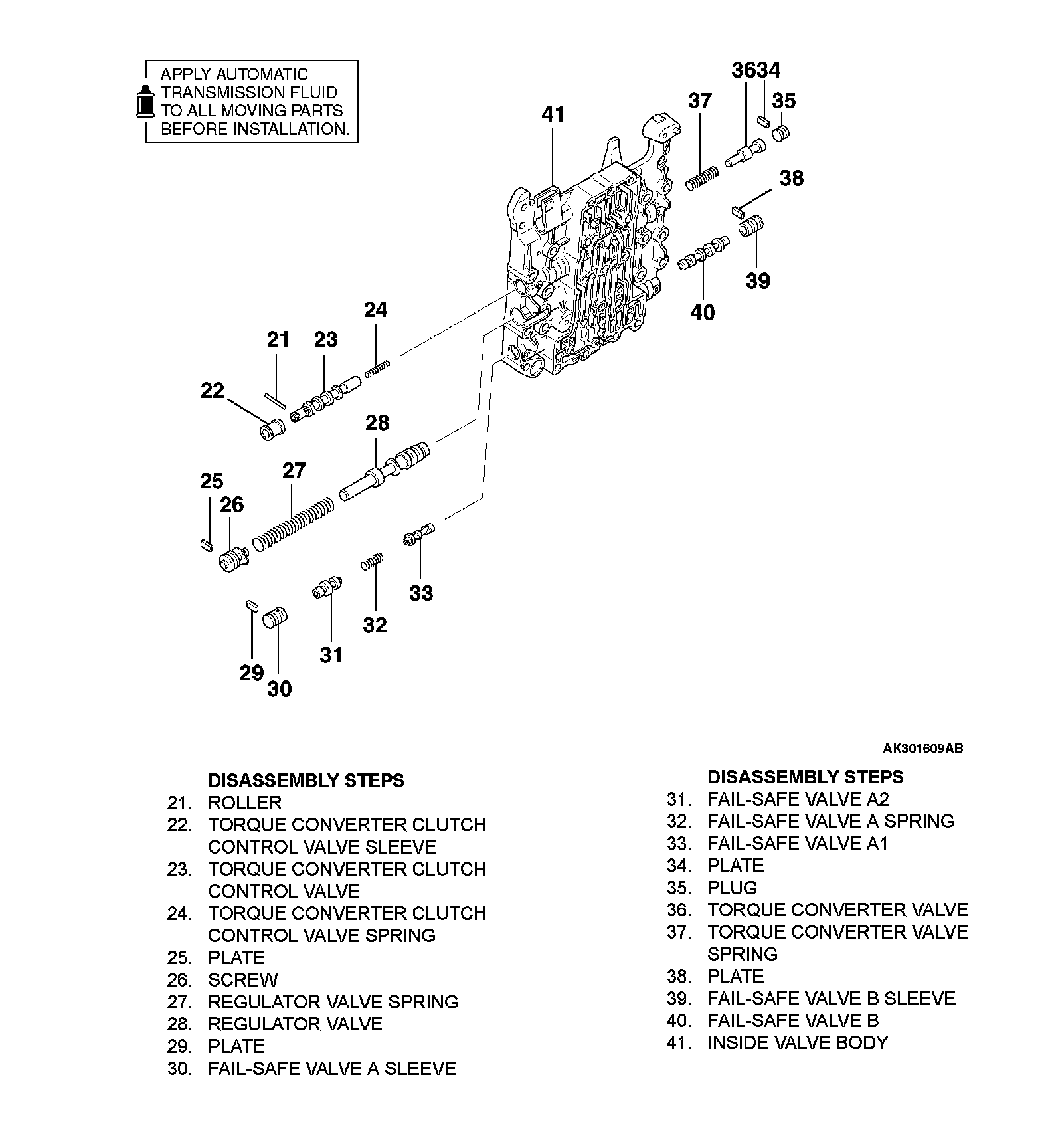
Valve Body
Disassembly Steps 1-20:
Disassembly Steps 21-41:
Disassembly 42-61: