Curiosii for ever!
: Car repair manuals for everyone.
Home
>>
Mitsubishi
>>
2006
>>
Eclipse L4-2.4L (4G69)
>>
Repair and Diagnosis
>>
Diagrams
>>
Exploded Views
>>
Automatic Transmission/Transaxle
>>
Transaxle
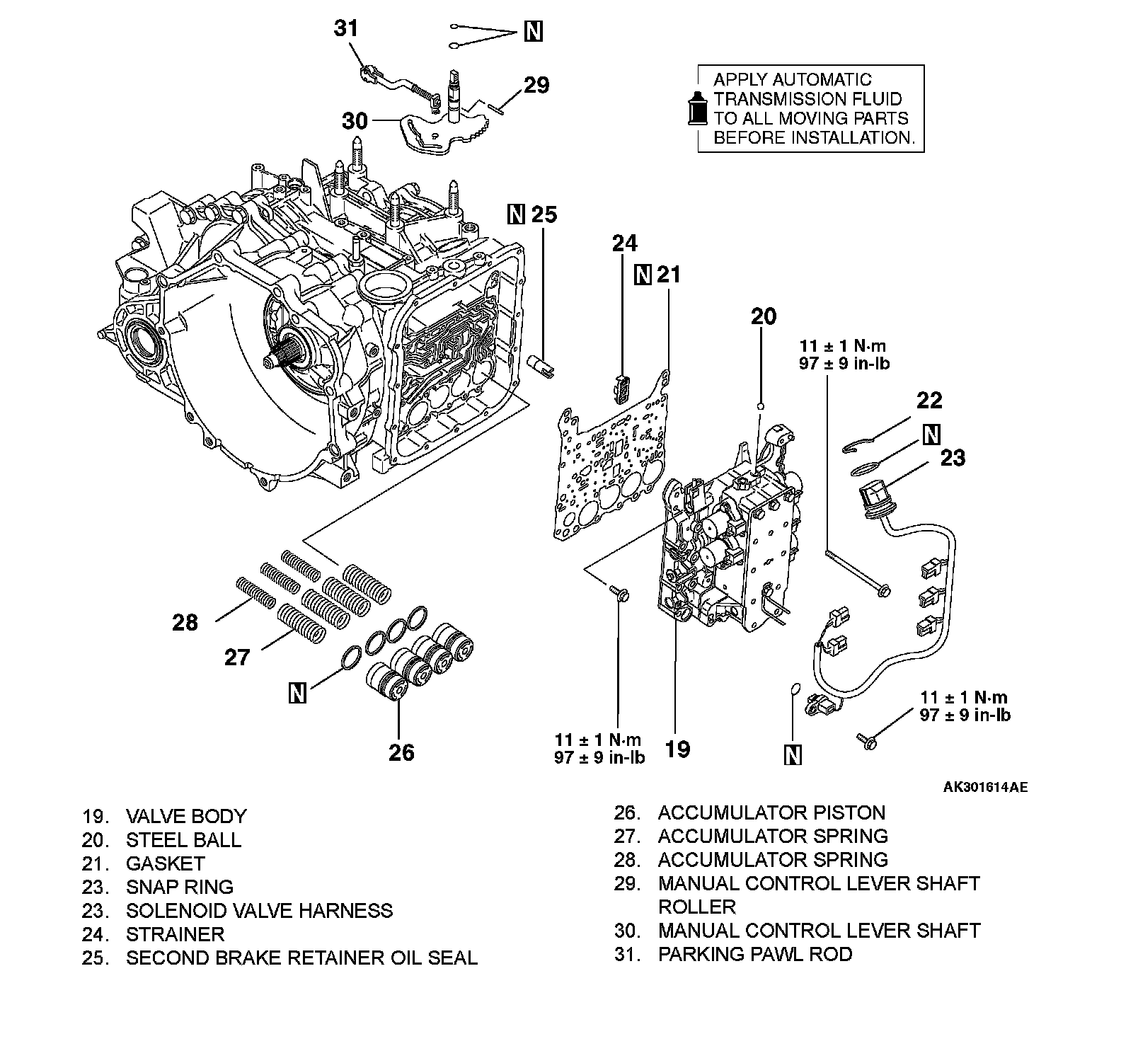
Transaxle
Required Special Tools: