Curiosii for ever!: Car repair manuals for everyone.

Forgotten Key Prevention Function

Forgotten Key Prevention Function Part 1:




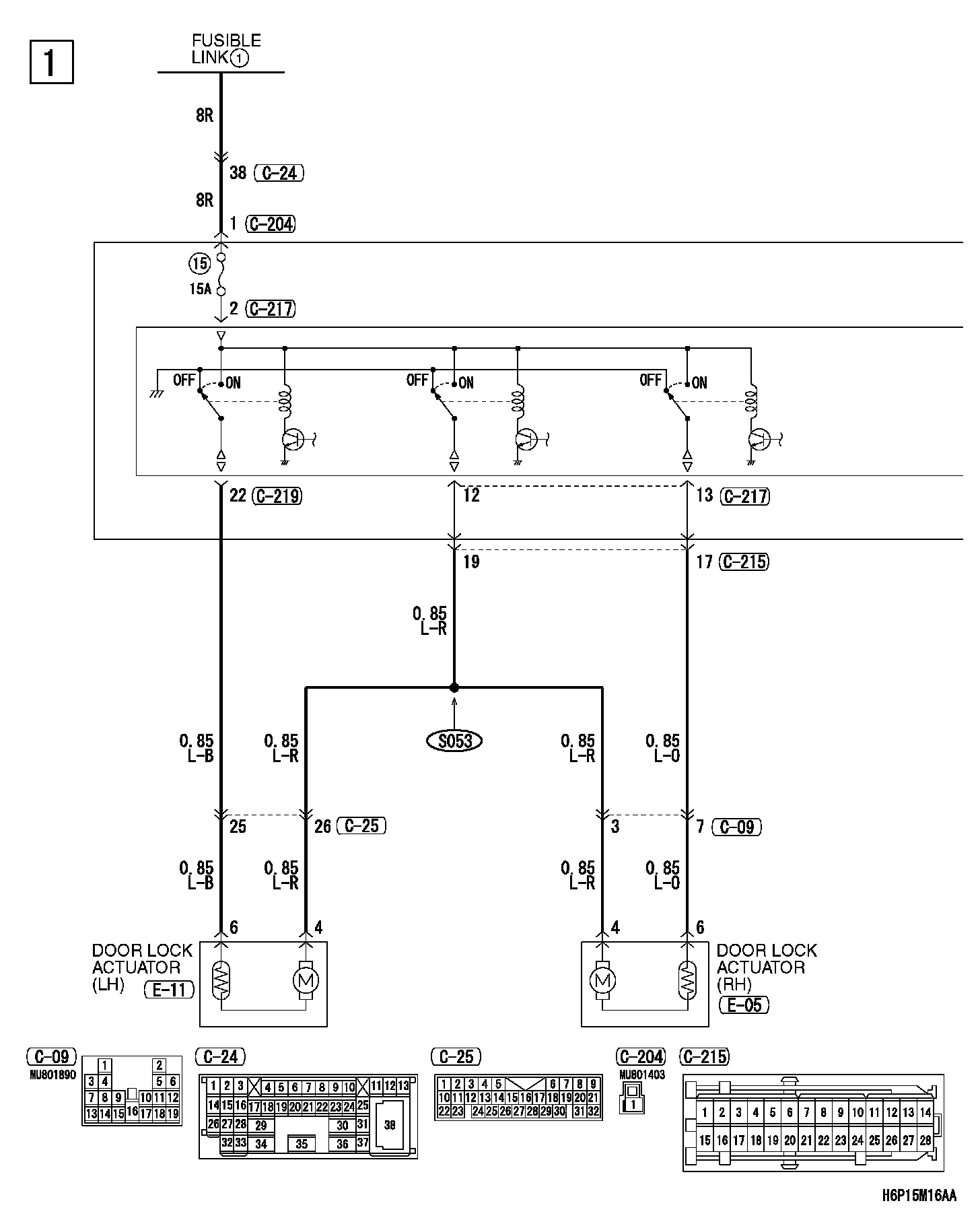
Forgotten Key Prevention Function Part 2:




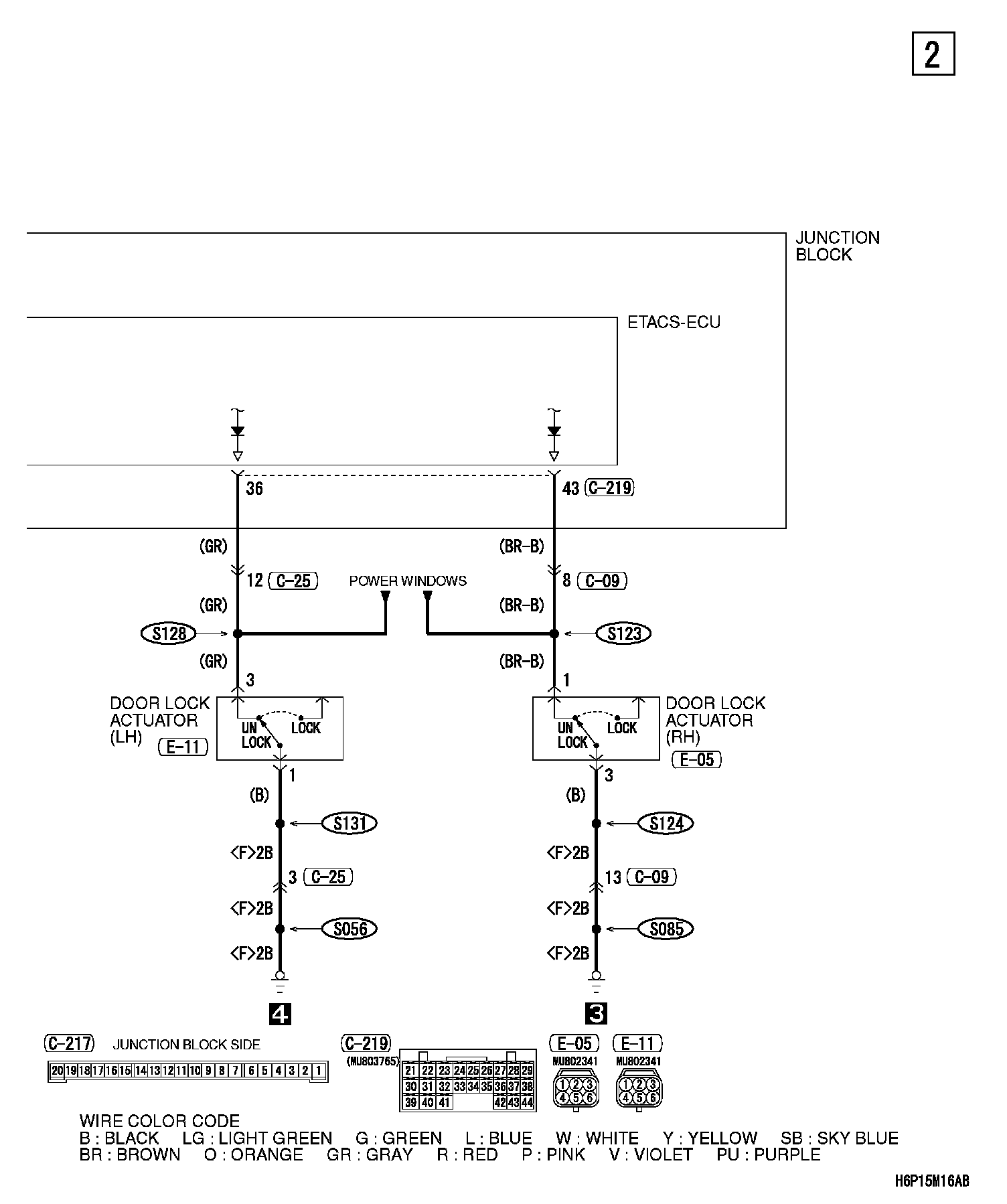
Forgotten Key Prevention Function Part 3:




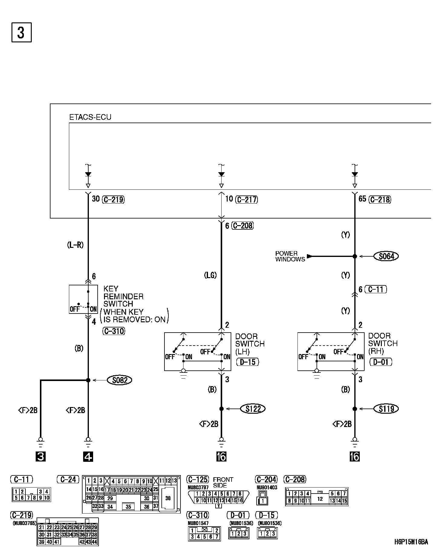
Forgotten Key Prevention Function Part 4:






Connector/Component Locations: The locations of connectors and components referred to within these diagrams can be found via the connector number at Vehicle Connector Locations. Connector Locations

Splice Locations: The locations of Splices referred to within these diagrams can be found via the splice number at Vehicle Splice Locations. Splice Locations

Ground Locations: The locations of grounds referred to within these diagrams can be found via the ground number at Vehicle Ground Locations. Ground Locations