Curiosii for ever!: Car repair manuals for everyone.

Inspection Procedure 33

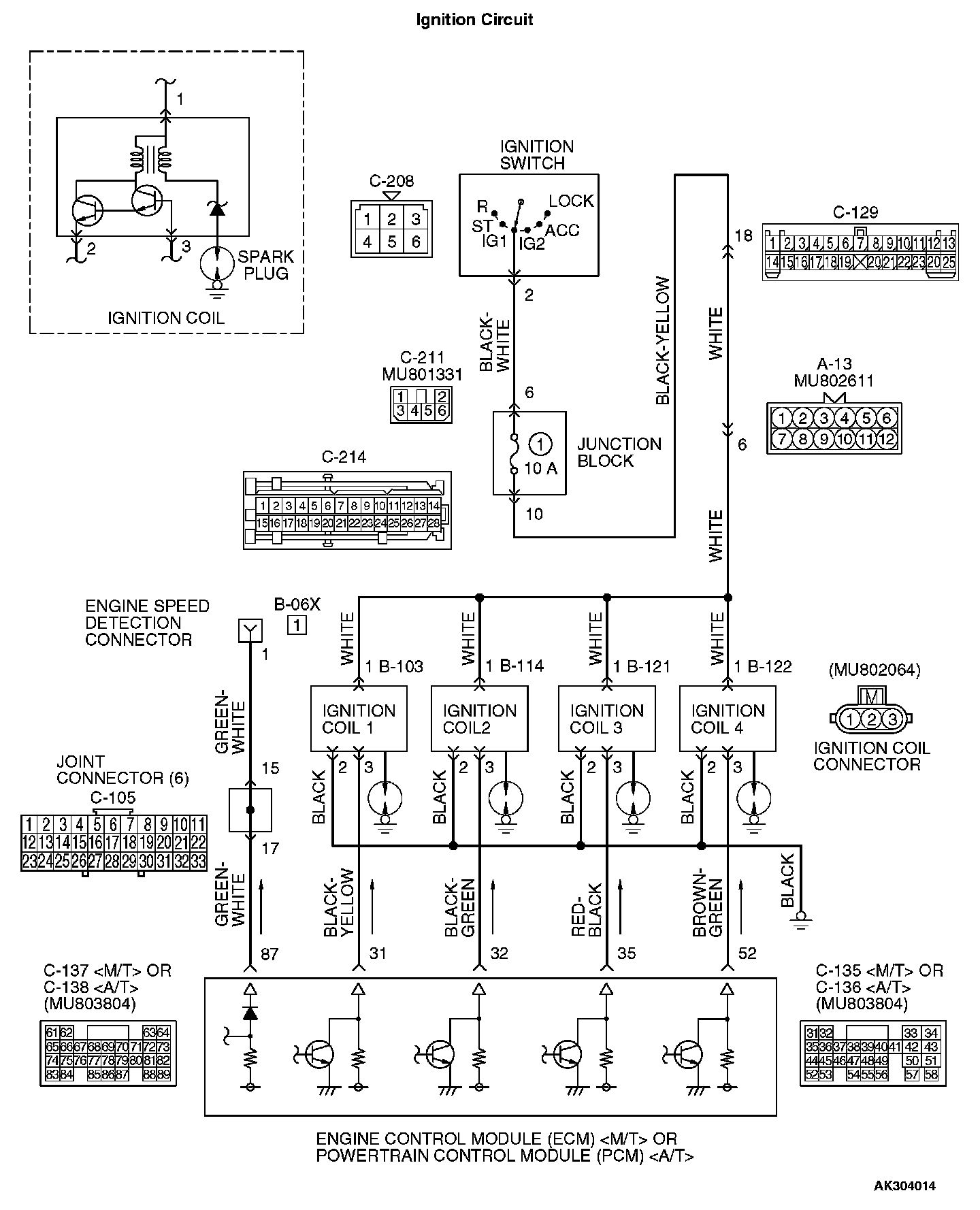
Ignition Circuit System

Ignition Circuit Part 1:




Ignition Circuit Part 2:






CIRCUIT OPERATION
- The ignition coil is energized by battery positive voltage from the ignition switch.
- When the ECM or PCM turns off its internal power transistor, battery positive voltage is applied to the ignition power transistor (terminal No.3) inside the ignition coil, causing the ignition power transistor to be turned on.
- If the ignition power transistor is turned on, the primary circuit of the ignition coil is energized by grounding the ignition coil through terminal No.2, causing the primary current to flow to the ignition coil.

TROUBLESHOOTING HINTS (The most likely causes for this case:)
- Malfunction of the ignition coil.
- Malfunction of the ignition power transistor.
- Improper connector contact, open circuit or short-circuited harness wire.
- ECM failed.
- PCM failed.

DIAGNOSIS

STEP 1. Check the
ignition coil.

Refer to Ignition System - On-vehicle service - Ignition Coil Check.

Q: Are there any abnormalities?

YES: Replace the ignition coil. Then confirm that the malfunction symptom is eliminated.

NO: Go to Step 2.




STEP 2. Check harness connector B-103, B-114, B-121 and B-122 at ignition coil for damage.

Q: Is the harness connector in good condition?

YES: Go to Step 3.

NO: Repair or replace it. Refer to Harness Connector Inspection. Then confirm that the malfunction symptom is eliminated.

STEP 3. Measure the power supply voltage at ignition coil connectors B-103, B-114, B-121 and B-122.




1. Disconnect the connector B-103, B-114, B-121 and B-122 and measure at the harness side.
2. Turn the ignition switch to the "ON" position.




3. Measure the voltage between terminal No.1 and ground.
- Voltage should be battery positive voltage.

4. Turn the ignition switch to the "LOCK" (OFF) position.

Q: Is battery positive voltage (approximately 12 volts) present?

YES: Go to Step 4.

NO: Check the connectors A-13, C-129, C-211 and C-214 at intermediate connectors for damage and repair or replace as required. Refer to Harness Connector Inspection. If intermediate connector are in good condition, repair harness wire between ignition switch connector C-208 (terminal No.2) and ignition coil connector B-103, B-114, B-121, B-122 (terminal No.1) because of open circuit. Then confirm that the malfunction symptom is eliminated.

STEP 4. Check the circuit at ignition coil harness side connector B-103, B-114, B-121 and B-122.




1. Disconnect the connectors B-103, B-114, B-121 and B-122 and measure at the harness side.
2. Crank the engine.




3. Measure the voltage between terminal No.3 and ground.
- Voltage should be 0.3 and 3.0 volts.

4. Turn the ignition switch to the "LOCK" (OFF) position.

Q: Is the measured voltage between 0.3 and 3.0 volts?

YES: Go to Step 7.

NO: Go to Step 5.




STEP 5. Check harness connector C-135 at ECM or C-136 at PCM for damage.

Q: Is the harness connector in good condition?

YES: Go to Step 6.

NO: Repair or replace it. Refer to Harness Connector Inspection. Then confirm that the malfunction symptom is eliminated.

STEP 6. Check for open circuit and short circuit to ground between
ignition coil connector and ECM or PCM connector.







a. Check the harness wire between
ignition coil connector B-103 (terminal No.3) and ECM connector C-135 or PCM connector C-136 (terminal No.31) at ignition coil 1.
b. Check the harness wire between
ignition coil connector B-114 (terminal No.3) and ECM connector C-135 or PCM connector C-136 (terminal No.32) at ignition coil 2.
c. Check the harness wire between
ignition coil connector B-121 (terminal No. 3) and ECM connector C-135 or PCM connector C-136 (terminal No.35) at ignition coil 3.
d. Check the harness wire between
ignition coil connector B-122 (terminal No.3) and ECM connector C-135 or PCM connector C-136 (terminal No.52) at ignition coil 4.

Q: Is the harness wire in good condition?

YES: Replace the ECM or PCM. Then confirm that the malfunction symptom is eliminated.

NO: Repair it. Then confirm that the malfunction symptom is eliminated.

STEP 7. Check for harness damage between
ignition coil connector and ECM or PCM connector.







a. Check the harness wire between
ignition coil connector B-103 (terminal No.3) and ECM connector C-135 or PCM connector C-136 (terminal No.31) at ignition coil 1.
b. Check the harness wire between
ignition coil connector B-114 (terminal No.3) and ECM connector C-135 or PCM connector C-136 (terminal No.32) at ignition coil 2.
c. Check the harness wire between
ignition coil connector B-121 (terminal No.3) and ECM connector C-135 or PCM connector C-136 (terminal No.35) at ignition coil 3.
d. Check the harness wire between
ignition coil connector B-122 (terminal No.3) and ECM connector C-135 or PCM connector C-136 (terminal No.52) at ignition coil 4.

Q: Is the harness wire in good condition?

YES: Go to Step 8.

NO: Repair it. Then confirm that the malfunction symptom is eliminated.

STEP 8. Check the continuity at
ignition coil harness side connectors B-103, B-114, B-121 and B-122.




1. Disconnect the connectors B-103, B-114, B-121 and B-122 and measure at the harness side.




2. Check for continuity between terminal No.2 and ground.
- Should be less than 2 ohms.

Q: Does continuity exist?

YES: Go to Step 9.

NO: Repair harness wire between ignition coil connectors B-103, B-114, B-121 and B-122 (terminal No.2) and ground because of open circuit or harness damage.Then confirm that the malfunction symptom is eliminated.







STEP 9. Check harness connector B-06X at engine speed detection and harness connector C-137 at ECM or C-138 at PCM for damage.

Q: Is the harness connector in good condition?

YES: Go to Step 10.

NO: Repair or replace it. Refer to Harness Connector Inspection. Then confirm that the malfunction symptom is eliminated.







STEP 10. Check for open circuit and short circuit to ground and harness damage between engine speed detection connector B-06X (terminal No.1) and ECM connector C-137 or PCM connector C-138
(terminal No.87)

Q: Is the harness wire in good condition?

YES: Replace the ECM or PCM. Then confirm that the malfunction symptom is eliminated.

NO: Repair it. Then confirm that the malfunction symptom is eliminated.