Curiosii for ever!: Car repair manuals for everyone.

Vehicles With Keyless Entry System

Central Door Locking System (Vehicles With Keyless Entry System) Part 1:




Central Door Locking System (Vehicles With Keyless Entry System) Part 2:




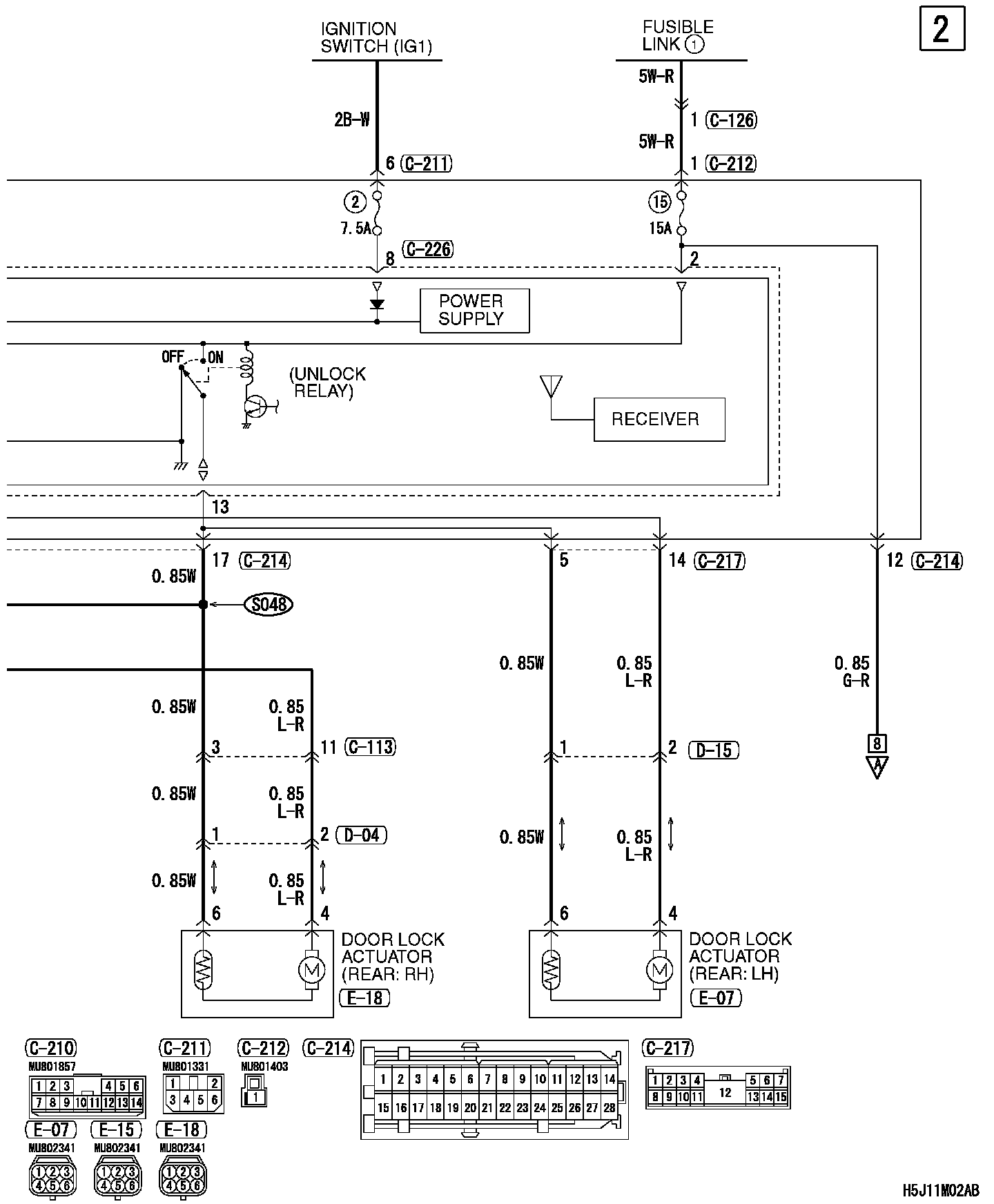
Central Door Locking System (Vehicles With Keyless Entry System) Part 3:




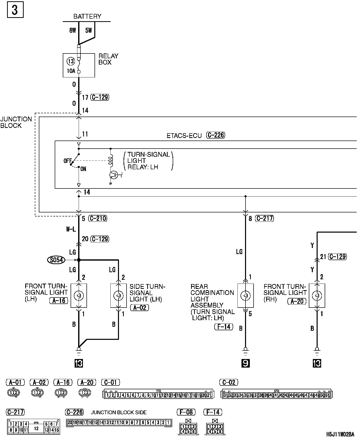
Central Door Locking System (Vehicles With Keyless Entry System) Part 4:




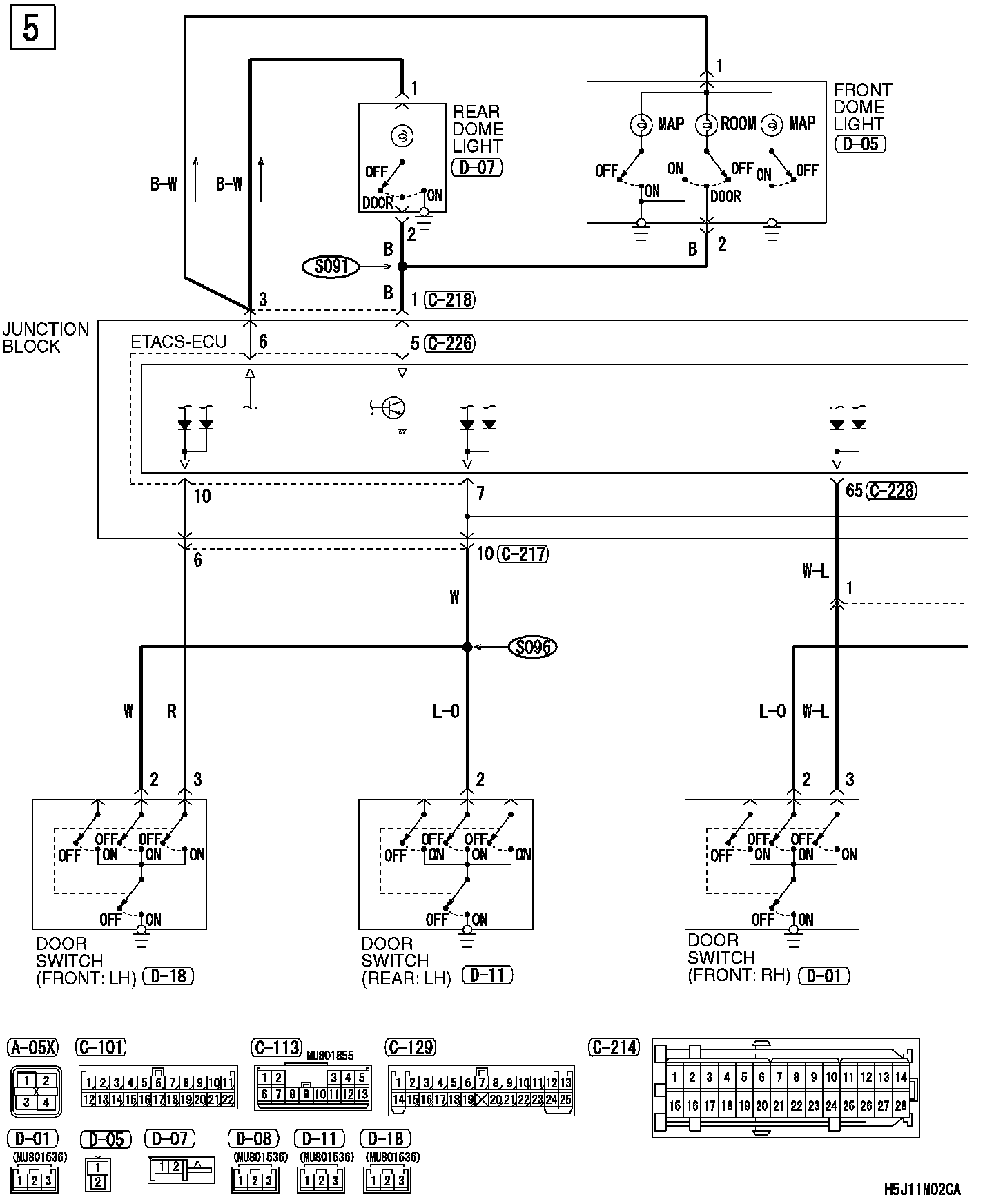
Central Door Locking System (Vehicles With Keyless Entry System) Part 5:




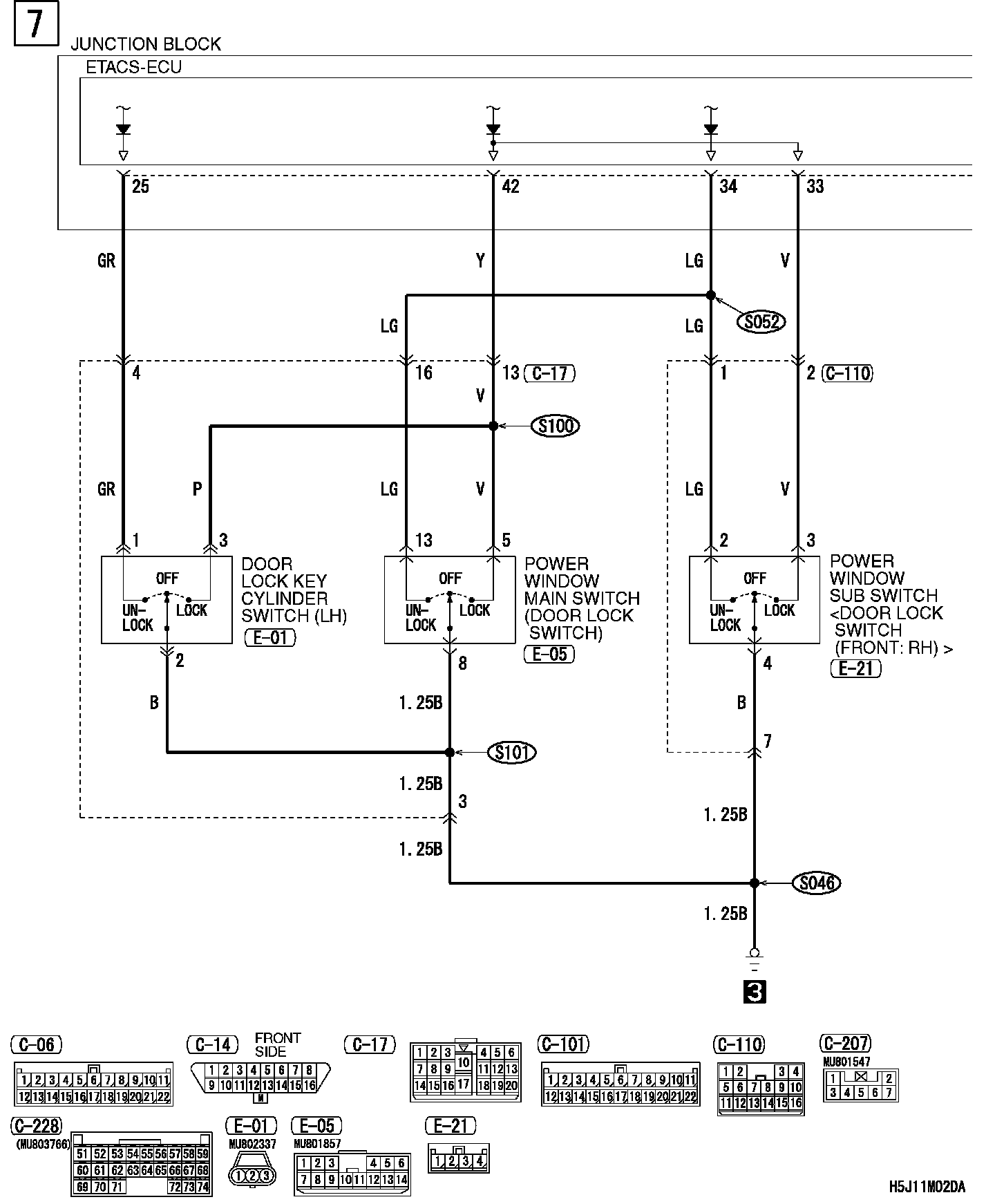
Central Door Locking System (Vehicles With Keyless Entry System) Part 6:




Central Door Locking System (Vehicles With Keyless Entry System) Part 7:




Central Door Locking System (Vehicles With Keyless Entry System) Part 8:






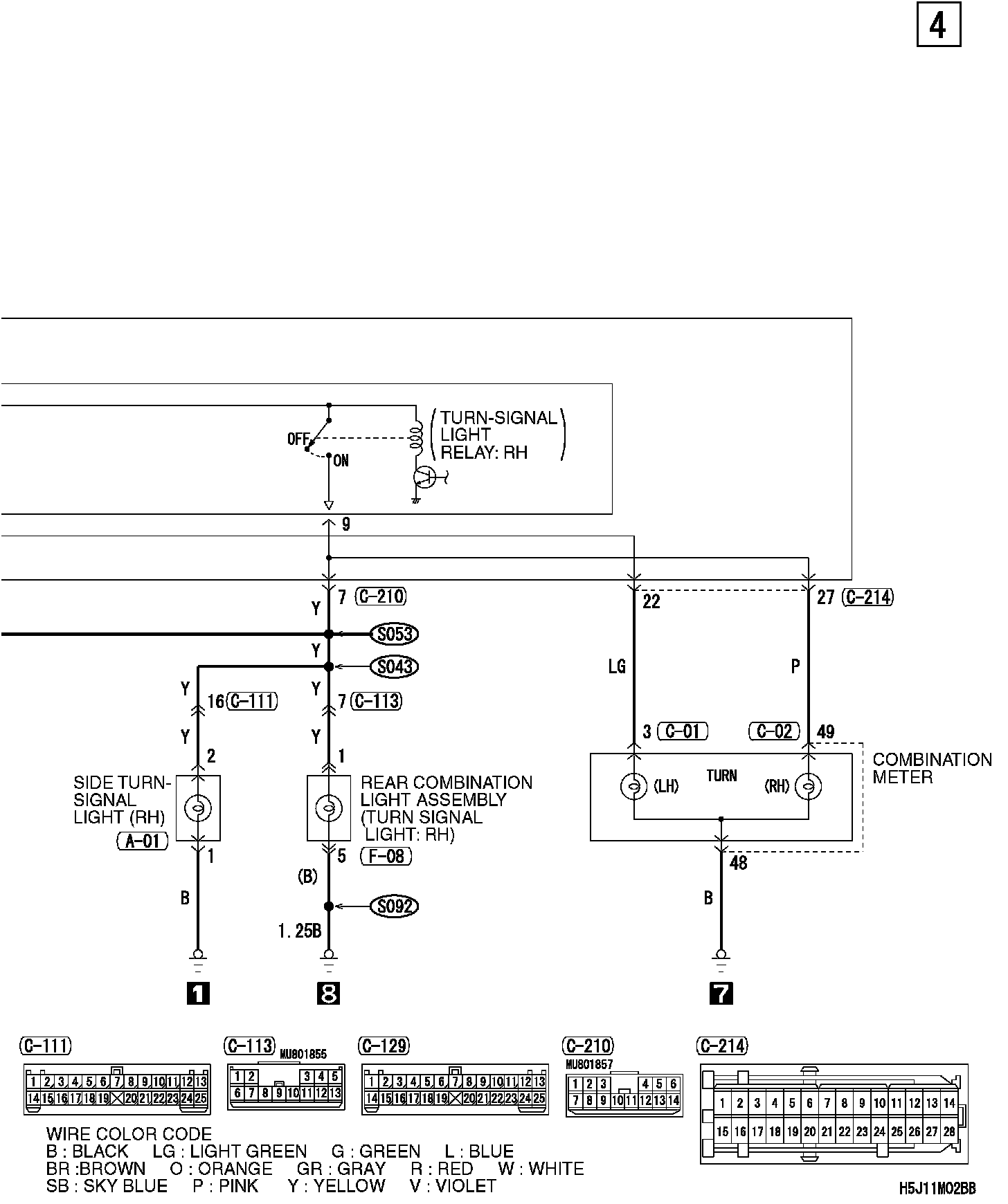
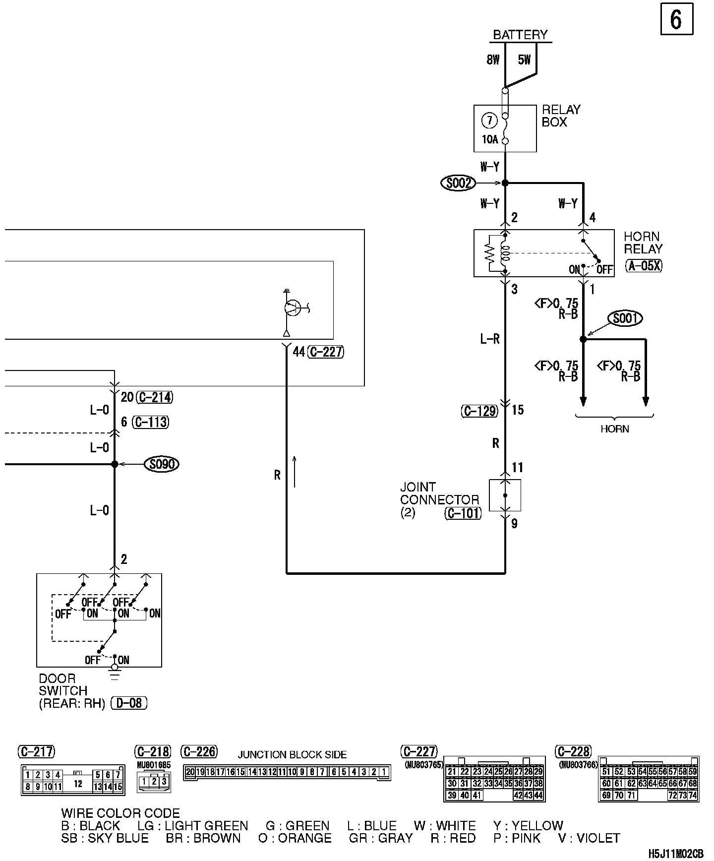
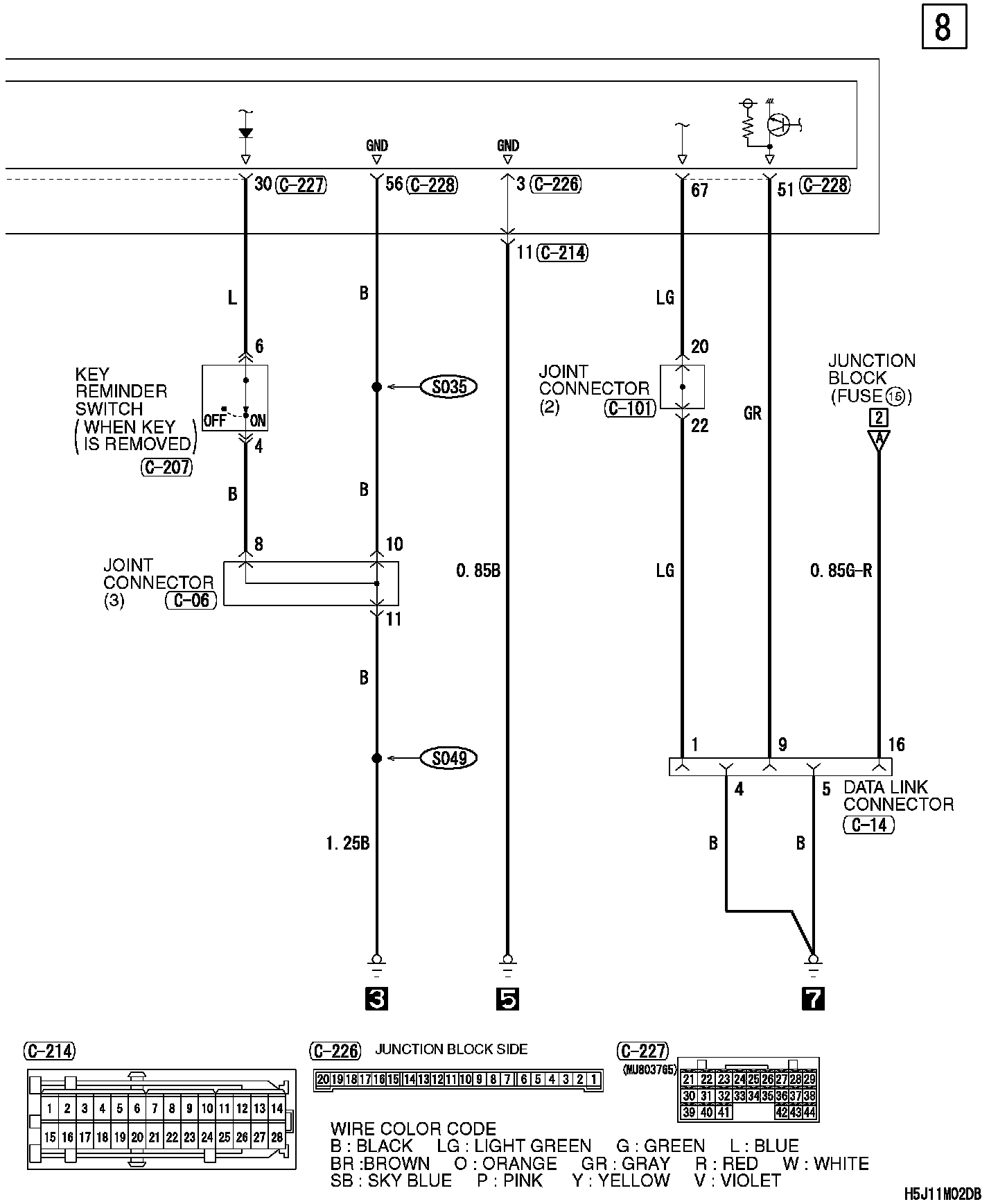
Connector/Component Locations: The locations of connectors and components referred to within these diagrams can be found via the connector number at Vehicle Connector Locations. Connector Locations

Splice Locations: The locations of Splices referred to within these diagrams can be found via the splice number at Vehicle Splice Locations. Splice Locations

Ground Locations: The locations of grounds referred to within these diagrams can be found via the ground number at Vehicle Ground Locations. Ground Locations