Curiosii for ever!: Car repair manuals for everyone.

Inspection Procedure 30

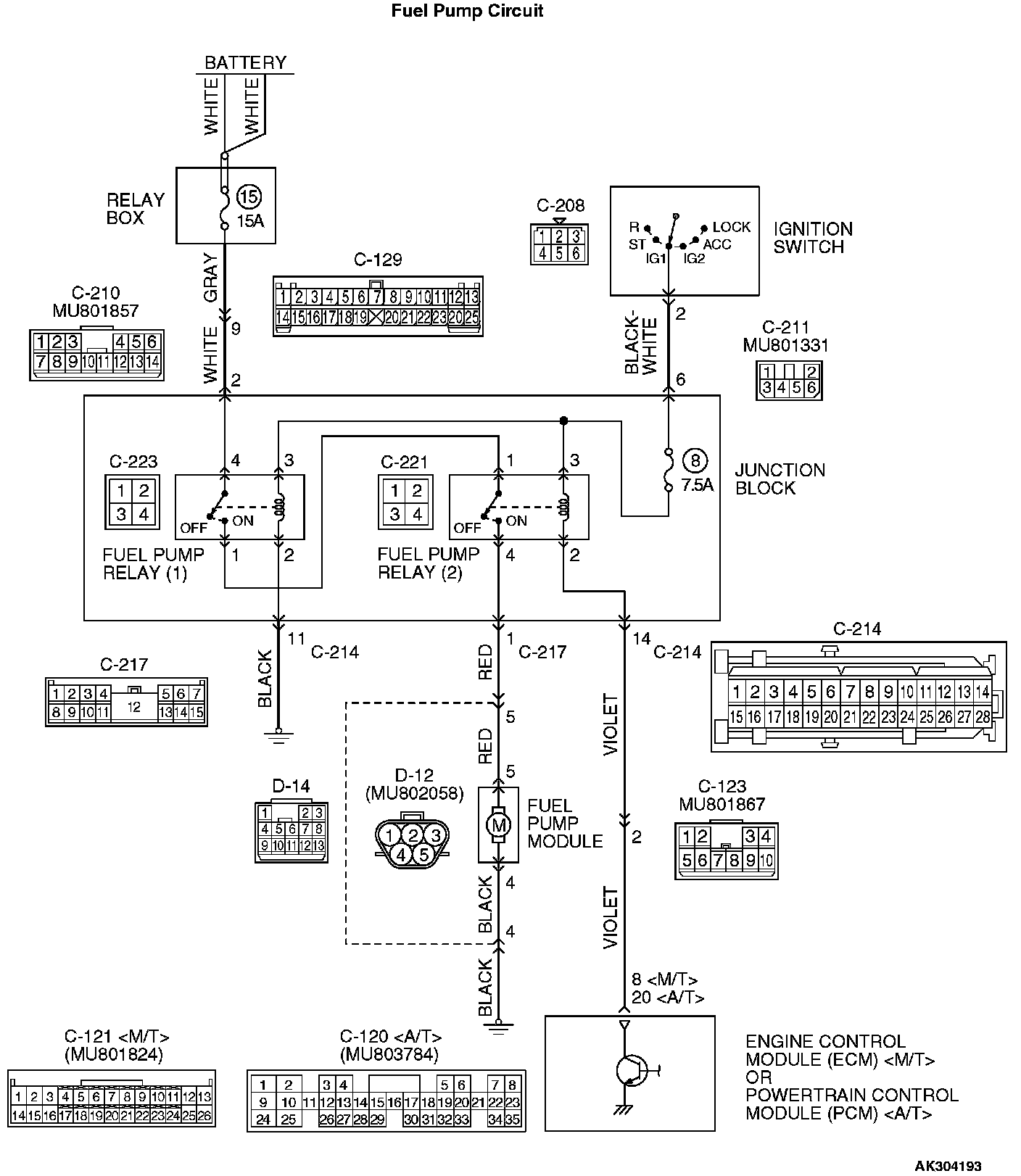
Fuel pump system

Fuel Pump Circuit Part 1:




Fuel Pump Circuit Part 2:




Fuel Pump Circuit Part 3:






CIRCUIT OPERATION
- Battery positive voltage is applied to the fuel pump relay 1 (terminal No.3) from the ignition switch-IG.
Ground is provided through terminal No.2 to chassis ground.
- When the ignition switch is turned to the "ON" position, the battery positive voltage is applied to the fuel pump relay 2 (terminal No.1) from the fuel pump relay 1 (terminal No.1).
- A battery positive voltage is applied on the fuel pump relay 2 (terminal No.3) from the ignition switch-IG.
- During cranking and while the engine is running, the ECM or PCM turns the power transistor in the ECM or PCM ON to ground the fuel pump relay 2 coil. With this, the fuel pump relay turns ON, and the battery positive voltage is supplied to the fuel pump from the fuel pump relay 2 (terminal No.4).

TROUBLESHOOTING HINTS (The most likely causes for this code to be set are:)
- Malfunction of the fuel pump relay.
- Malfunction of the fuel pump.
- Improper connector contact, open or short-circuited harness wire.
- Malfunction of the ECM or PCM .

DIAGNOSIS

Required Special Tools:
- MB991958: Scan Tool (MUT-III Sub Assembly)
- MB991824: V.C.I.
- MB991827: USB Cable
- MB991911: Main Harness B

STEP 1. Using scan tool MB991958, check actuator test item 07:
Fuel Pump.

CAUTION: To prevent damage to scan tool MB991958, always turn the ignition switch to the "LOCK" (OFF) position before connecting or disconnecting scan tool MB991958.




1. Connect scan tool MB991958 to the data link connector.
2. Turn the ignition switch to the "ON" position.
3. Set scan tool MB991958 to the actuator test mode for item 07, Fuel Pump.
- An operation sound of the fuel pump should be heard.

4. Turn the ignition switch to the "LOCK" (OFF) position.

Q: Is the fuel pump operating properly?

YES : That this malfunction is intermittent. Refer to How to Use Troubleshooting/Inspection Service Points - How to Cope with Intermittent Malfunctions.

NO : Go to Step 2.




STEP 2. Check harness connector C-223 at fuel pump relay 1 and harness connector C-221 at fuel pump relay 2 for damage.

Q: Is the harness connector in good condition?

YES : Go to Step 3.

NO : Repair or replace it. Refer to Harness Connector Inspection. Then confirm that the malfunction symptom is eliminated.

STEP 3. Check the fuel pump relay 1 and 2.




1. Remove the fuel pump relay.




2. Check for continuity between the fuel pump relay terminals No.2 and No.3.
- There should be continuity. (approximately 70 ohms)




3. Use jumper wires to connect fuel pump relay terminal No.3 to the positive battery terminal and terminal No.2 to the negative battery terminal.
4. Check for continuity between the fuel pump relay terminals No.1 and No.4 while connecting and disconnecting the jumper wire at the negative battery terminal.
- Should be less than 2 ohms. (Negative battery terminal connected)
- Should be open loop. (Negative battery terminal disconnected)

5. Install the fuel pump relay.

Q: Is the resistance normal?

YES : Go to Step 4.

NO : Replace the fuel pump relay. Then confirm that the malfunction symptom is eliminated.

STEP 4. Measure the power supply voltage at fuel pump relay 1 harness side connector C-223.




1. Disconnect the connector C-223 and measure at the harness side.




2. Measure the voltage between terminal No.4 and ground.
- Voltage should be battery positive voltage.

Q: Is battery positive voltage (approximately 12 volts) present?

YES : Go to Step 5.

NO : Check harness connectors C-129 and C-210 at intermediate connector for damage, and repair or replace as required. Refer to, Harness Connector Inspection. If intermediate connectors are in good condition, repair harness wire between dedicated fuse (15) and fuel pump relay 1 connector C-223 (terminal No.4) because of open circuit. Then confirm that the malfunction symptom is eliminated.

STEP 5. Measure the power supply voltage at fuel pump relay 1 harness side connector C-223.




1. Disconnect the connector C-223 and measure at the harness side.
2. Turn the ignition switch to the "ON" position.




3. Measure the voltage between terminal No.3 and ground.
- Voltage should be battery positive voltage.

4. Turn the ignition switch to the "LOCK" (OFF) position.

Q: Is battery positive voltage (approximately 12 volts) present?

YES : Go to Step 6.

NO : Check harness connector C-211 at intermediate connector for damage, and repair or replace as required. Refer to, Harness Connector Inspection. If intermediate connector is in good condition, repair harness wire between ignition switch connector C-208 (terminal No.2) and fuel pump relay 1 connector C-223 (terminal No.3) because of open circuit. Then confirm that the malfunction symptom is eliminated.

STEP 6. Check for continuity at fuel pump relay 1 harness side connector C-223.




1. Disconnect the connector C-223 and measure at the harness side.




2. Check for the continuity between terminal No.2 and ground.
- Should be less than 2 ohms.

Q: Does continuity exist?

YES : Go to Step 7.

NO : Check harness connector C-214 at intermediate connector for damage, and repair or replace as required. Refer to, Harness Connector Inspection. If intermediate connectors are in good condition, repair harness wire between fuel pump relay 1 connector C-223 (terminal No.2) and ground because of open circuit. Then confirm that the malfunction symptom is eliminated.

STEP 7. Measure the power supply voltage at fuel pump relay 2 harness side connector C-221.




1. Disconnect the connector C-221 and measure at the harness side.
2. Turn the ignition switch to the "ON" position.




3. Measure the voltage between terminal No.1 and ground.
- Voltage should be battery positive voltage.

Q: Is battery positive voltage (approximately 12 volts) present?

YES : Go to Step 8.

NO : Repair harness wire between fuel pump relay 1 connector C-223 (terminal No.1) and fuel pump relay 2 connector C-221 (terminal No.1) because of open circuit. Then confirm that the malfunction symptom is eliminated.

STEP 8. Measure the power supply voltage at fuel pump relay 2 harness side connector C-221.




1. Disconnect the connector C-221 and measure at the harness side.
2. Turn the ignition switch to the "ON" position.




3. Measure the voltage between terminal No.3 and ground.
- Voltage should be battery positive voltage.

4. Turn the ignition switch to the "LOCK" (OFF) position.

Q: Is battery positive voltage (approximately 12 volts) present?

YES : Go to Step 9.

NO : Check harness connector C-211 at intermediate connector for damage, and repair or replace as required. Refer to, Harness Connector Inspection. If intermediate connector is in good condition, repair harness wire between ignition switch connector C-208 (terminal No.2) and fuel pump relay 2 connector C-221 (terminal No.3) because of open circuit. Then confirm that the malfunction symptom is eliminated.




STEP 9. Check harness connector D-12 at fuel pump for damage.

Q: Is the harness connector in good condition?

YES : Go to Step 10.

NO : Repair or replace it. Refer to Harness Connector Inspection. Then confirm that the malfunction symptom is eliminated.

STEP 10. Check the fuel pump operation.




1. Disconnect fuel pump connector D-12.




2. Use jumper wires to connect fuel pump connector terminal No.5 to the positive battery terminal and terminal No.4 to the negative battery terminal.
- An operating sound of the fuel pump should be heard.

Q: Is the fuel pump operating properly?

YES : Go to Step 11.

NO : Replace the fuel pump. Then confirm that the malfunction symptom is eliminated.

STEP 11. Check for continuity at fuel pump harness side connector D-12.




1. Disconnect the connector D-12 and measure at the harness side.




2. Check for the continuity between terminal No.4 and ground.
- Should be less than 2 ohms.

Q: Does continuity exist?

YES : Go to Step 12.

NO : Check harness connector D-14 at intermediate connector for damage, and repair or replace as required. Refer to, Harness Connector Inspection. If intermediate connector is in good condition, repair harness wire damage between fuel pump connector D-12 (terminal No.4) and ground because of open circuit or harness damage. Then confirm that the malfunction symptom is eliminated.







STEP 12. Check for open circuit and short circuit to ground and harness damage between fuel pump relay 2 connector C-221 (terminal No.4) and fuel pump connector D-12 (terminal No.5).

NOTE: Check harness after checking intermediate connectors C-217 and D-14. If intermediate connectors are damaged, repair or replace them. After to Harness Connector Inspection. Then check that the malfunction is eliminated.

Q: Is the harness wire in good condition?

YES : Go to Step 13.

NO : Repair it. Then confirm that the malfunction symptom is eliminated.







STEP 13. Check harness connector C-121 at ECM or harness connector C-120 at PCM for damage.

Q: Is the harness connector in good condition?

YES : Go to Step 14.

NO : Repair or replace it. Refer to Harness Connector Inspection. Then confirm that the malfunction symptom is eliminated.

STEP 14. Measure the power supply voltage at ECM connector C-121 or PCM connector C-120
.







1. Disconnect the connector C-121 or C-120
and measure at the harness side.
2. Turn the
ignition switch to the "ON" position.







3. Measure the voltage between terminal No.8 or No.20 and ground.
- Voltage should be battery positive voltage.

4. Turn the
ignition switch to the "LOCK" (OFF) position.

Q: Is battery positive voltage (approximately 12 volts) present?

YES : Replace the ECM or PCM. Then confirm that the malfunction symptom is eliminated.

NO : Check harness connectors C-123 and C-214 at intermediate connector for damage, and repair or replace as required. Refer to, Harness Connector Inspection. If intermediate connectors are in good condition, repair harness wire between fuel pump relay 2 connector C-221 (terminal No.2) and ECM connector C-121 (terminal No.8) or PCM connector C-120 (terminal No.20) because of open circuit. Then confirm that the malfunction symptom is eliminated.