Curiosii for ever!: Car repair manuals for everyone.

Emission Control Systems: Service and Repair

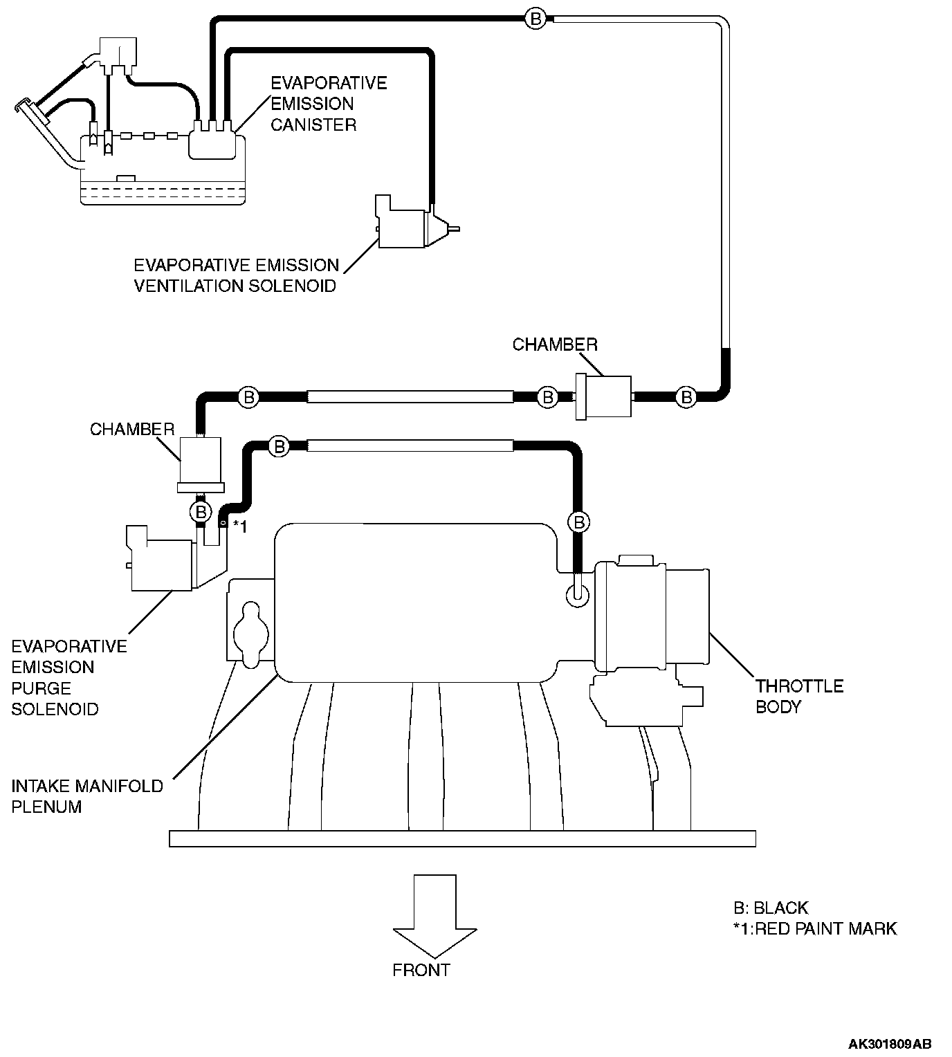
Vacuum Hose Routing:




Vacuum Circuit Diagram:






VACUUM HOSE INSTALLATION
1. When connecting the vacuum hoses, they should be securely inserted onto the nipples.
2. Connect the hoses correctly, using the VACUUM HOSE ROUTING diagram as a guide.

VACUUM HOSE CHECK
1. Using the VACUUM HOSE ROUTING diagram as a guide, check that the vacuum hoses are correctly connected.
2. Check the connection of the vacuum hoses, (removed, loose, etc.) and confirm that there are no sharp bends or damage.