Curiosii for ever!
: Car repair manuals for everyone.
Home
>>
Mitsubishi
>>
2005
>>
Galant L4-2.4L (4G69)
>>
Repair and Diagnosis
>>
Diagrams
>>
Exploded Views
>>
Automatic Transmission/Transaxle
>>
System Diagram
>>
Transaxle Connection
>>
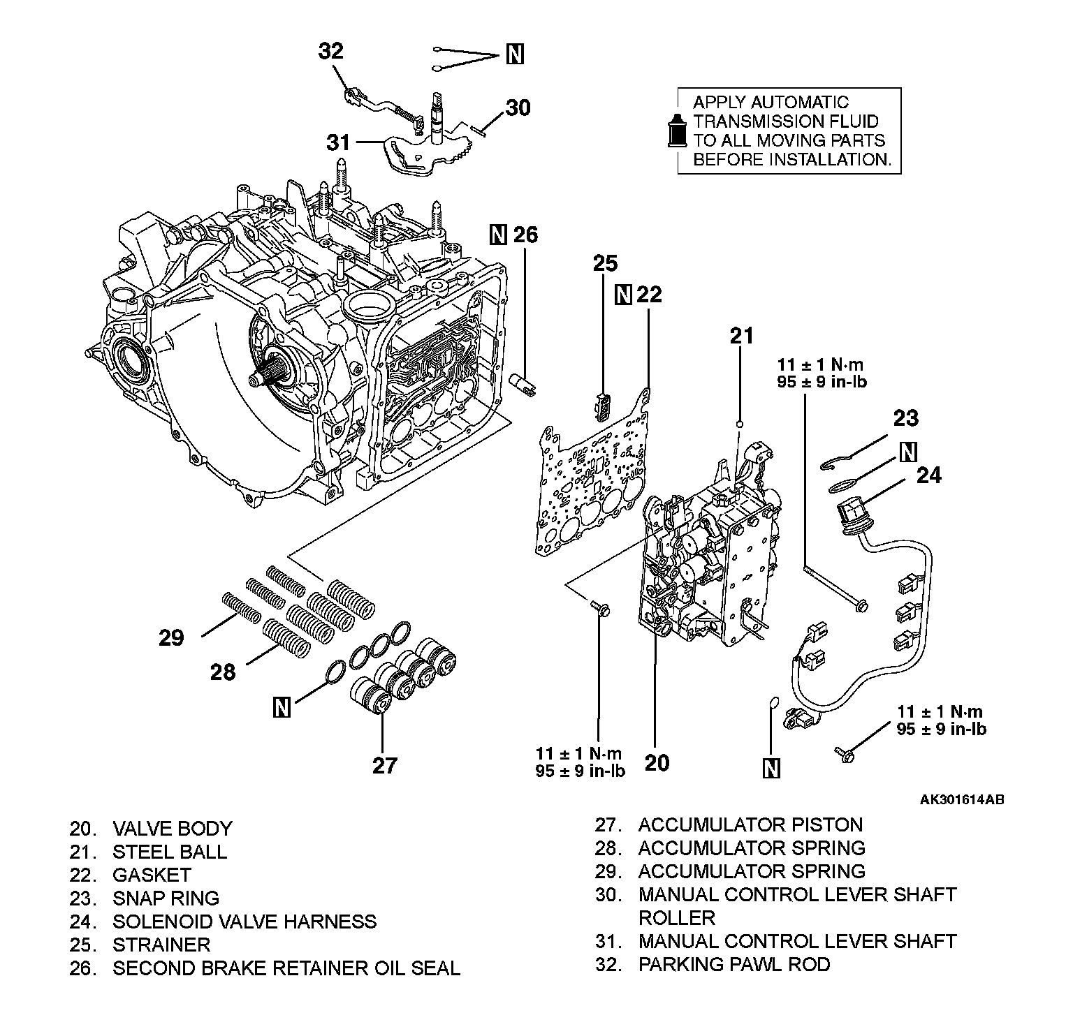
F4A4B
F4A4B
Part 1 Of 4:
Part 2 Of 4:
Part 3 Of 4:
Part 4 Of 4: