Curiosii for ever!
: Car repair manuals for everyone.
Home
>>
Mitsubishi
>>
2004
>>
Lancer Sportback L4-2.4L SOHC
>>
Repair and Diagnosis
>>
Diagrams
>>
Exploded Views
>>
Automatic Transmission/Transaxle
>>
System Diagram
>>
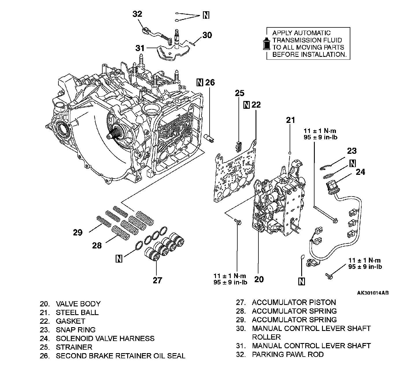
Transaxle Connection
Transaxle Connection
Part 1 Of 5:
Part 2 Of 5:
Part 3 Of 5:
Part 4 Of 5:
Part 5 Of 5: