Curiosii for ever!: Car repair manuals for everyone.

Without Keyless Entry System

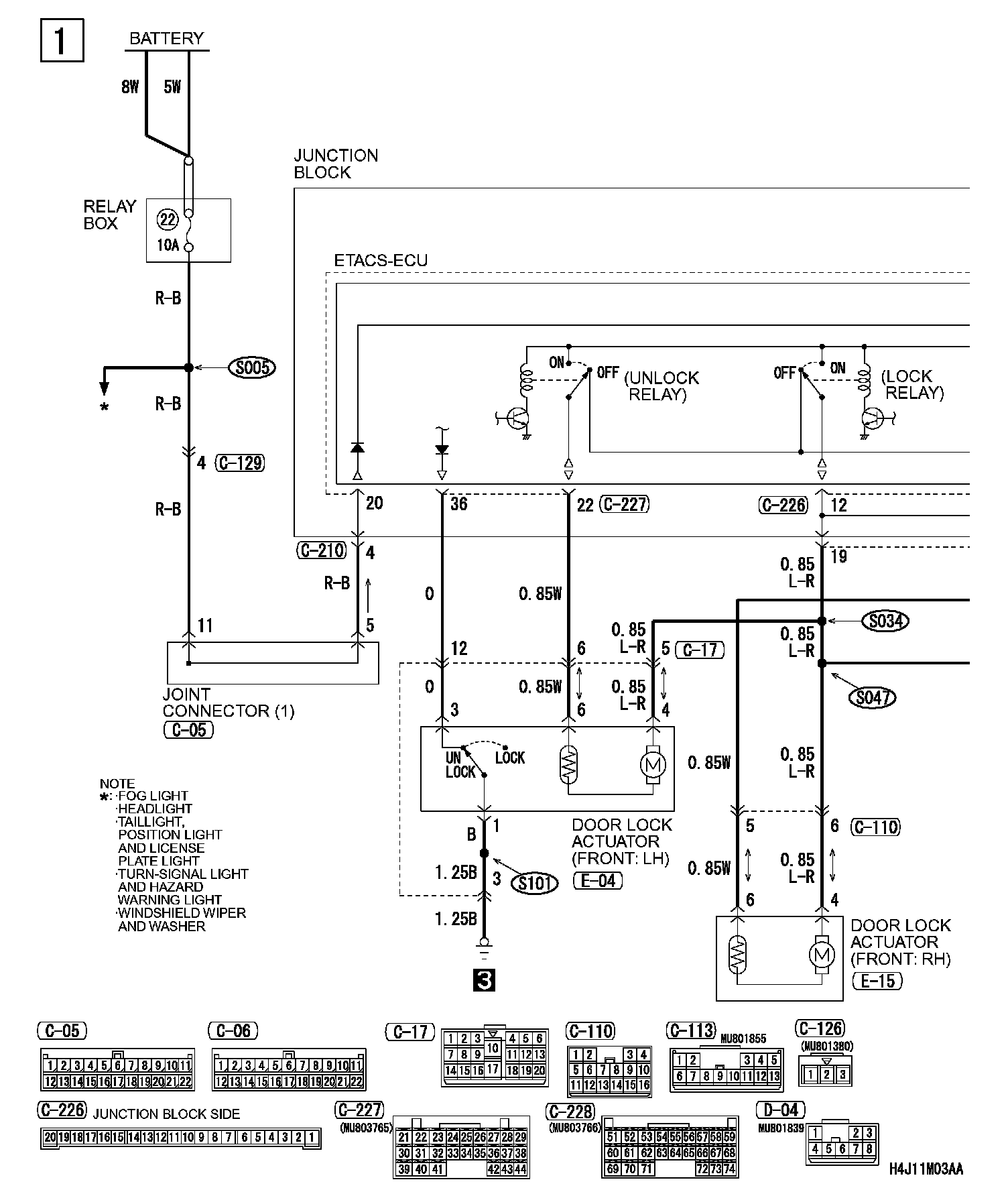
Central Door Locking System (Vehicle Without Keyless Entry System) Part 1:




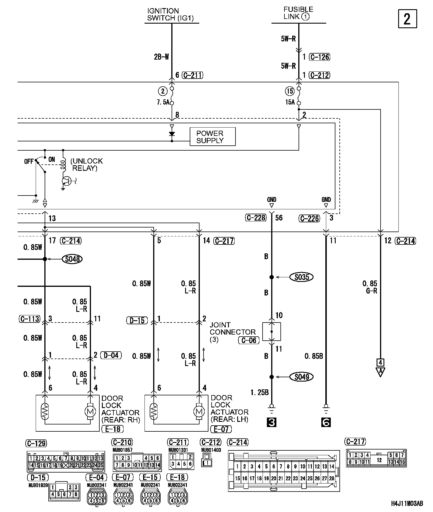
Central Door Locking System (Vehicle Without Keyless Entry System) Part 2:




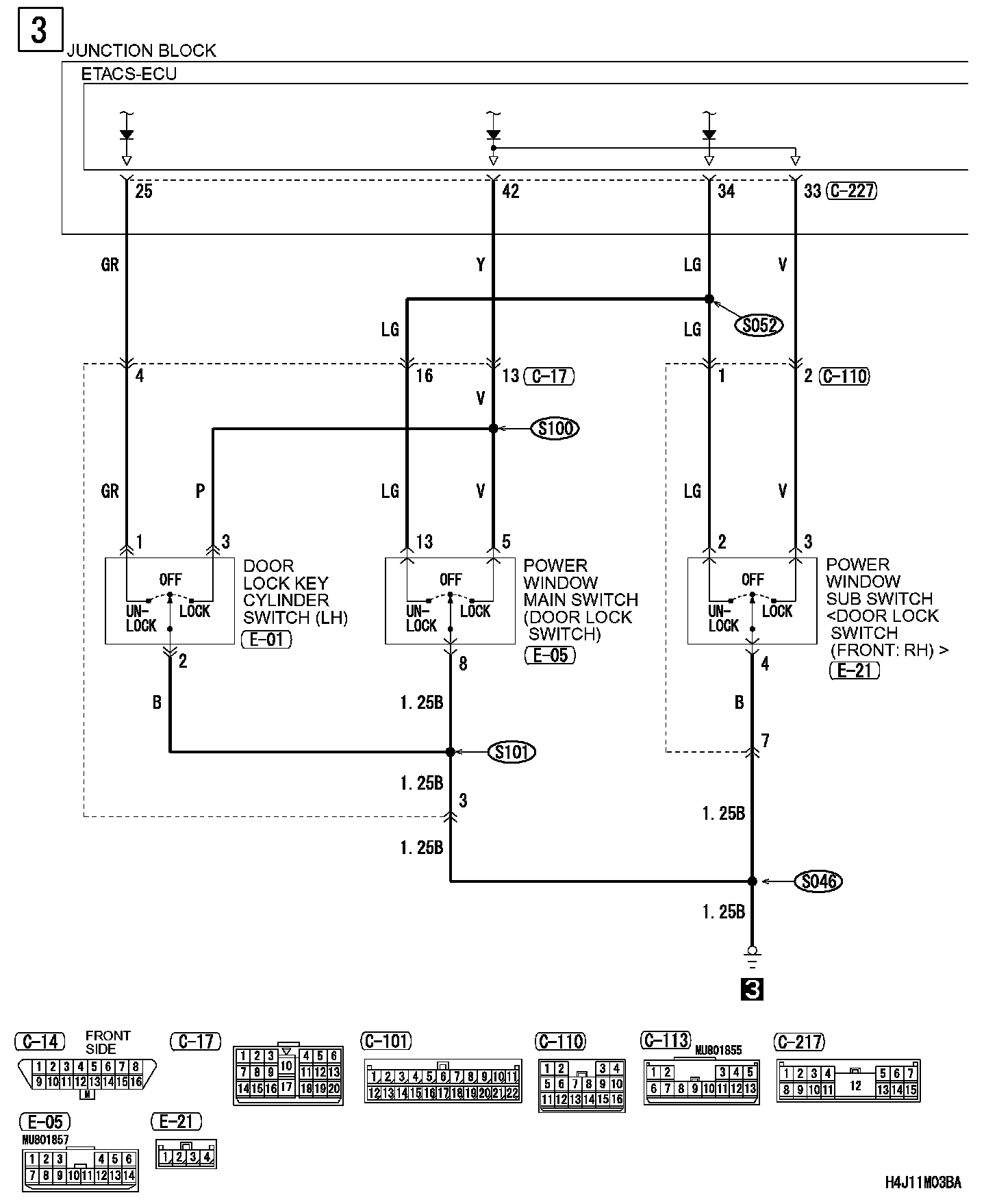
Central Door Locking System (Vehicle Without Keyless Entry System) Part 3:




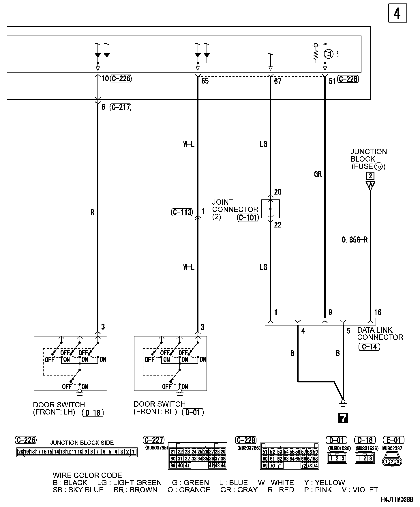
Central Door Locking System (Vehicle Without Keyless Entry System) Part 4:






Connector/Component Locations: The locations of connectors and components referred to within these diagrams can be found via the connector number at Vehicle Connector Locations. Connector Locations

Ground Locations: The locations of grounds referred to within these diagrams can be found via the ground number at Vehicle Ground Locations. Ground Locations