Curiosii for ever!: Car repair manuals for everyone.

Electrical Diagrams

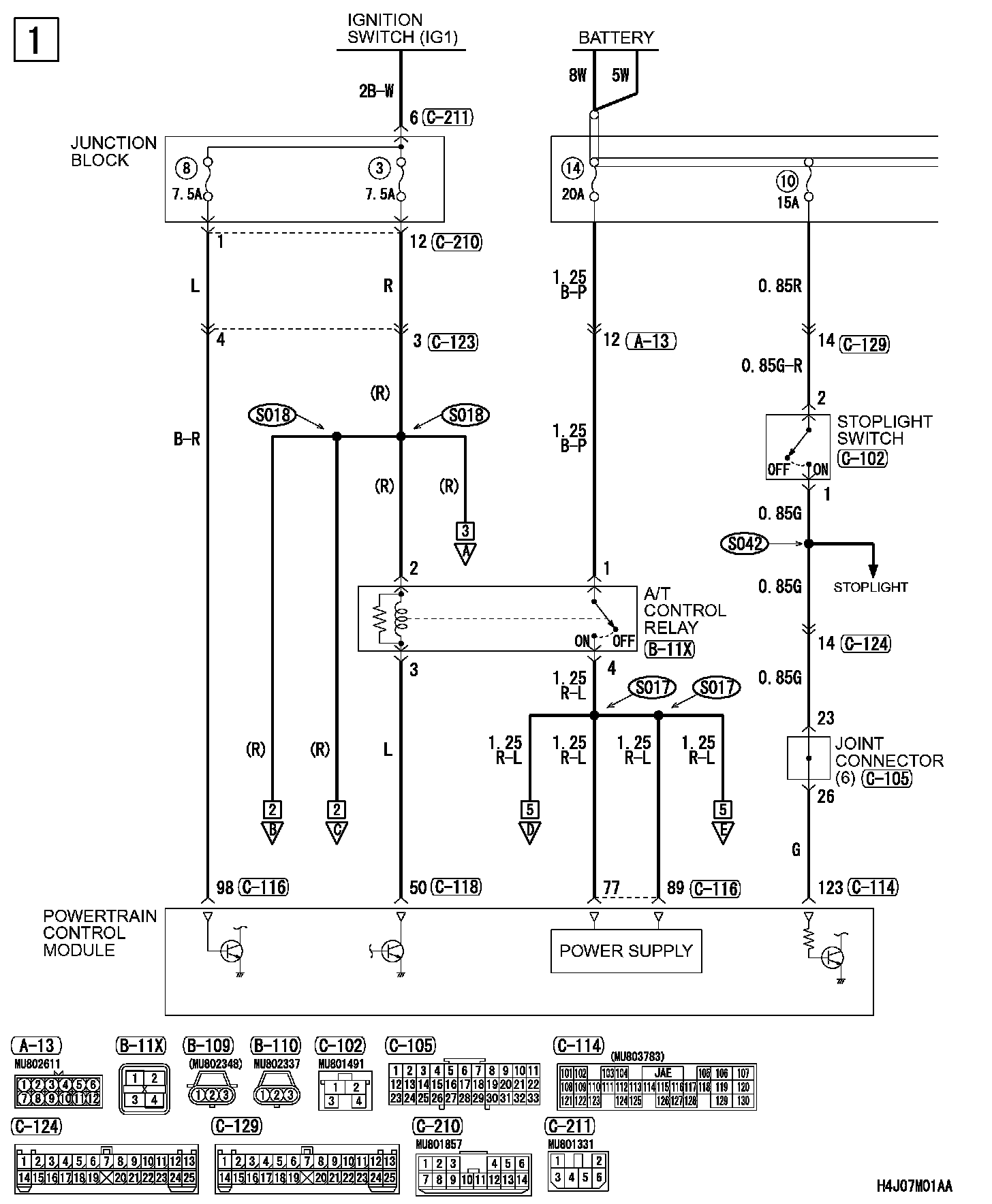
Invecs-II 4A/T Part 1:




Invecs-II 4A/T Part 2:




Invecs-II 4A/T Part 3:




Invecs-II 4A/T Part 4:




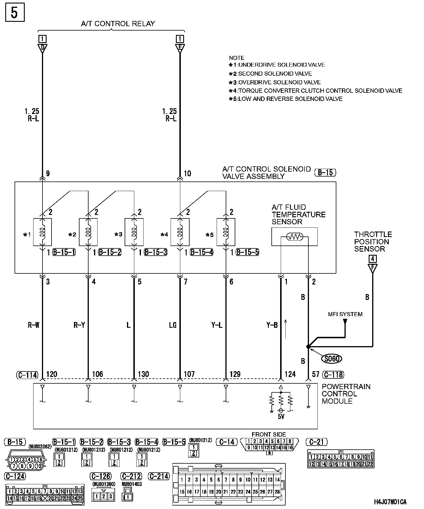
Invecs-II 4A/T Part 5:




Invecs-II 4A/T Part 6:






Connector/Component Locations: The locations of connectors and components referred to within these diagrams can be found via the connector number at Vehicle Connector Locations. Connector Locations

Ground Locations: The locations of grounds referred to within these diagrams can be found via the ground number at Vehicle Ground Locations. Ground Locations