Curiosii for ever!: Car repair manuals for everyone.

Inspection Procedure 30

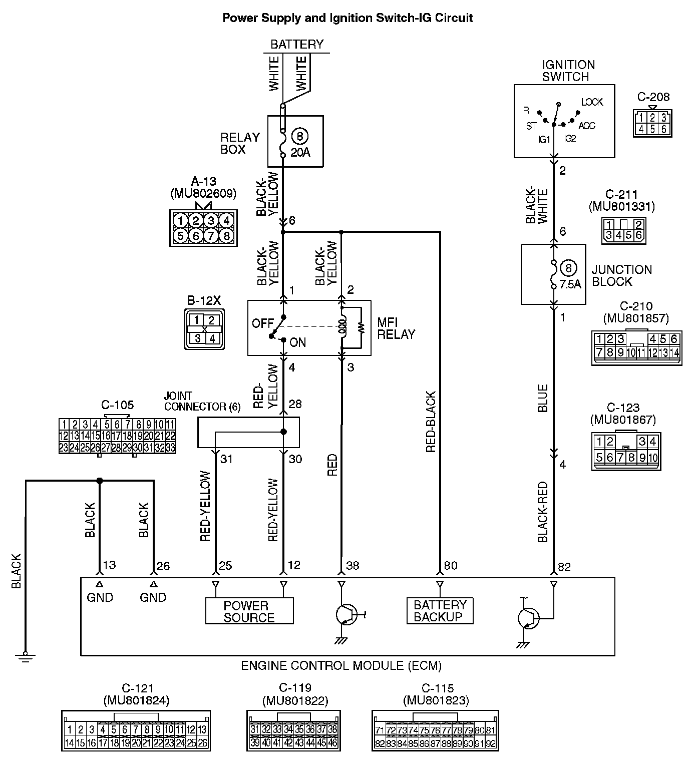
Power Supply System and Ignition Switch-IG System

Power Supply And Ignition Switch-IG Circuit Part 1:




Power Supply And Ignition Switch-IG Circuit Part 2:






CIRCUIT OPERATION
- Battery positive voltage is applied to the MFI relay (terminals No. 1, No. 2).
- When the ignition switch is turned to the "ON" position, the battery positive voltage is applied to the ECM (terminal No. 82). When the battery positive voltage is applied, the ECM turns the power transistor in the ECM "ON" and grounds the MFI relay coil. With this, the MFI relay turns "ON" and the battery positive voltage is supplied to the ECM (terminals No. 12, No. 25) from the MFI relay (terminal No. 4).
- Battery positive voltage is constantly supplied to the ECM (terminal No. 80) as the backup power.
- The ECM (terminals No. 13, No. 26) is grounded to the vehicle body.

TROUBLESHOOTING HINTS (The most likely causes for this code to be set are:)
- Malfunction of the ignition switch.
- Malfunction of the MFI relay.
- Improper connector contact, open circuit or short-circuited harness wire.
- Disconnected ECM ground wire.
- Malfunction of the ECM.

DIAGNOSIS




STEP 1. Check connector B-12X at MFI relay for damage.

Q: Is the connector in good condition?

YES: Go to Step 2.

NO: Repair or replace it. Refer to Harness Connector Inspection. Then confirm that the malfunction symptom is eliminated.

STEP 2. Check the MFI relay.




1. Remove the MFI relay.




2. Check for continuity between the MFI relay terminals No. 2 and No. 3.
- There should be continuity. (approximately 70 Ohms)




3. Use jumper wires to connect MFI relay terminal No. 2 to the positive battery terminal and terminal No. 3 to the negative battery terminal.
4. Check for continuity between the MFI relay terminals No. 1 and No. 4 while connecting and disconnecting the jumper wire at the negative battery terminal.
- Should be less than 2 Ohms. (Negative battery terminal connected)
- Should be open loop. (Negative battery terminal disconnected)

5. Install the MFI relay.

Q: Is the measured voltage within the specified range?

YES: Go to Step 3.

NO: Replace the MFI relay. Then confirm that the malfunction symptom is eliminated.

STEP 3. Measure the power supply voltage at MFI relay harness side connector B-12X.




1. Disconnect the connector B-12X and measure at the harness side.




2. Measure the voltage between terminals No. 1, No. 2 and ground.
- Voltage should measure battery positive voltage.

Q: Is battery positive voltage (approximately 12 volts) present?

YES: Go to Step 4.

NO: Check harness connector A-13 at intermediate connector for damage, and repair or replace as required. Refer to, Harness Connector Inspection. If intermediate connector is in good condition, repair harness wire between relay box (fuse 8) and MFI relay connector B-12X (terminals No. 1, No. 2) because of open circuit. Then confirm that the malfunction symptom is eliminated.




STEP 4. Check connector C-115 at ECM for damage.

Q: Is the connector in good condition?

YES: Go to Step 5.

NO: Repair or replace it. Refer to Harness Connector Inspection. Then confirm that the malfunction symptom is eliminated.

STEP 5. Measure the ignition switch-IG signal voltage at ECM harness side connector C-115.




1. Disconnect the connector C-115 and measure at the harness side.
2. Turn the ignition switch to the "ON" position.




3. Measure the voltage between terminal No. 82 and ground.
- Voltage should measure battery positive voltage.

4. Turn the ignition switch to the "LOCK" (OFF) position.

Q: Is battery positive voltage (approximately 12 volts) present?

YES: Go to Step 6.

NO: Check harness connector C-123, C-210 and C-211 at intermediate connector for damage, and repair or replace as required. Refer to, Harness Connector Inspection. If the intermediate connectors are in good condition, repair the harness wire between ignition switch connector C-208 (terminal No. 2) and ECM connector C-115 (terminal No. 82) because of open circuit. Then confirm that the malfunction symptom is eliminated.




STEP 6. Measure the backup power supply voltage at ECM harness side connector C-115.

1. Disconnect the connector C-115 and measure at the harness side.
2. Measure the voltage between terminal No. 80 and ground.
- Voltage should measure battery positive voltage.

Q: Is battery positive voltage (approximately 12 volts) present?

YES: Go to Step 7.

NO: Check harness connector A-13 at intermediate connector for damage, and repair or replace as required. Refer to, Harness Connector Inspection. If the intermediate connectors are in good condition, repair the harness wire between relay box (fuse 8) and ECM connector C-115 (terminal No. 80) because of open circuit. Then confirm that the malfunction symptom is eliminated.

STEP 7. Check for continuity at ECM harness side connector C-121.




1. Disconnect the connector C-121 and measure at the harness side.




2. Check for the continuity between terminals (No. 13, No. 26) and ground.
- Should be less than 2 Ohms.

Q: Does continuity exist?

YES: Go to Step 8.

NO: Repair harness wire between ECM connector C-121 (terminals No. 13, No. 26) and ground because of open circuit. Then confirm that the malfunction symptom is eliminated.

STEP 8. Measure the power supply voltage at ECM harness side connector C-119.




1. Disconnect the connector C-119 and measure at the harness side.




2. Measure the voltage between terminal No. 38 and ground.
- Voltage should measure battery positive voltage.

Q: Is battery positive voltage (approximately 12 volts) present?

YES: Go to Step 9.

NO: Repair harness wire between MFI relay connector B-12X (terminal No. 3) and ECM connector C-119 (terminal No. 38) because of open circuit. Then confirm that the malfunction symptom is eliminated.

STEP 9. Measure the power supply voltage at ECM harness side connector C-121, C-119.




1. Disconnect the connectors C-121, C-119 and measure at the harness side.




2. Using a jumper wire, connect terminal No. 38 to ground.
3. Measure the voltage between terminals (No. 12, No. 25) and ground.
- Voltage should measure battery positive voltage.

Q: Is battery positive voltage (approximately 12 volts) present?

YES: Replace the ECM. Then confirm that the malfunction symptom is eliminated.

NO: Check connector C-105 at intermediate connector for damage, and repair or replace as required. Refer to Harness Connector Inspection. If the intermediate connector is in good condition, repair the harness wire between MFI relay connector B-12X (terminal No. 4) and ECM connector C-121 (terminals No. 12, No. 25) because of open circuit. Then confirm that the malfunction symptom is eliminated.