Curiosii for ever!: Car repair manuals for everyone.

Inspection Procedure 1

Communication with Scan Tool is Not Possible (Communication with All System is Not Possible)

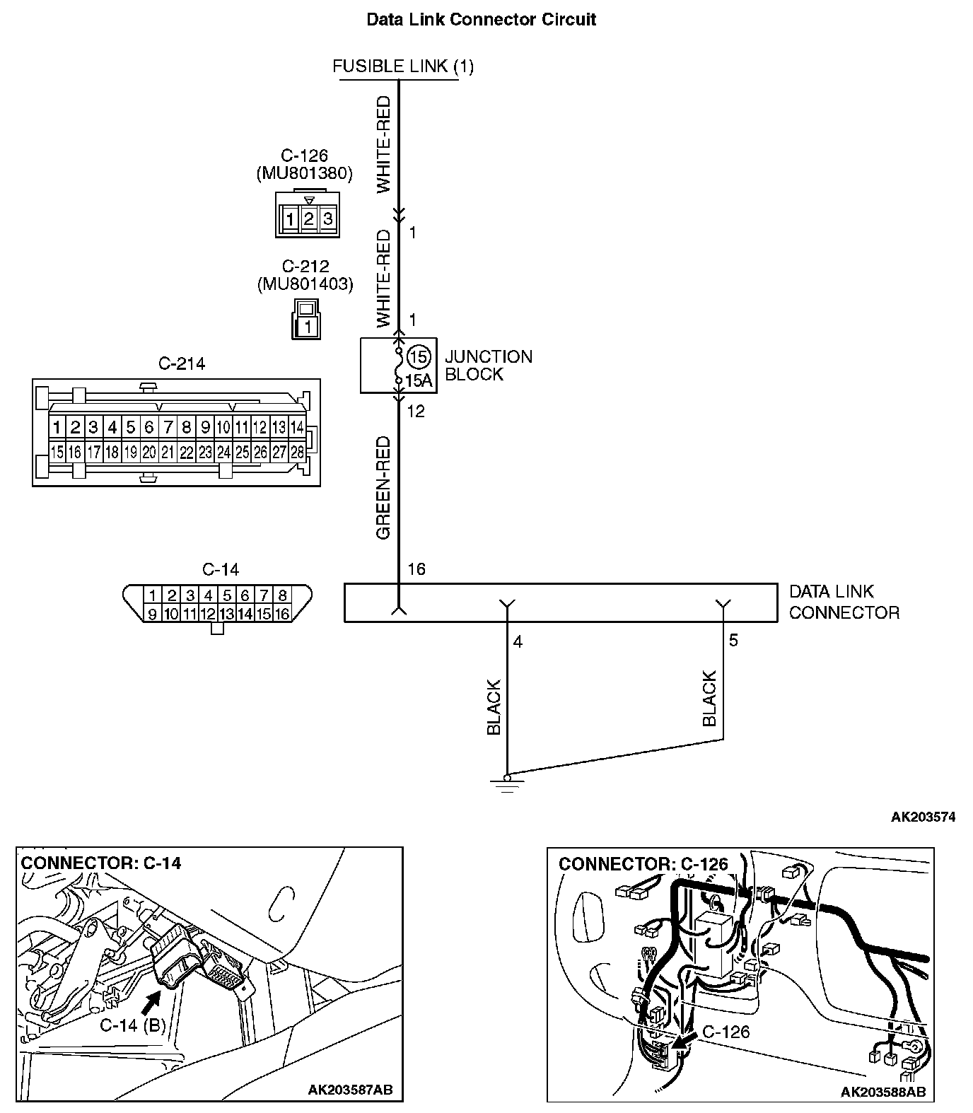
Data Link Connector Circuit Part 1:




Data Link Connector Circuit Part 2:






CIRCUIT OPERATION
- A battery positive voltage is applied on the data link connector power terminal (terminal No. 16). The ground terminals (terminals No. 4, No. 5) are grounded to the vehicle body.

COMMENT
- The cause is probably a defect in power supply system (including ground) for the on-board diagnostic test mode line.

TROUBLESHOOTING HINTS (The most likely causes for this case:)
- Malfunction of the data link connector.
- Damaged harness wire.

DIAGNOSIS







STEP 1. Measure the power supply voltage at data link connector C-14.

1. Measure voltage between terminal No. 16 and ground.
- Voltage should measure battery positive voltage.

Q: Is battery positive voltage (approximately 12 volts) present?

YES: Go to step 2.

NO: Check harness connectors C-126, C-212 and C-214 at intermediate connector for damage, and repair or replace as required. Refer to Harness Connector Inspection. If intermediate connectors are in good condition, repair harness wire between fusible link (1) and data link connector C-14 (terminal No. 16) because of open circuit. Then confirm that the malfunction symptom is eliminated.







STEP 2. Check for continuity at data link connector C-14.

1. Check for the continuity between terminals No. 4, No. 5 and ground.
- Should be less than 2 Ohms.

Q: Does continuity exist?

YES: Replace the scan tool. Then confirm that the malfunction symptom is eliminated.

NO: Repair harness wire between data link connector C-14 (terminals No. 4, No. 5) and ground because of open circuit or harness damage. Then confirm that the malfunction symptom is eliminated.