Curiosii for ever!: Car repair manuals for everyone.

Inspection Procedure 29

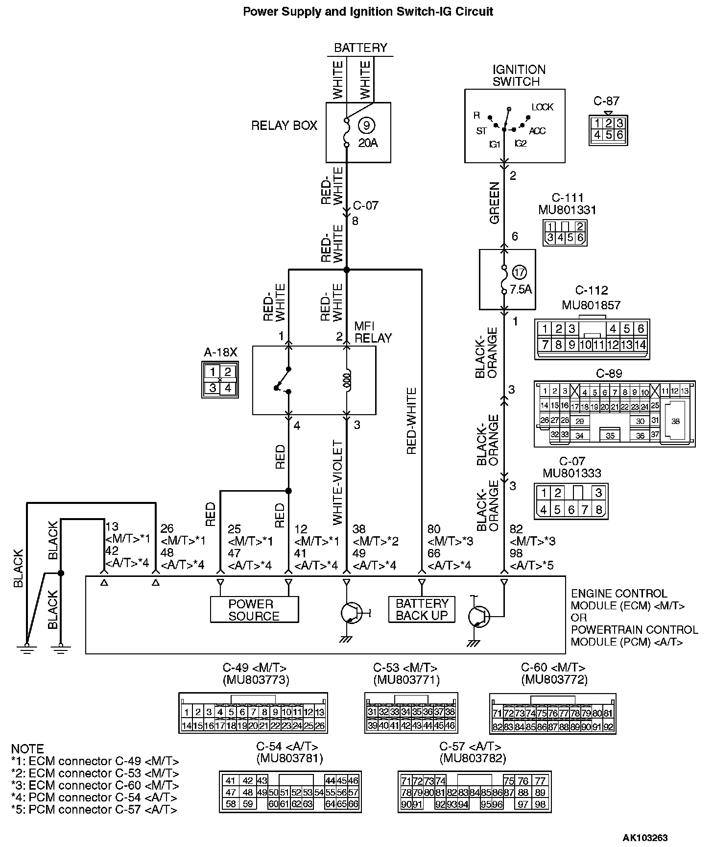
Power supply system and ignition switch - IG system

Power Supply And Ignition Switch-IG Circuit Part 1:




Power Supply And Ignition Switch-IG Circuit Part 2:






CIRCUIT OPERATION
- Battery positive voltage is applied to the MFI relay (terminals No. 3, No. 4).
- When the ignition switch is turned to the "ON" position, the battery positive voltage is applied to the ECM (terminal No. 82) or PCM (terminal No. 98) . When the battery positive voltage is applied, the ECM or PCM turns the power transistor in the ECM or PCM "ON" and grounds the MFI relay coil. With this, the MFI relay turns "ON" and the battery positive voltage is supplied to the ECM (terminal No. 12, No. 25) or PCM (terminal No. 41, No. 47) from the MFI relay (terminal No. 1).
- Battery positive voltage is constantly supplied to the ECM (terminal No. 80) or PCM (terminal No. 66)
as the backup power.
- The ECM (terminal No. 13, No. 26) or PCM (terminals No. 42, No. 48)
is grounded to the vehicle body.

TROUBLESHOOTING HINTS (The most likely causes for this code to be set are: )
- Malfunction of the
ignition switch.
- Malfunction of the MFI relay.
- Improper connector contact, open circuit or short-circuited harness wire.
- Disconnected ECM or PCM ground wire.
- Malfunction of the ECM or PCM
.

DIAGNOSIS




STEP 1. Check connector A-18X at MFI relay for damage.

Q: Is the connector in good condition?

YES: Go to Step 2.

NO: Repair or replace it. Refer to Harness Connector Inspection. Then confirm that the malfunction symptom is eliminated.

STEP 2. Check the MFI relay.




1. Remove the MFI relay.




2. Check for continuity between the MFI relay terminals No. 2 and No. 3.
- There should be continuity. (approximately 70 Ohms)




3. Use jumper wires to connect MFI relay terminal No. 2 to the positive battery terminal and terminal No. 3 to the negative battery terminal.
4. Check the continuity between the MFI relay terminals No. 1 and No. 4 while connecting and disconnecting the jumper wire at the negative battery terminal.
- Should be less than 2 Ohms. (Negative battery terminal connected)
- Should be open loop. (Negative battery terminal disconnected)

5. Install the MFI relay.

Q: Is the voltage normal?

YES: Go to Step 3.

NO: Replace the MFI relay. Then confirm that the malfunction symptom is eliminated.

STEP 3. Measure the power supply voltage at MFI relay harness side connector A-18X.




1. Disconnect the connector A-18X and measure at the harness side.




2. Measure the voltage between terminal No. 1, No. 2 and ground.
- Voltage should be battery positive voltage.

Q: Is battery positive voltage (approximately 12 volts) present?

YES: Go to Step 4.

NO: Check harness connector C-07 at intermediate connector for damage, and repair or replace as required. Refer to Harness Connector Inspection. If intermediate connector is in good condition, repair harness wire between relay box 9. and MFI relay connector A-18X (terminal No. 1, No. 2) because of open circuit. Then confirm that the malfunction symptom is eliminated.







STEP 4. Check connector C-60 at ECM or connector C-57 at PCM
for damage.

Q: Is the connector in good condition?

YES: Go to Step 5.

NO: Repair or replace it. Refer to Harness Connector Inspection. Then confirm that the malfunction symptom is eliminated.

STEP 5. Measure the
ignition switch-IG signal voltage at ECM harness side connector C-60 or PCM harness side connector C-57 .







1. Disconnect the connector C-60 or C-57
and measure at the harness side.
2. Turn the
ignition switch to the "ON" position.







3. Measure the voltage between terminal No. 82 or No. 98 and ground.
- Voltage should be battery positive voltage.

4. Turn the
ignition switch to the "LOCK" (OFF) position.

Q: Is battery positive voltage (approximately 12 volts) present?

YES: Go to Step 6.

NO: Check harness connector C-07, C-89, C-111 and C-112 at intermediate connector for damage, and repair or replace as required. Refer to Harness Connector Inspection. If intermediate connectors are in good condition, repair harness wire between ignition switch connector C-87 (terminal No. 2) and ECM connector C-60 (terminal No. 82) or PCM connector C-57 (terminal No. 98) because of open circuit. Then confirm that the malfunction symptom is eliminated.

STEP 6. Measure the backup power supply voltage at ECM harness side connector C-60 or PCM harness side connector C-54
.







1. Disconnect the connector C-60 or C-54
and measure at the harness side.







2. Measure the voltage between terminal No. 80 or No. 66
and ground.
- Voltage should be battery positive voltage.

Q: Is the voltage normal?

YES: Go to Step 7.

NO: Check harness connector C-07 at intermediate connector for damage, and repair or replace as required. Refer to Harness Connector Inspection. If intermediate connectors are in good condition, repair harness wire between relay box 9. and ECM connector C-60 (terminal No. 80) or PCM connector C-54 (terminal No. 66)
because of open circuit. Then confirm that the malfunction symptom is eliminated.

STEP 7. Check the continuity at ECM harness side connector C-49 or PCM harness side connector C-54
.







1. Disconnect the connector C-49 or C-54
and measure at the harness side.







2. Check for the continuity between terminal (No. 13, No. 26) or (No. 42, No. 48)
and ground.
- Should be less than 2 Ohms.

Q: Is the continuity normal?

YES: Go to Step 8.

NO: Repair harness wire between ECM connector C-49 (terminal No. 13, No. 26) or PCM connector C-54 (terminal No. 42, No. 48)
and ground because of open circuit. Then confirm that the malfunction symptom is eliminated.

STEP 8. Measure the power supply voltage at ECM harness side connector C-53 or PCM harness side connector C-54
.







1. Disconnect the connector C-53 or C-54
and measure at the harness side.







2. Measure the voltage between terminal No. 38 or No. 49
and ground.
- Voltage should be battery positive voltage.

Q: Is battery positive voltage (approximately 12 volts) present?

YES: Go to Step 9.

NO: Repair harness wire between MFI relay connector A-18X (terminal No. 3) and ECM connector C-53 (terminal No. 38) or PCM connector C-54 (terminal No. 49)
because of open circuit. Then confirm that the malfunction symptom is eliminated.

STEP 9. Measure the power supply voltage at ECM harness side connector C-49, C-53 or PCM harness side connector C-54
.







1. Disconnect the connector C-49, C-53 or C-54
and measure at the harness side.







2. Using a jumper wire, connect terminal No. 38 or No. 49
to ground.
3. Measure the voltage between terminal (No. 12, No. 25) or (No. 41, No. 47)
and ground.
- Voltage should be battery positive voltage.

Q: Is battery positive voltage (approximately 12 volts) present?

YES: Replace the ECM or PCM. Then confirm that the malfunction symptom is eliminated.

NO: Repair harness wire between MFI relay connector A-18X (terminal No. 4) and ECM connector C-49 (terminal No. 12, No. 25) or PCM connector C-54 (terminal No. 41, No. 47)
because of open circuit. Then confirm that the malfunction symptom is eliminated.