Curiosii for ever!: Car repair manuals for everyone.

With Keyless Entry System (With Theft-Alarm System)

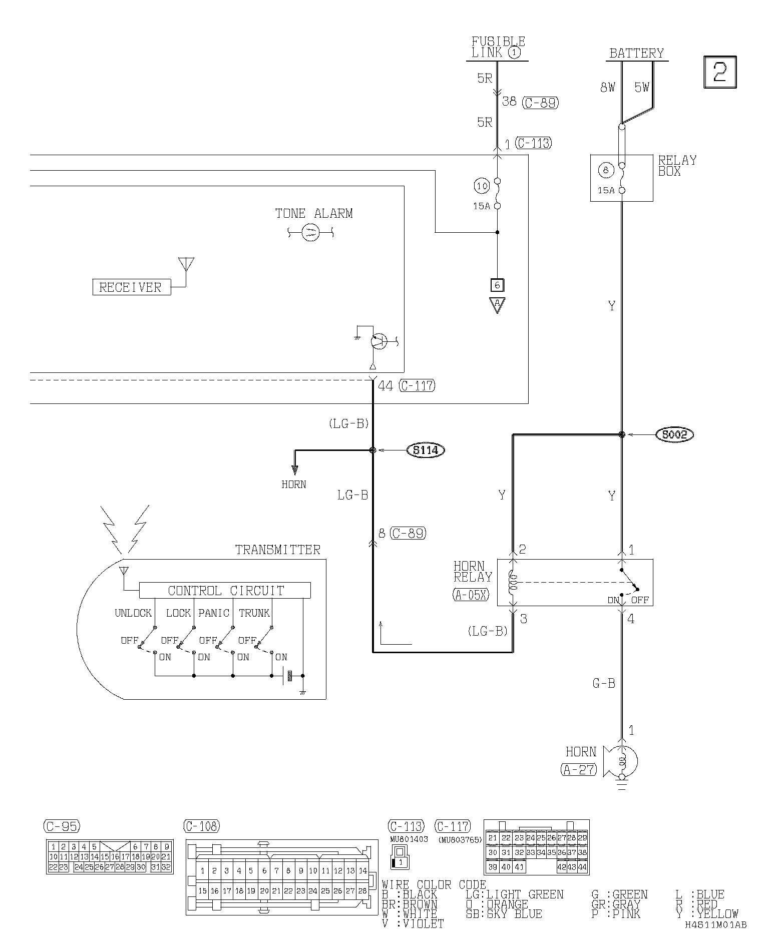
Central Door Locking System (Vehicles With Keyless Entry System (With Theft-Alarm System)) Part 1:




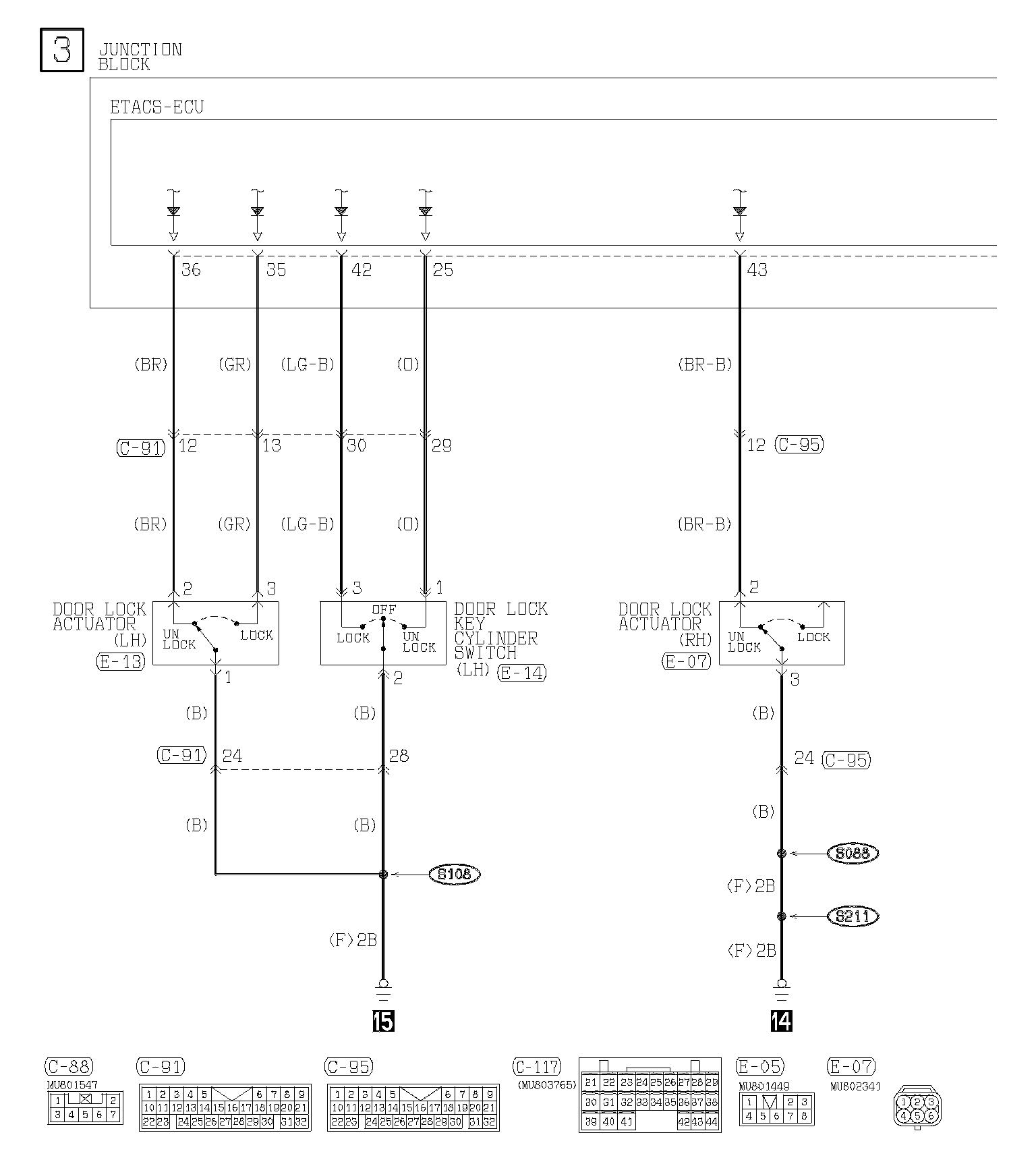
Central Door Locking System (Vehicles With Keyless Entry System (With Theft-Alarm System)) Part 2:




Central Door Locking System (Vehicles With Keyless Entry System (With Theft-Alarm System)) Part 3:




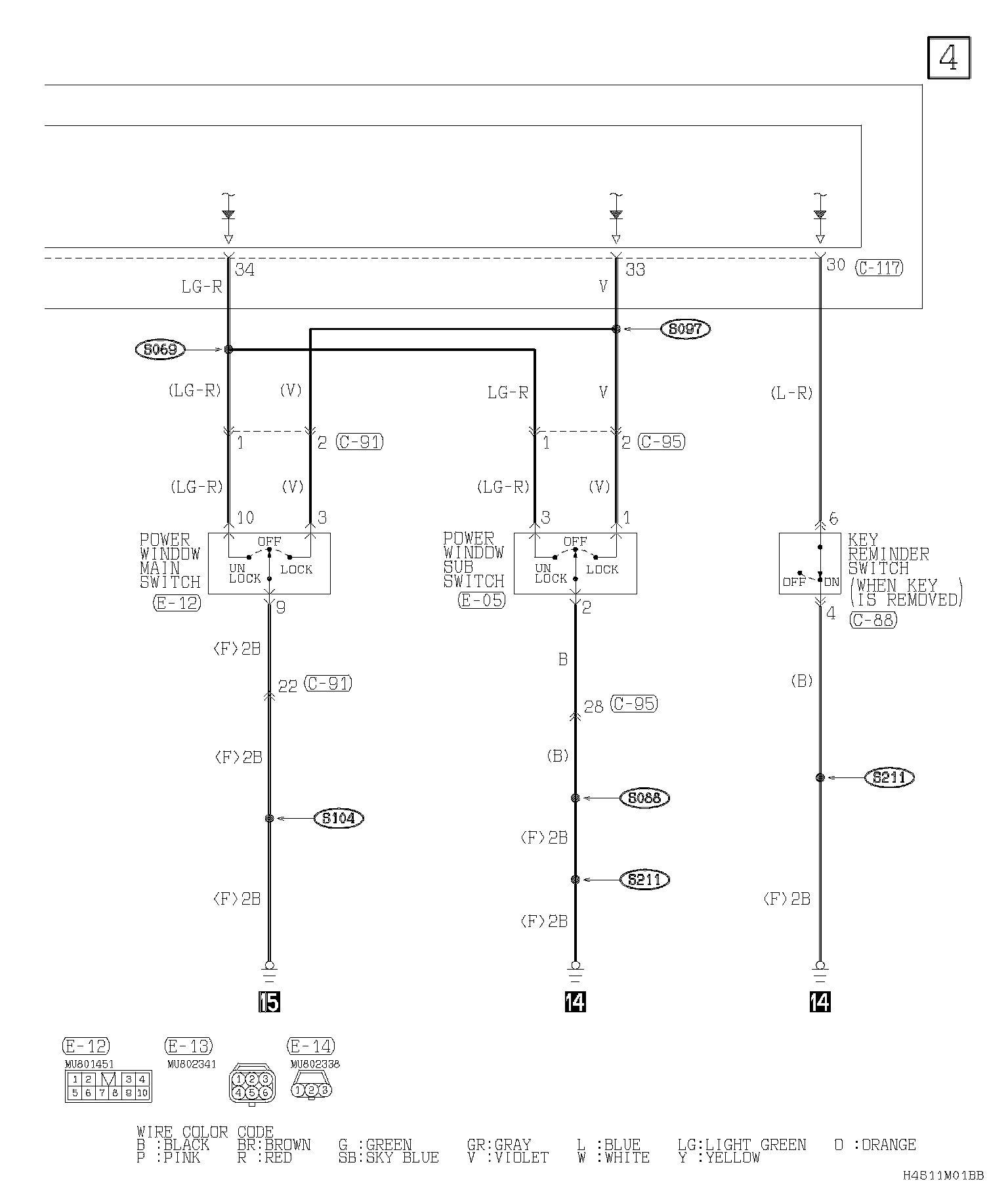
Central Door Locking System (Vehicles With Keyless Entry System (With Theft-Alarm System)) Part 4:




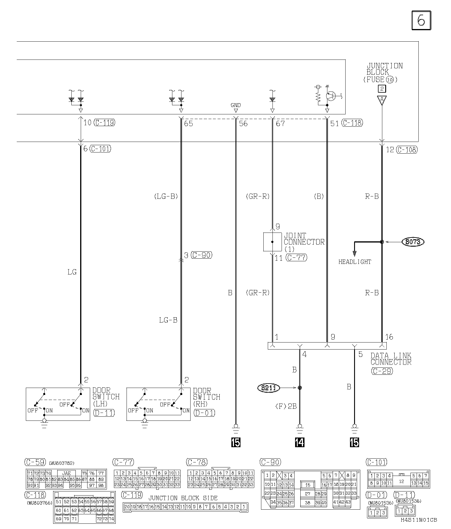
Central Door Locking System (Vehicles With Keyless Entry System (With Theft-Alarm System)) Part 5:




Central Door Locking System (Vehicles With Keyless Entry System (With Theft-Alarm System)) Part 6:




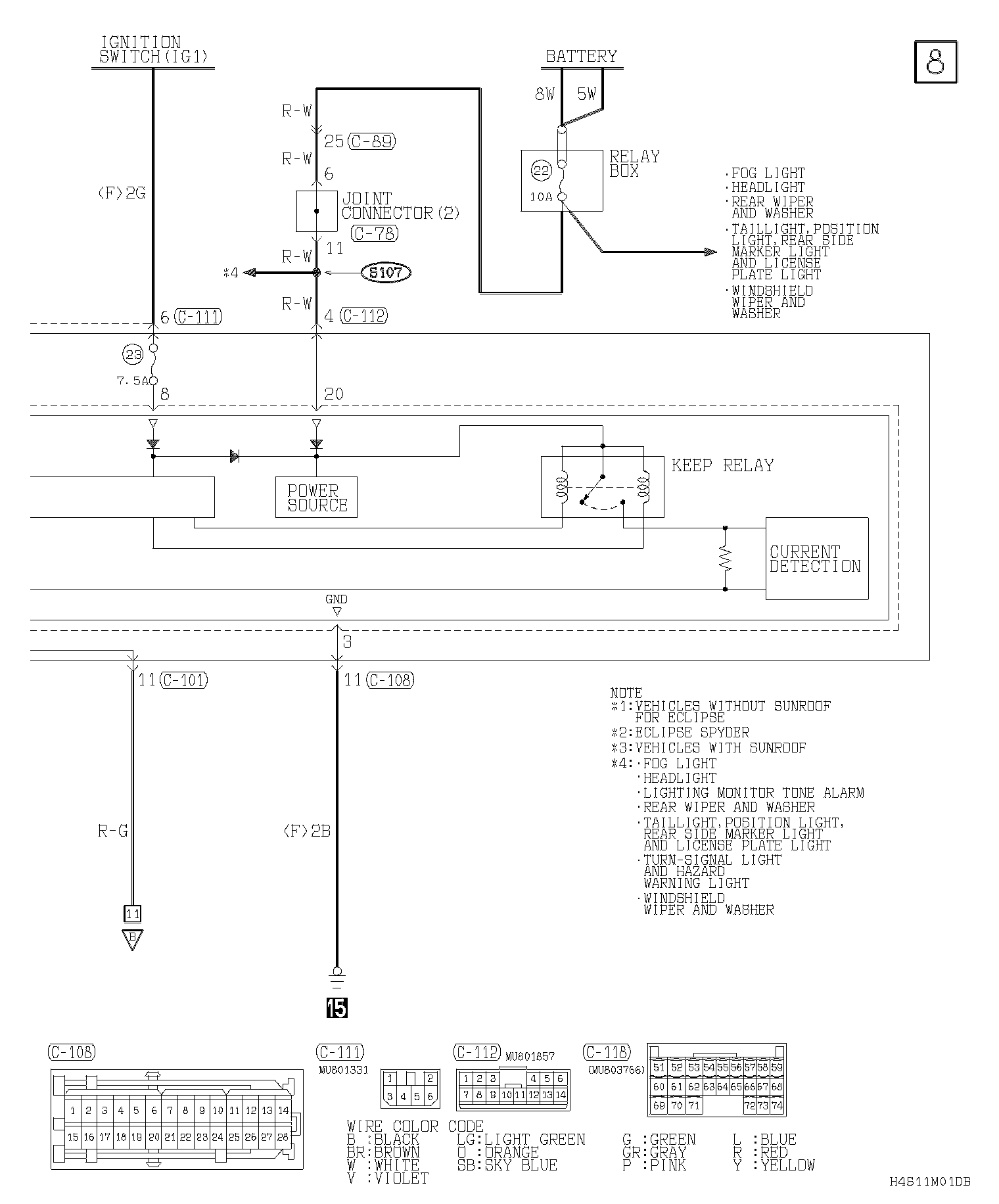
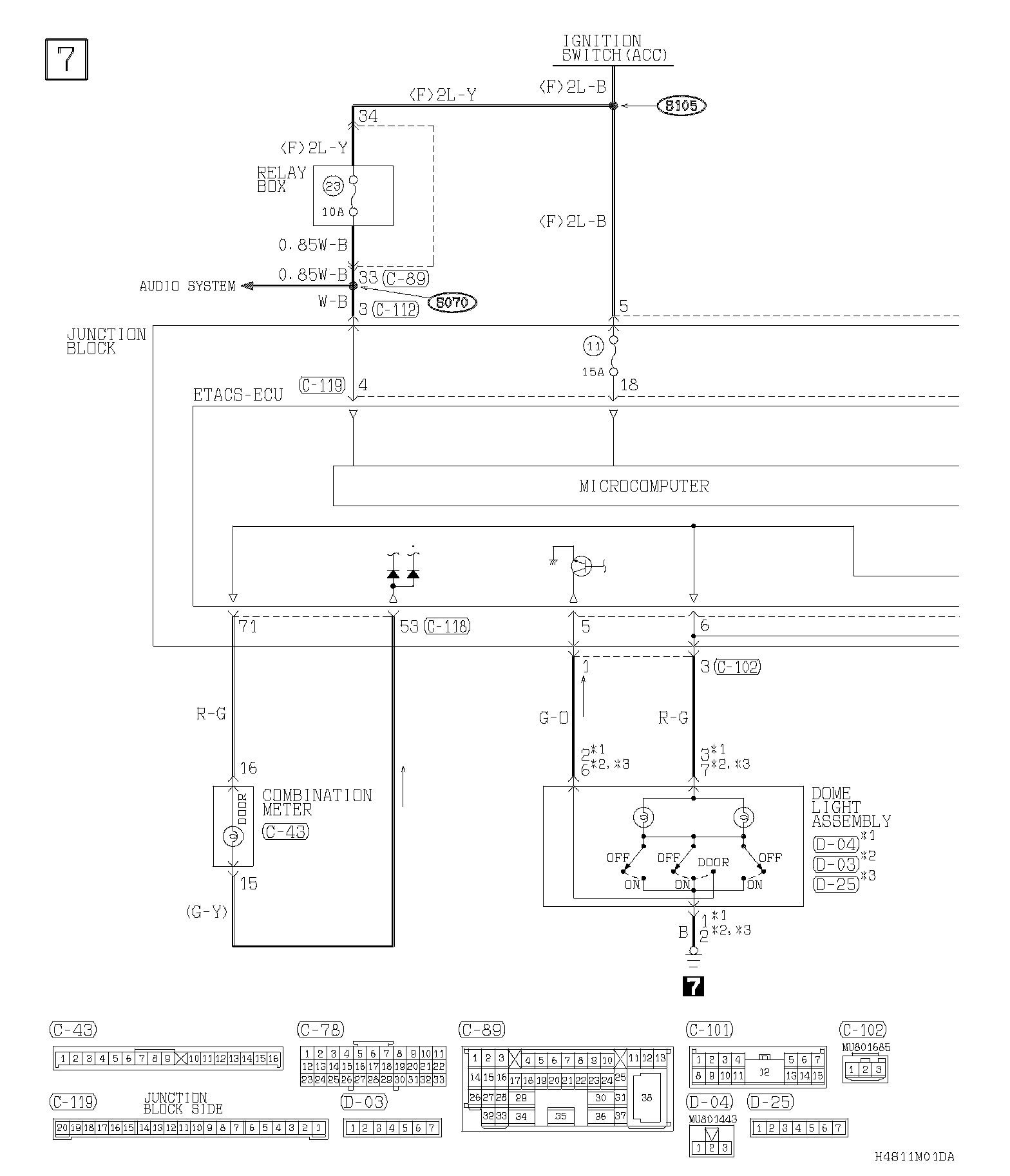
Central Door Locking System (Vehicles With Keyless Entry System (With Theft-Alarm System)) Part 7:




Central Door Locking System (Vehicles With Keyless Entry System (With Theft-Alarm System)) Part 8:




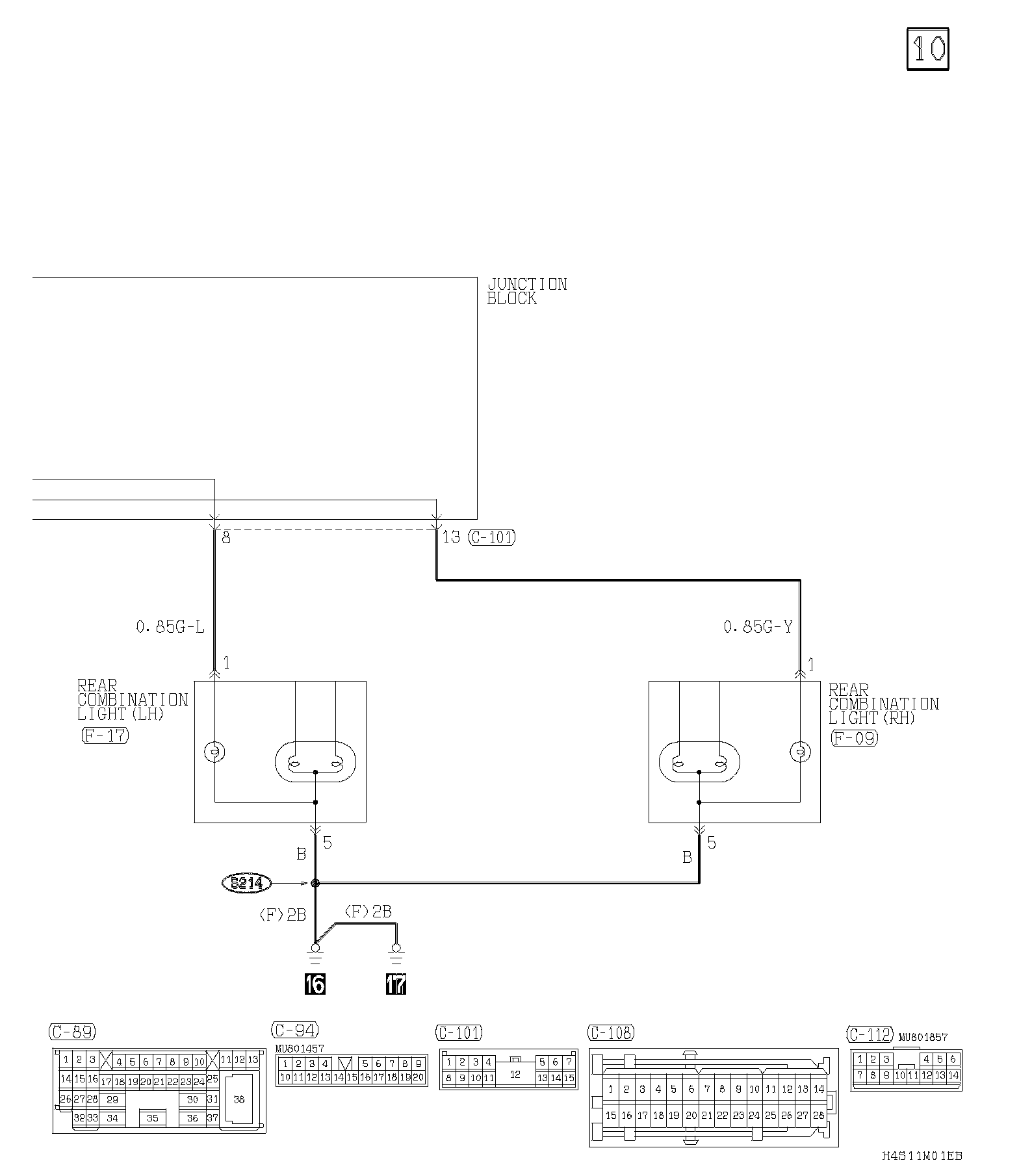
Central Door Locking System (Vehicles With Keyless Entry System (With Theft-Alarm System)) Part 9:




Central Door Locking System (Vehicles With Keyless Entry System (With Theft-Alarm System)) Part 10:




Central Door Locking System (Vehicles With Keyless Entry System (With Theft-Alarm System)) Part 11:






Connector/Component Locations: The locations of connectors and components referred to within these diagrams can be found via the connector number at Vehicle Connector Locations. Connector Locations

Ground Locations: The locations of grounds referred to within these diagrams can be found via the ground number at Vehicle Ground Locations. Ground Locations