Curiosii for ever!: Car repair manuals for everyone.

Recovery

Refrigerant Recovery

NOTE: Refer to that Refrigerant Recovery and Recycling Unit Instruction Manual for operation of the unit.


CAUTION: Air conditioning refrigerant or lubricant vapor can irritate your eyes, nose, or throat.
Be careful when connecting service equipment.
Do not breathe refrigerant or vapor.

Use only service equipment that is U.L.-listed and is certified to meet the requirements of SAE J2210 to remove HFC-134a (R-134a) from the air conditioning system.

If accidental system discharge occurs, ventilate work area before resuming service.

Additional health and safety information may be obtained from the refrigerant and lubricant manufacturers.








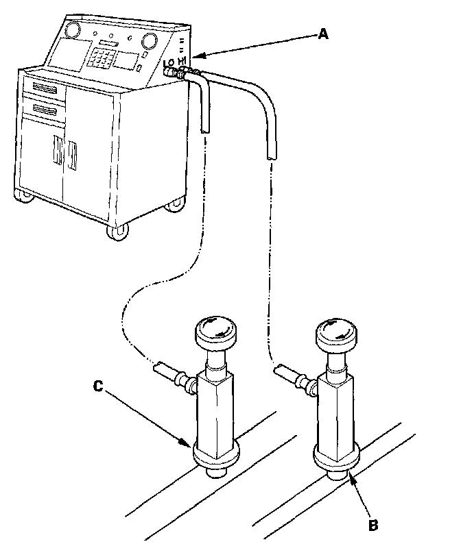
1. Connect a R-134a refrigerant recovery/recycling/charging station (A) to the high-pressure service port (B) and the low-pressure service port (C), as shown, following the equipment manufacturer's instructions.

2. Measure the amount of refrigerant oil removed from the A/C system after the recovery process is completed. Be sure to put the same amount of new refrigerant oil back into the A/C system before charging.