Curiosii for ever!
: Car repair manuals for everyone.
Home
>>
Mitsubishi
>>
2003
>>
Galant L4-2.4L SOHC
>>
Repair and Diagnosis
>>
Powertrain Management
>>
Emission Control Systems
>>
Exhaust Gas Recirculation
>>
Diagrams
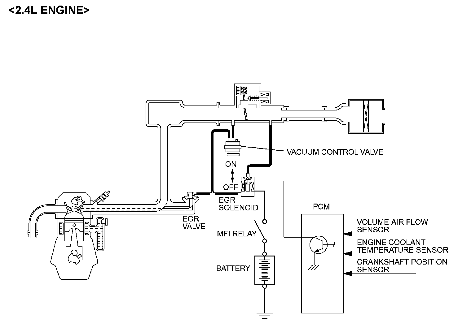
Exhaust Gas Recirculation: Diagrams
System Diagram: