Curiosii for ever!: Car repair manuals for everyone.

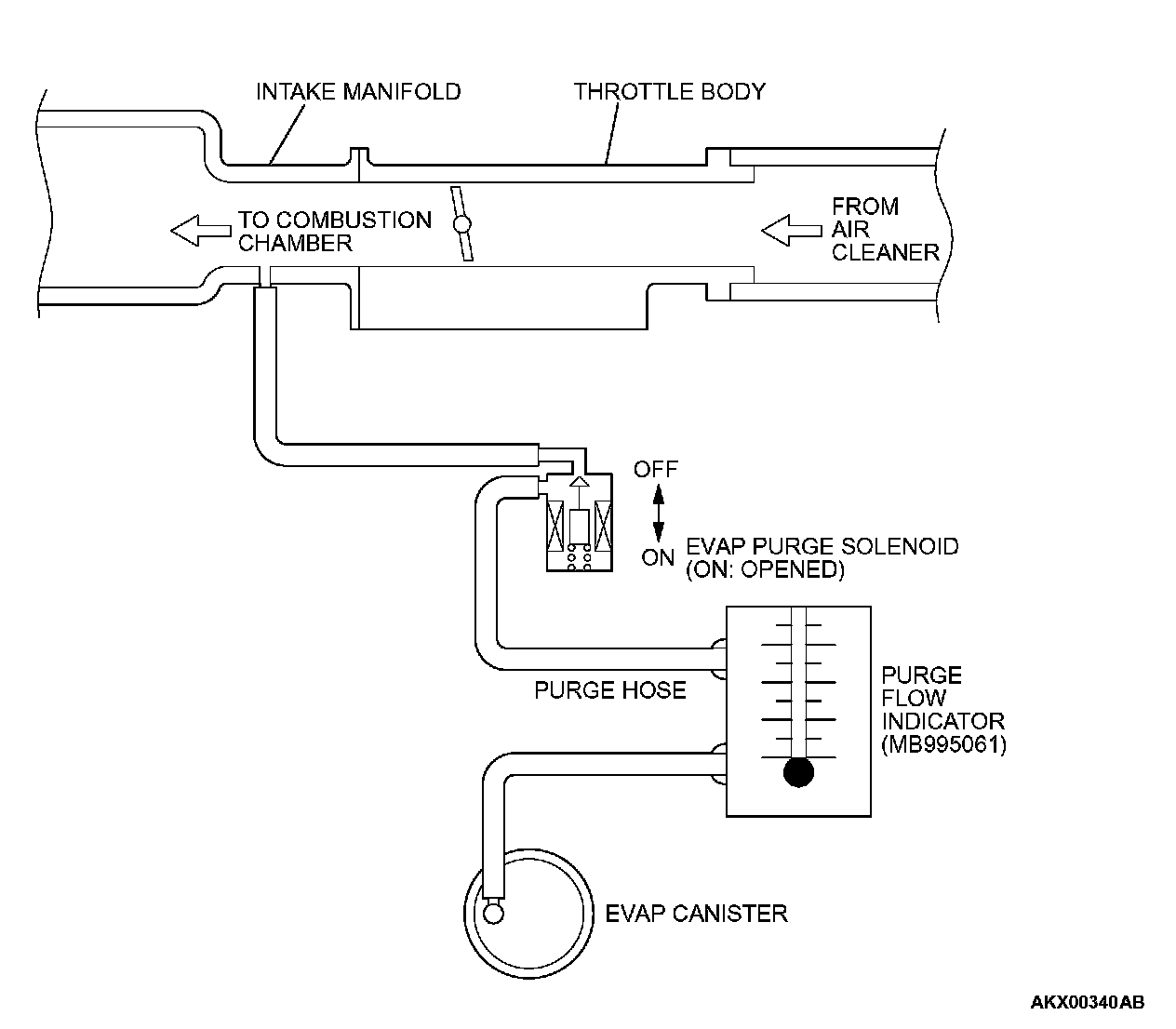
Purge Control System

Purge Control System Check (Purge Flow Check):




PURGE CONTROL SYSTEM CHECK (PURGE FLOW CHECK)

Required Special Tool:
MB995061: Purge flow indicator

1. Disconnect the purge hose from the evaporative emission (EVAP) purge solenoid, and connect the special tool MB995061 between the EVAP purge solenoid and the purge hose.
2. Before inspection and adjustment, set the vehicle in the following conditions:
- Engine coolant temperature: 80 - 95 °C (176 - 203 °F)
- Lights and accessories: OFF
- Transmission: P range
3. Run the engine at idle for more than four minutes.
4. Check the purge flow volume when the engine is revved several times.

Standard value: Momentarily 20 cu.cm/sec. (2.5 SCFH) or more.

5. If the purge flow volume is less than the standard value, check it again with the vacuum hose disconnected from the EVAP canister. If the purge flow volume is less than the standard value, check the vacuum port and the vacuum hose for clogging. Also check the evaporative emission purge solenoid. If the purge flow volume is at the standard value, replace the EVAP canister.