Curiosii for ever!: Car repair manuals for everyone.

Refueling Control Valve: Testing and Inspection

INSPECTION

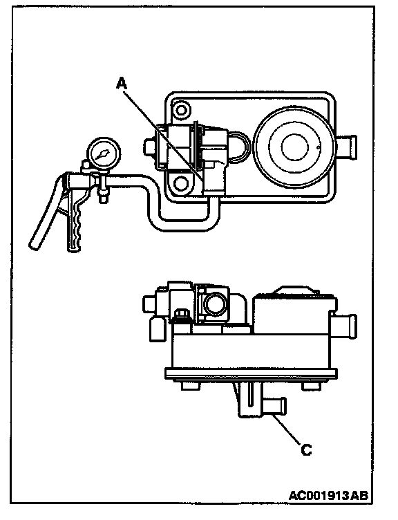
ORVR VENT VALVE MODULE CHECK




1. Blow air through ORVR vent valve module nipple (A). Check that the air flows out of nipple (B) and nipple (C).




2. Connect a hand vacuum pump to nipple (A) of the orvr vent valve module.
3. With air flow through nipple (C) obstructed, apply a vacuum and check that the vacuum is maintained.







4. Check air tightness by applying a vacuum with voltage applied directly from the battery to the orvr vent valve module and without applying voltage.




5. Measure the resistance between the terminals of the solenoid.

Standard value: 17 - 21 Ohm [at 20 °C (68 °F)]

6. Replace orvr vent valve module if resistance is out of specification