Curiosii for ever!: Car repair manuals for everyone.

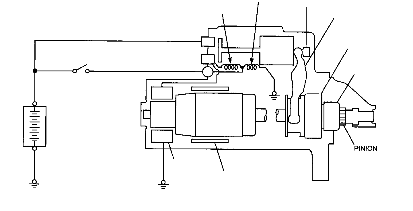
Starting System: Description and Operation




GENERAL DESCRIPTION
If the ignition switch is turned to the "START" position, current flows in the coil provided inside magnetic switch, attracting the plunger. When the plunger is attracted, the lever connected to the plunger is actuated to engage the overrunning clutch with the ring gear.

At the same time, attracting the plunger will turn on the magnetic switch, allowing the B terminal and M terminal to conduct. Thus, current flows to engage the starter motor.

When the ignition switch is returned to the "ON" position after starting the engine, the overrunning clutch is disengaged from the ring gear.

An overrunning clutch is provided between the pinion and the armature shaft, to prevent damage to the starter.

OPERATION
- For models equipped with M/T, the clutch pedal position switch contact is switched OFF when the clutch pedal is depressed. When the ignition switch is then switched to the "ST" position, electricity flows to the starter relay and the starter motor, the contact (magnetic switch) of the starter is switched ON and the starter motor is activated.

NOTE: If the ignition switch is switched to the "ST" position without the clutch pedal being depressed, electricity flows to the starter relay (coil), the clutch pedal position switch (contacts) and to ground, with the result that the contacts of the starter relay are switched OFF, and because the power to the starter motor is thereby interrupted, the starter motor in not activated.

- For models equipped with A/T, when the ignition switch is switched to the "ST" position while the selector lever is at the "P" or "N" position, the contact (magnetic switch) of the starter is switched ON and the starter motor is activated.