Curiosii for ever!: Car repair manuals for everyone.

Inspection Procedure 29

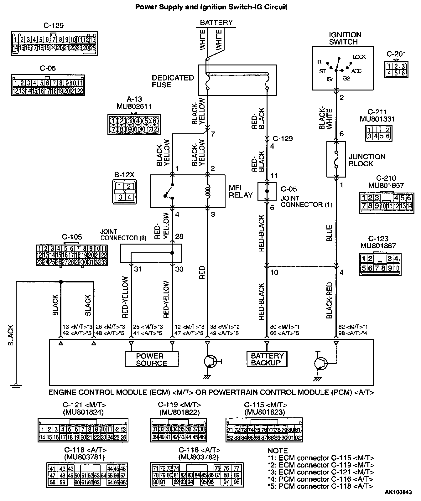
Power Supply System and Ignition Switch-IG System

Power Supply And Ignition Switch-IG Circuit:




Connectors:






CIRCUIT OPERATION
- Battery positive voltage is applied to the MFI relay (terminals 1, 2).
- When the ignition switch is turned to the "ON" position, the battery positive voltage is applied to the ECM (terminal 82) or PCM (terminal 98) . When the battery positive voltage is applied, the ECM or PCM turns the power transistor in the ECM or PCM "ON" and grounds the MFI relay coil. With this, the MFI relay turns "ON" and the battery positive voltage is supplied to the ECM (terminal 12, 25) or PCM (terminal 41, 47) from the MFI relay (terminal 4).
- Battery positive voltage is constantly supplied to the ECM (terminal 80) or PCM (terminal 66)
as the backup power.
- The ECM (terminal 13, 26) or PCM (terminals 42, 48)
is grounded to the vehicle body.

TROUBLESHOOTING HINTS (The most likely causes for this code to be set are:)
- Malfunction of the
ignition switch.
- Malfunction of the MFI relay.
- Improper connector contact, open circuit or short- circuited harness wire.
- Disconnected ECM or PCM ground wire.
- Malfunction of the ECM or PCM
.

DIAGNOSIS




STEP 1. Check connector B-12X at MFI relay for damage.

Q: Is the connector in good condition?

YES: Go to Step 2.

NO: Repair or replace it. Refer to Harness Connector Inspection. Then confirm that the malfunction symptom is eliminated.

STEP 2. Check the MFI relay.




1. Remove the MFI relay.




2. Check for continuity between the MFI relay terminals 2 and 3.
- There should be continuity. (approximately 70 ohm)




3. Use jumper wires to connect MFI relay terminal 2 to the positive battery terminal and terminal 3 to the negative battery terminal.
4. Check the continuity between the MFI relay terminals 1 and 4 while connecting and disconnecting the jumper wire at the negative battery terminal.
- Should be less than 2 ohm. (Negative battery terminal connected)
- Should be open loop. (Negative battery terminal disconnected)

5. Install the MFI relay.

Q: Is the voltage normal?

YES: Go to Step 3.

NO: Replace the MFI relay. Then confirm that the malfunction symptom is eliminated.

STEP 3. Check the power supply voltage at MFI relay harness side connector B-12X.
1. Disconnect the connector B-12X and measure at the harness side.




2. Measure the voltage between terminal 1, 2 and ground.
- Voltage should be battery positive voltage.

Q: Is the voltage normal?

YES: Go to Step 4.

NO: Check harness connector A-13 at intermediate connector for damage, and repair or replace as required. Refer to, Harness Connector Inspection. If intermediate connector is in good condition, repair harness wire between dedicated fuse (3) and MFI relay connector B-12X terminal 1, 2 because of open circuit. Then confirm that the malfunction symptom is eliminated.




STEP 4. Check connector C-115 at ECM or connector C-116 at PCM
for damage.

Q: Is the connector in good condition?

YES: Go to Step 5.

NO: Repair or replace it. Refer to Harness Connector Inspection. Then confirm that the malfunction symptom is eliminated.

STEP 5. Check the
ignition switch-IG signal voltage at ECM harness side connector C-115 or PCM harness side connector C-116 .
1. Disconnect the connector C-115 or C-116
and measure at the harness side.
2. Turn the
ignition switch to the "ON" position.







3. Measure the voltage between terminal 82 or 98 and ground.
- Voltage should be battery positive voltage.

4. Turn the
ignition switch to the "LOCK" (OFF) position.

Q: Is the voltage normal?

YES: Go to Step 6.

NO: Check harness connector C-123, C-210 and C-211 at intermediate connector for damage, and repair or replace as required. Refer to, Harness Connector Inspection. If intermediate connectors are in good condition repair harness wire between ignition switch connector C-201 terminal 2 and ECM connector C-115 terminal 82 or PCM connector C-116 terminal 98 because of open circuit. Then confirm that the malfunction symptom is eliminated.

STEP 6. Check the backup power supply voltage at ECM harness side connector C-115 or PCM harness side connector C-118
.
1. Disconnect the connector C-115 or C-118
and measure at the harness side.







2. Measure the voltage between terminal 80 or 66
and ground.
- Voltage should be battery positive voltage.

Q: Is the voltage normal?

YES: Go to Step 7.

NO: Check harness connector C-05, C-123 and C-129 at intermediate connector for damage, and repair or replace as required. Refer to, Harness Connector Inspection. If intermediate connectors are in good condition, repair harness wire between dedicated fuse (4) and ECM connector C- 115 terminal 80 or PCM connector C-118 terminal 66
because of open circuit. Then confirm that the malfunction symptom is eliminated

STEP 7. Check the continuity at ECM harness side connector C-121 or PCM harness side connector C-118
.
1. Disconnect the connector C-121 or C-118
and measure at the harness side.







2. Check for the continuity between terminal (13, 26) or (42, 48)
and ground.
- Should be less than 2 ohm.

Q: Is the continuity normal?

YES: Go to Step 8.

NO: Repair harness wire between ECM connector C-121 terminal (13, 26) or PCM connector C-118 terminal (42, 48)
and ground because of open circuit. Then confirm that the malfunction symptom is eliminated.

STEP 8. Check the power supply voltage at ECM harness side connector C-119 or PCM harness side connector C-118
.
1. Disconnect the connector C-119 or C-118
and measure at the harness side.







2. Measure the voltage between terminal 38 or 49
and ground.
- Voltage should be battery positive voltage.

Q: Is the voltage normal?

YES: Go to Step 9.

NO: Repair harness wire between MFI relay connector B-12X terminal 3 and ECM connector C-119 terminal 38 or PCM connector C-118 terminal 49
because of open circuit. Then confirm that the malfunction symptom is eliminated.

STEP 9. Check the power supply voltage at ECM harness side connector C-121, C-119 or PCM harness side connector C-118
.
1. Disconnect the connector C-121, C-119 or C-118
and measure at the harness side.







2. Using a jumper wire, connect terminal 38 or 49
to ground.
3. Measure the voltage between terminal (12, 25) or (41, 47)
and ground.
- Voltage should be battery positive voltage.

Q: Is the voltage normal?

YES: Replace the ECM or PCM. Then confirm that the malfunction symptom is eliminated.

NO: Check connector C-105 at intermediate connector for damage, and repair or replace as required. Refer to Harness Connector Inspection. If intermediate connector is in good condition, repair harness wire between MFI relay connector B-12X terminal 4 and ECM connector C-121 terminal (12, 25) or PCM connector C-118 terminal (41, 47)
because of open circuit. Then confirm that the malfunction symptom is eliminated.