Curiosii for ever!
: Car repair manuals for everyone.
Home
>>
Mitsubishi
>>
2000
>>
Diamante ES Sedan V6-3.5L SOHC
>>
Repair and Diagnosis
>>
Cruise Control
>>
Service and Repair
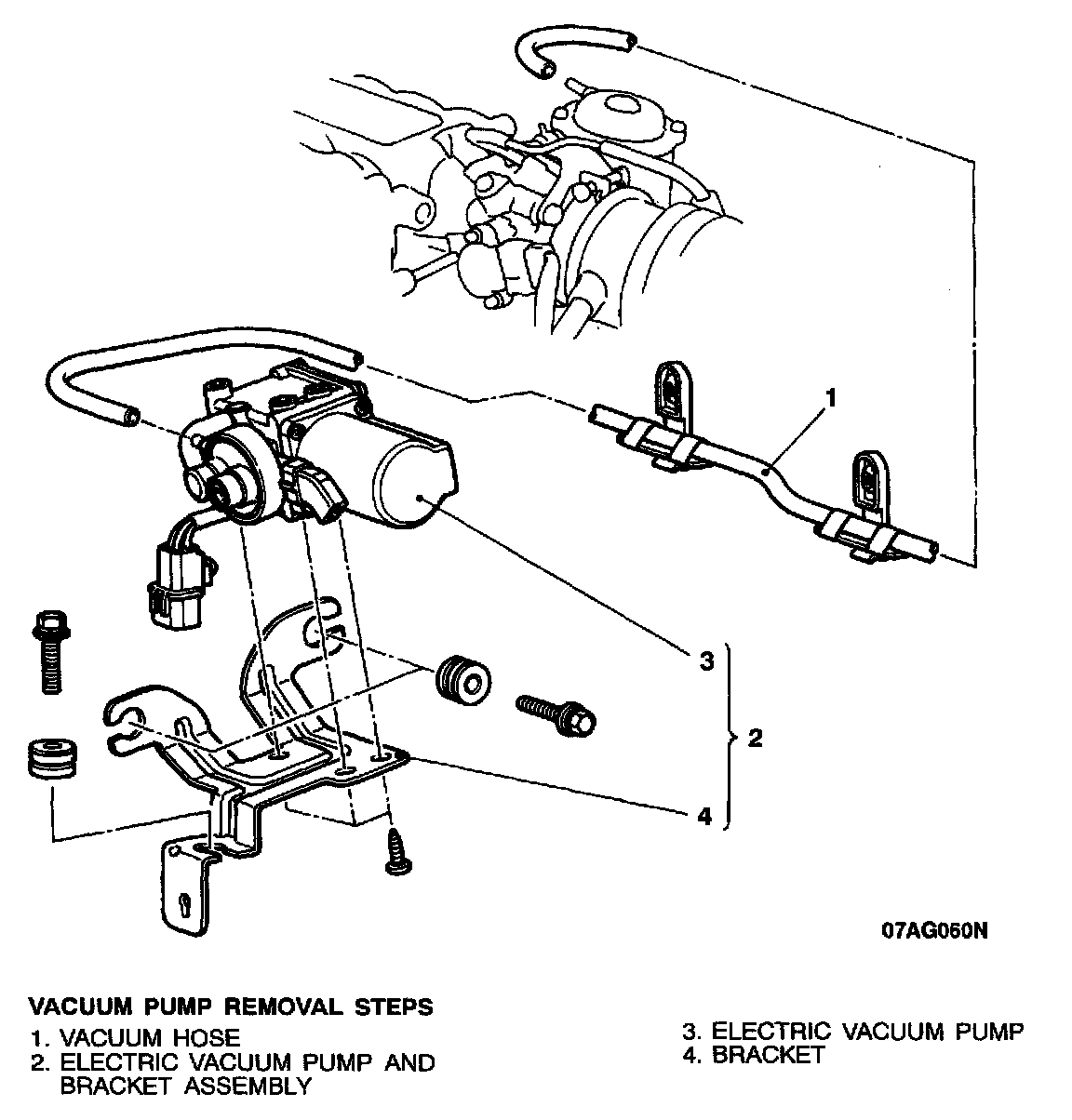
Cruise Control: Service and Repair