Curiosii for ever!: Car repair manuals for everyone.

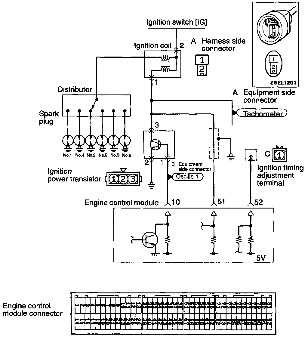
Ignition Coil and Ignition Power Transistor

OPERATION




- When the ignition power transistor unit is switched ON by the signals from the engine control module, the primary current of the ignition coil will flow. When the ignition power transistor unit is switched OFF, the primary current flow is interrupted, and high voltage is produced at the secondary coil.




- When the engine control module switches OFF the transistor within the unit, the battery voltage within the module is applied to the ignition power transistor unit, and the ignition power transistor unit is switched ON. In addition, the ignition power transistor unit is switched OFF when the engine control module switches ON the transistor within the module.

INSPECTION




Using Scan Tool




(Ignition timing adjustment mode)




(Standard ignition timing)







Using Oscilloscope
1. Primary signal of ignition coil
(1) Run the engine at an idle speed.
(2) Connect the probe to oscilloscope pick-up point 1 as shown in the circuit diagram, and check the primary signal of the ignition coil.
2. Control signal of ignition power transistor Connect the probe to oscilloscope pick-up point 2 as shown in the circuit diagram, and check the control signal of the ignition power transistor.

HARNESS INSPECTION




STEP 1: Measure the power supply voltage of the ignition coil.
- Connector: Disconnected
- Ignition switch: ON
Voltage (V): Battery positive voltage
OK: GO TO STEP 2
NG: Repair the harness. (A2-Ignition switch)




STEP 2: Check for continuity between the ignition power transistor unit and ignition coil.
- Ignition coil connector: Disconnected
- Ignition power transistor connector: Disconnected
OK: GO TO STEP 3
NG: Repair the harness. (B3-A1)




STEP 3: Check for open-circuit or short circuit to ground between ignition coil and engine control module.
- Ignition coil connector: Disconnected
- Engine control module connector: Disconnected
OK: GO TO STEP 4
NG: Repair the harness. (A2-51)




STEP 4: Check for continuity of the ground circuit of the ignition power transistor.
- Ignition power transistor connector: Disconnected
- Engine control module connector: Disconnected
OK: GO TO STEP 5
NG: Repair the harness. (B2-Ground)




STEP 5: Measure the control signal voltage of the ignition power transistor.
- Ignition power transistor connector: Disconnected
- Ignition switch: START
Voltage: 2.0-6.0 V
OK: GO TO STEP 6
NG: Repair the harness. (B1-10)




STEP 6: Measure the voltage of the ignition timing adjusting terminal.
- Ignition switch: ON
Voltage: 4.0-5.2 V
OK: STOP
NG: Repair the harness. (C1 -52)