Curiosii for ever!
: Car repair manuals for everyone.
Home
>>
Mitsubishi
>>
1996
>>
Eclipse Spyder FWD L4-2350cc 2.4L SOHC 16 Valve
>>
Repair and Diagnosis
>>
Relays and Modules
>>
Relays and Modules - Powertrain Management
>>
Relays and Modules - Computers and Control Systems
>>
Engine Control Module
>>
Diagrams
>>
Electrical Diagrams
Electrical Diagrams
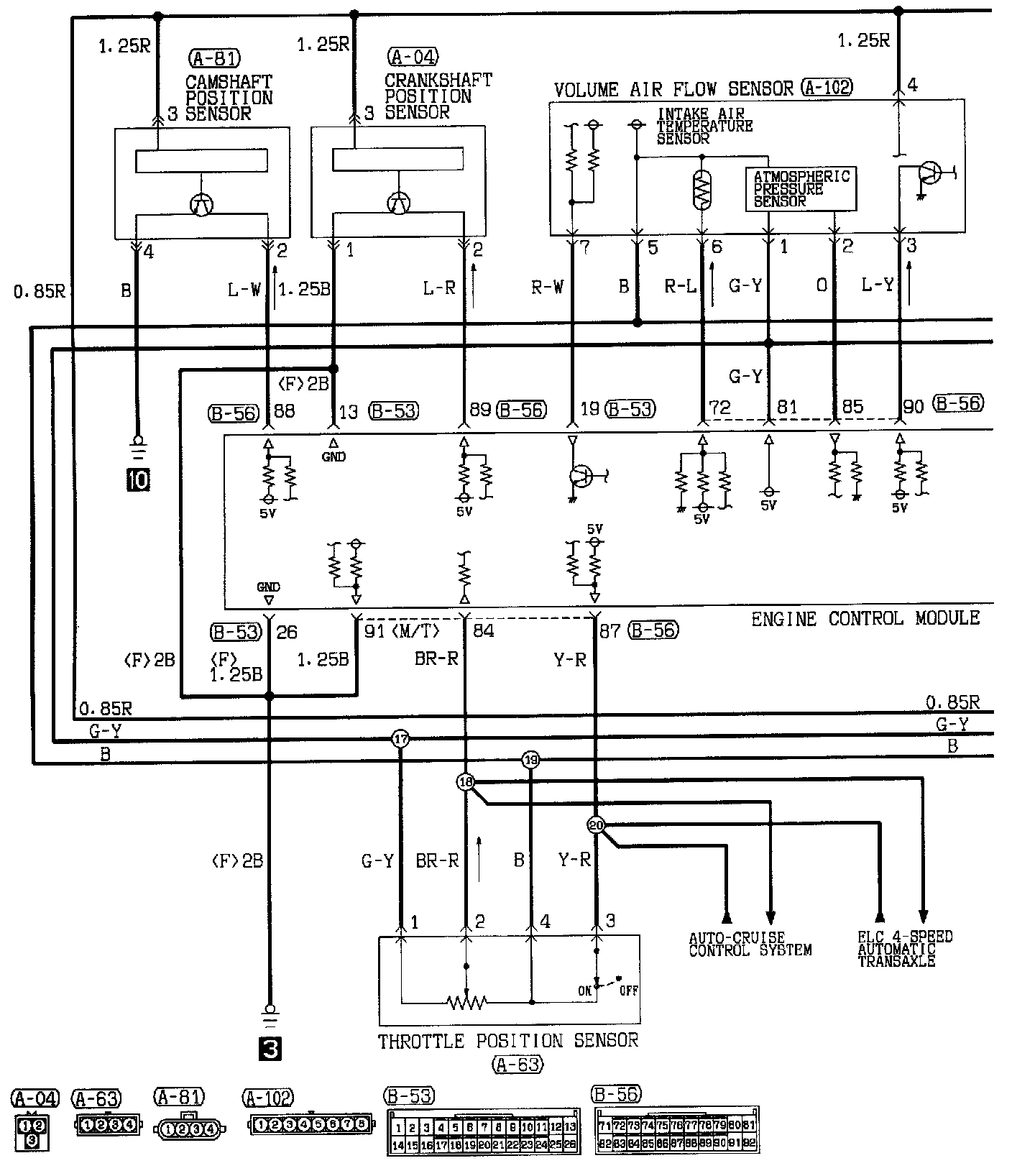
MFI System (1 Of 8):
MFI System (2 Of 8):
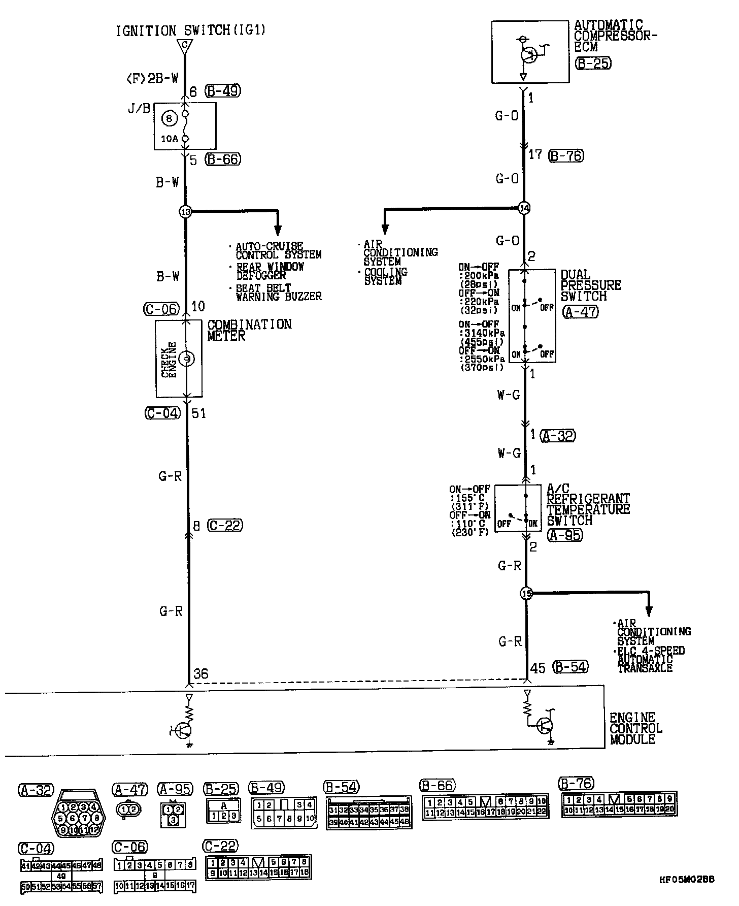
MFI System (3 Of 8):
MFI System (4 Of 8):
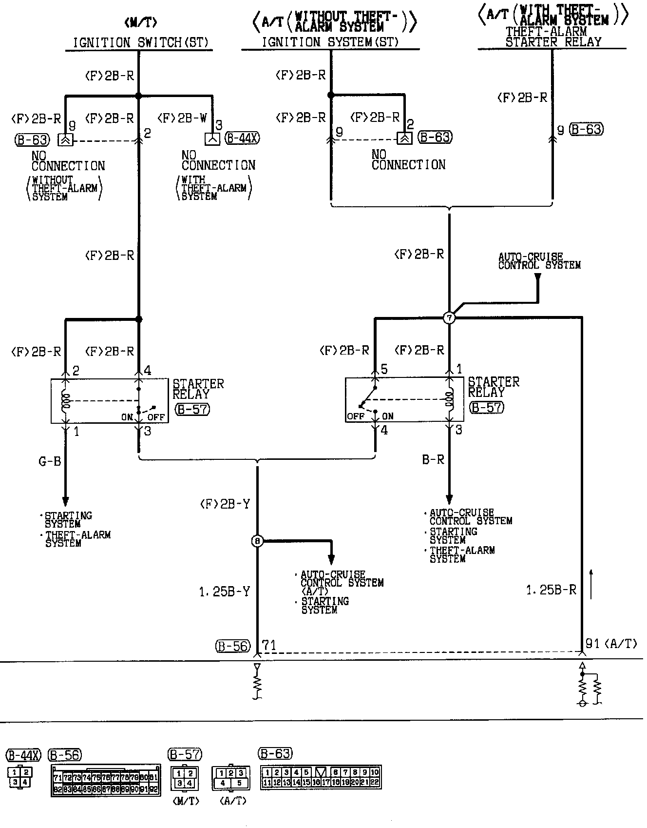
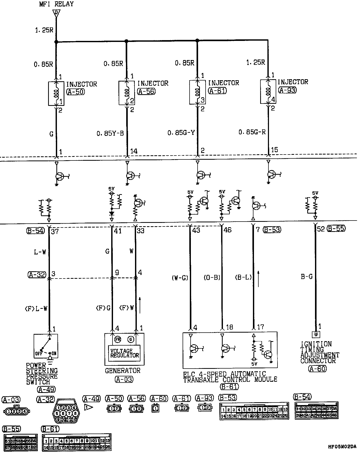
MFI System (5 Of 8):
MFI System (6 Of 8):
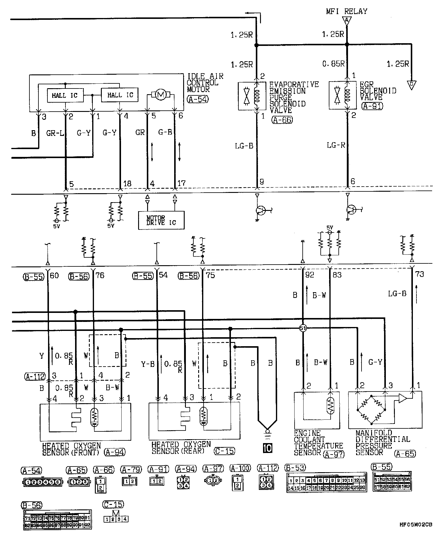
MFI System (7 Of 8):
MFI System (8 Of 8):