Curiosii for ever!
: Car repair manuals for everyone.
Home
>>
Mitsubishi
>>
1996
>>
Eclipse L4-1996cc 2.0L DOHC
>>
Repair and Diagnosis
>>
Powertrain Management
>>
Emission Control Systems
>>
Diagrams
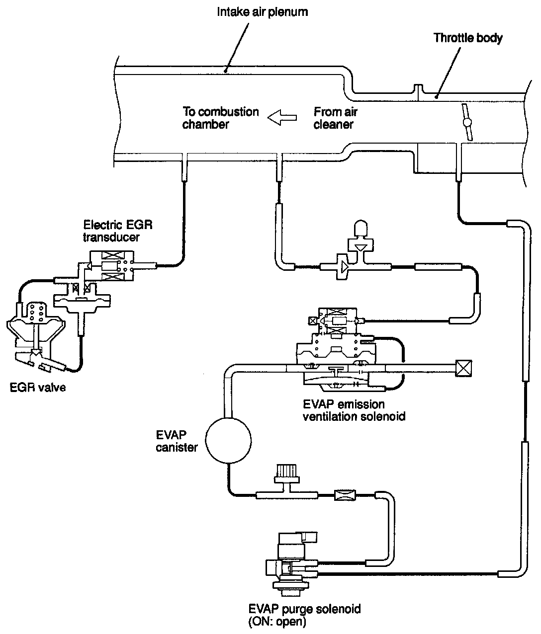
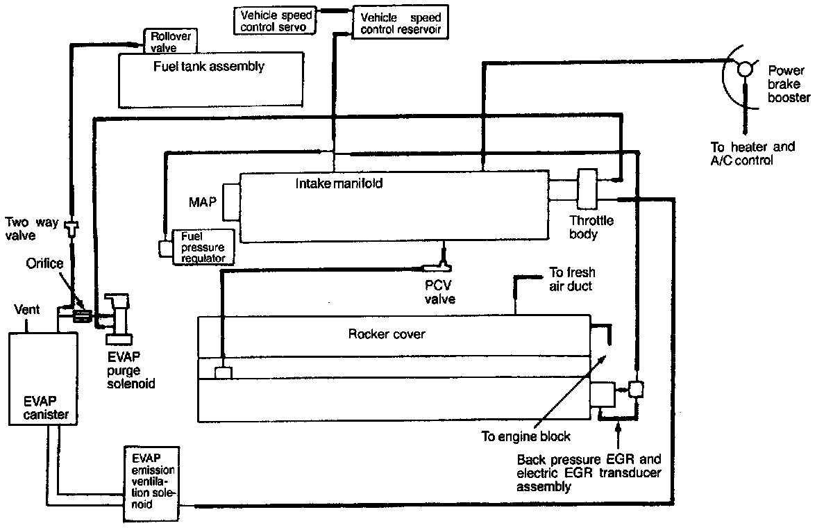
Emission Control Systems: Diagrams
Vacuum Hose Routing