Curiosii for ever!
: Car repair manuals for everyone.
Home
>>
Mitsubishi
>>
1996
>>
Eclipse L4-1996cc 2.0L DOHC
>>
Repair and Diagnosis
>>
Diagrams
>>
Exploded Views
>>
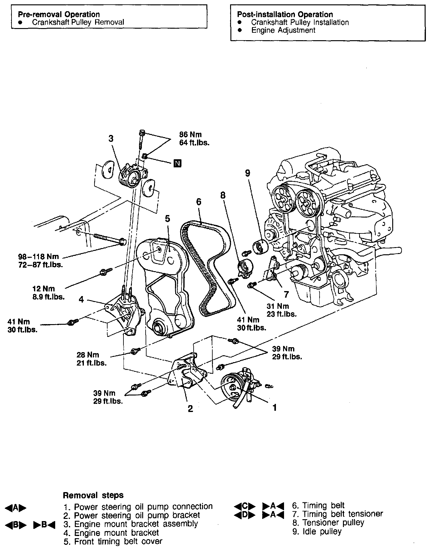
Timing Belt
Timing Belt