Curiosii for ever!
: Car repair manuals for everyone.
Home
>>
Mitsubishi
>>
1995
>>
Galant L4-2350cc 2.4L SOHC
>>
Repair and Diagnosis
>>
Diagrams
>>
Electrical Diagrams
>>
Computers and Control Systems
>>
Engine Control Module
>>
MFI System
>>
Federal
Federal
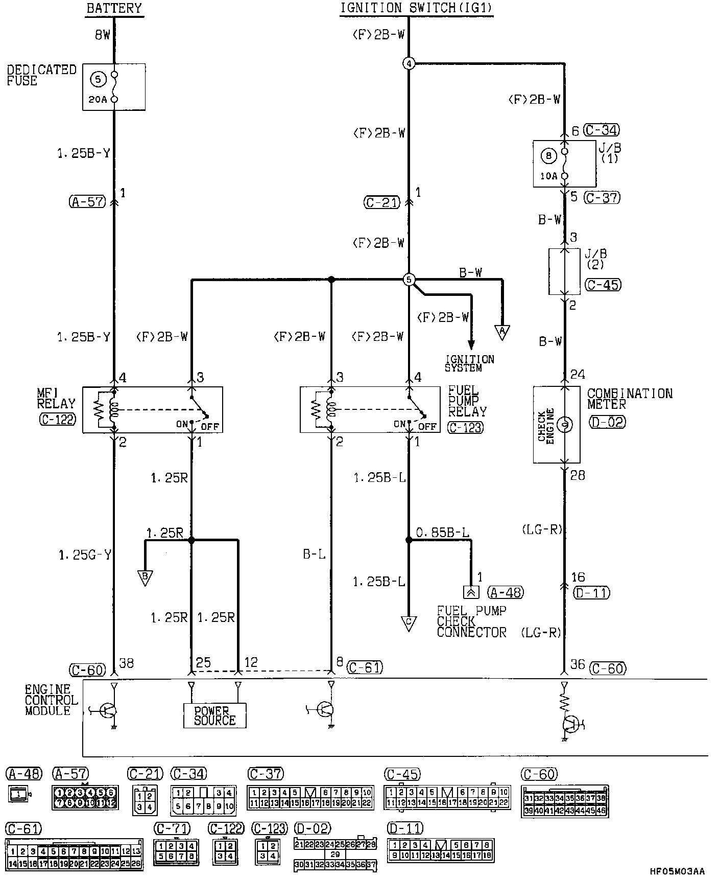
MFI System (Part 1 Of 6):
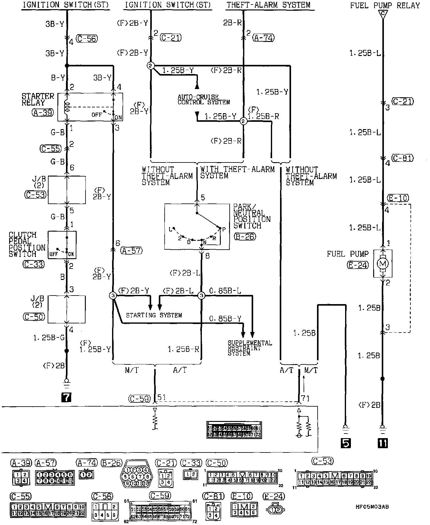
MFI System (Part 2 Of 6):
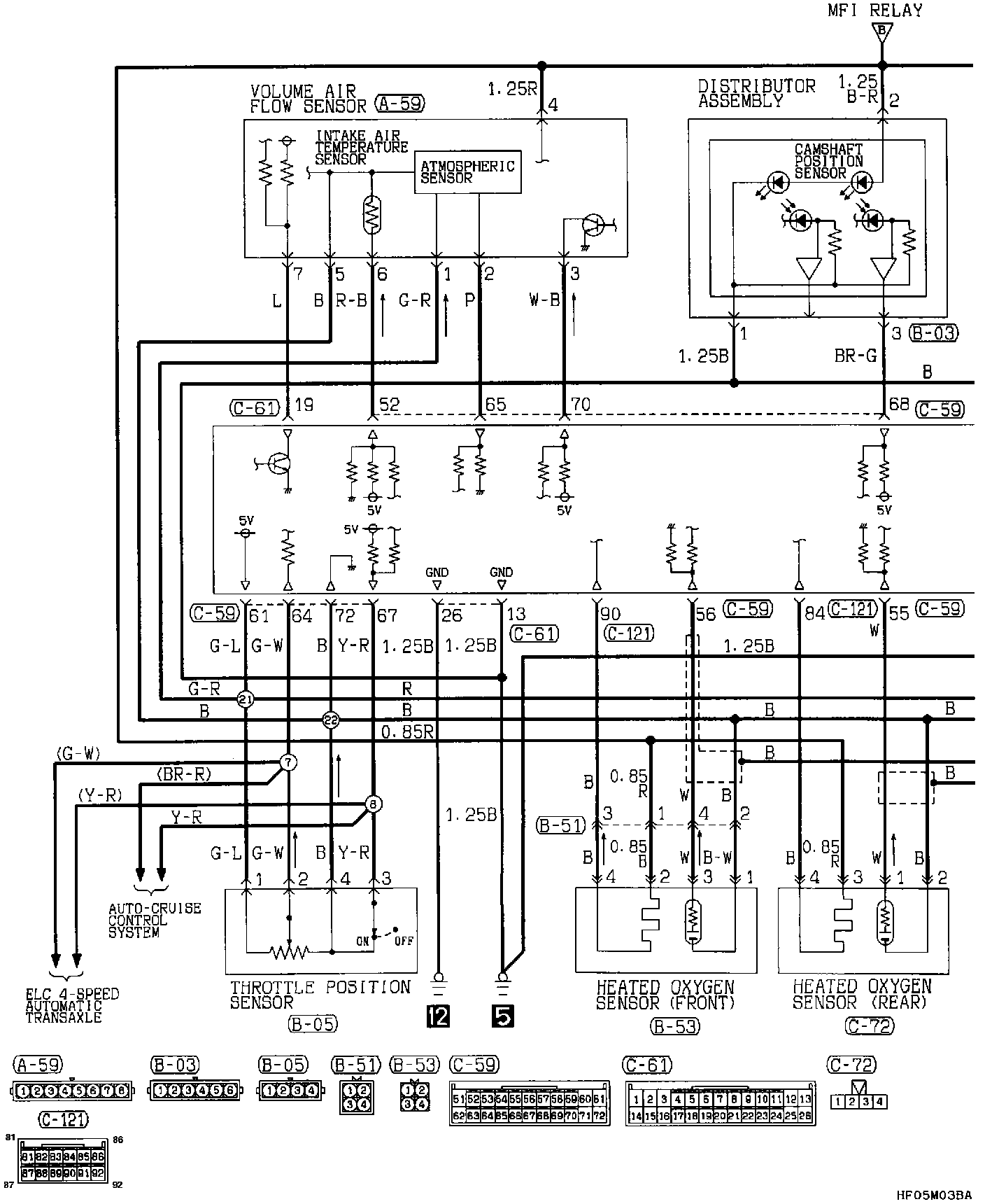
MFI System (Part 3 Of 6):
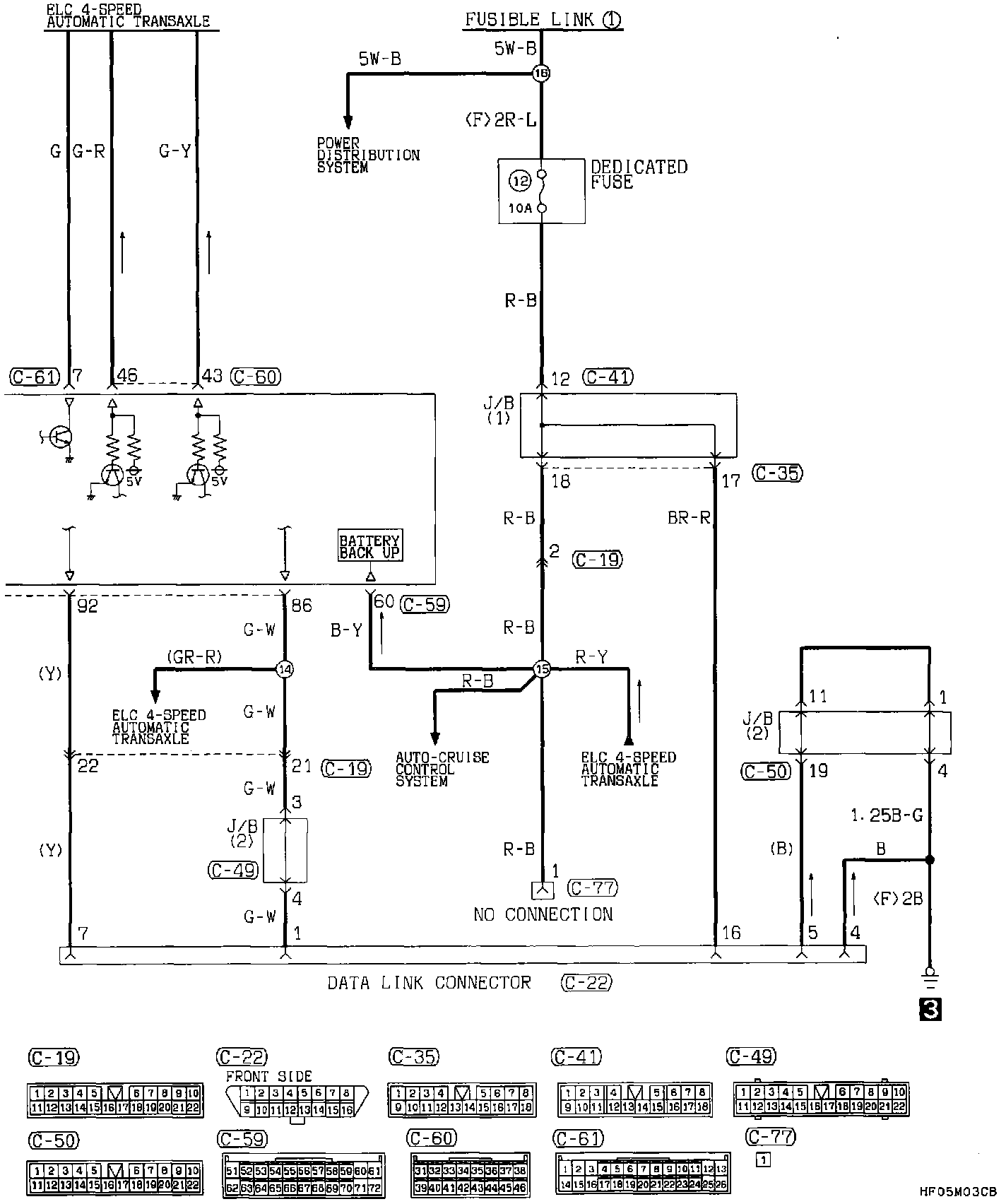
MFI System (Part 4 Of 6):
MFI System (Part 5 Of 6):
MFI System (Part 6 Of 6):