Curiosii for ever!
: Car repair manuals for everyone.
Home
>>
Mitsubishi
>>
1995
>>
Expo AWD L4-2350cc 2.4L SOHC 16 Valve
>>
Repair and Diagnosis
>>
Powertrain Management
>>
Computers and Control Systems
>>
Engine Control Module
>>
Diagrams
>>
Electrical Diagrams
>>
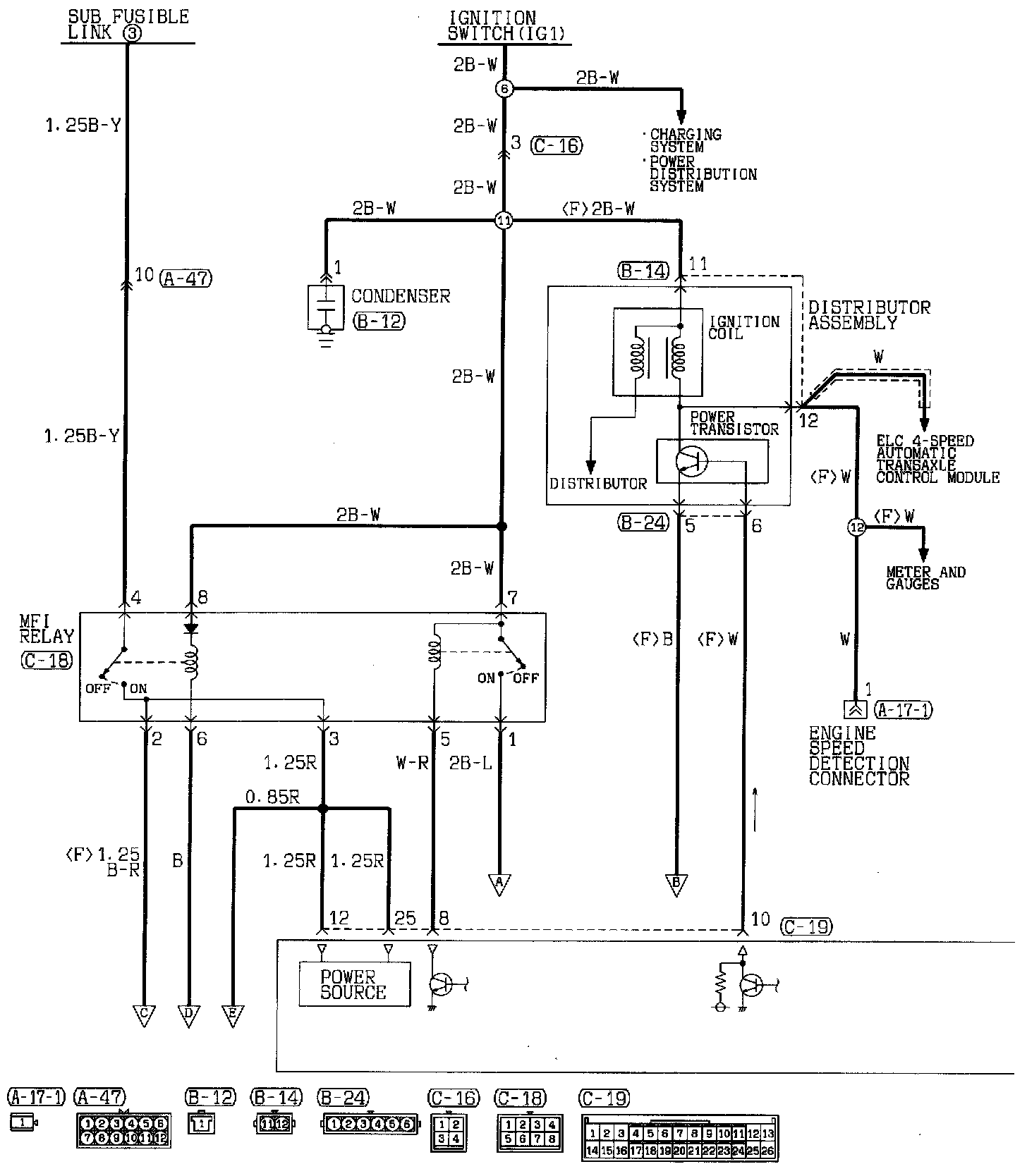
System Diagram
>>
California
California
Part 1 Of 7:
Part 2 Of 7:
Part 3 Of 7:
Part 4 Of 7:
Part 5 Of 7:
Part 6 Of 7:
Part 7 Of 7: