Curiosii for ever!: Car repair manuals for everyone.

Oxygen Sensor: Testing and Inspection

INSPECTION








Using Scan tool

Check Item: Oxygen Sensor.
Data Display: Sensor voltage.
Check Conditions: Engine warmed-up, (make the mixture lean by engine speed reduction, and rich by racing).
- When sudden deceleration from 4,000 rpm: should read 200 m volts or lower.
- hen engine is suddenly raced: 600 - 1,000 m volts.

Check Item: Oxygen Sensor.
Data Display: Sensor voltage.
Check Conditions: Engine warmed-up, (using the oxygen sensor signal, check the air/fuel mixture ratio, and also check the condition of control by the Engine Control Module).
- At 750 rpm (Idle) should read 400 m volts or lower - (changes).
- At 2,000 rpm should read 600 - 1,000 m volts.

Sensor Inspection





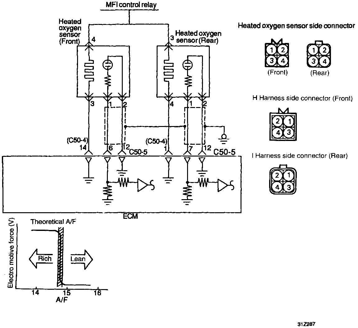
1. Disconnect the Heated Oxygen Sensor connector, and measure the resistance between terminal 3 and terminal 4.

At 400°C (752°F): 30 ohms or more.

2. Replace the Heated Oxygen Sensor if there is malfunction.
3. Apply battery voltage directly between terminal 3 and terminal 4.

NOTE: Take care when applying the voltage, because damage will result if the terminals are incorrect or are short circuited.
4. Connect a digital-type voltmeter between terminal 1 and terminal 2.
5. While repeatedly racing the engine, measure the Heated Oxygen Sensor HO2S output voltage.

With engine racing: Min. 0.6 volts.

6. If there is a problem, it is probable that there is a malfunction of Heated Oxygen Sensor.

Harness Inspection Procedure





1. Measure the power supply voltage of the Oxygen Sensor.
- Connector disconnected.
- Ignition switch ON.
- Voltage should read system voltage.

If OK - go to step 2.
If not OK - Repair The harness (H 4, I 3 MFI control relay).





2. Check for an open-circuit, or a short-circuit of ground between the Engine Control Module and the Oxygen Sensor.
- Heated Oxygen Sensor connector disconnected.
- Engine Control Module connector disconnected.

If OK - go to step 3.
If not OK - Repair the harness (H 1 - 050-5 6) (I 1 - C50-5 7).





3. Check for continuity of the ground circuit.
- Connector disconnected.

If OK - END.
If not OK - Repair the harness. (H2, I2 - C50-5 12) (H 3 - C50-4 14) (I 4 - C50-4 1)