Curiosii for ever!: Car repair manuals for everyone.

Heater Core: Service and Repair

1. Disconnect battery ground cable.
2. Drain cooling system into appropriate container.
3. Disconnect heater hoses from heater core.
4. On models with A/C, disconnect evaporator drain hose and discharge refrigerant from system. Disconnect suction and liquid lines from evaporator.
5. Remove console assembly.
6. Remove glove compartment, main lower crash pad and lower crash pad center fascia panel assembly.
7. Remove heater control assembly.
8. Remove lower crash pad center skin.
9. Remove crash pad center support.
10. On models with A/C, remove evaporator assembly. Refer to procedure outlined under Evaporator Core.
11. Remove rear heating joint duct.
12. Remove heater unit assembly from vehicle.

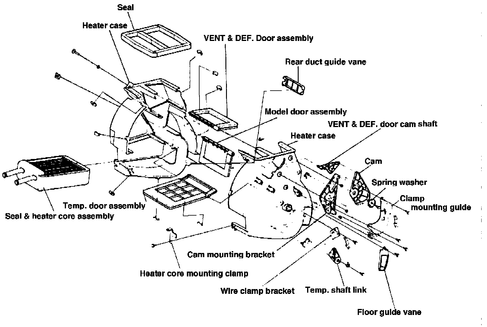
Fig. 17 Exploded View Of Heater Unit (Lever Type):





13. Remove heater core from heater case, Fig. 17.
14. Reverse procedure to install.