Curiosii for ever!
: Car repair manuals for everyone.
Home
>>
Mitsubishi
>>
1994
>>
Expo AWD L4-2350cc 2.4L SOHC 16 Valve
>>
Repair and Diagnosis
>>
Powertrain Management
>>
Transmission Control Systems
>>
Diagrams
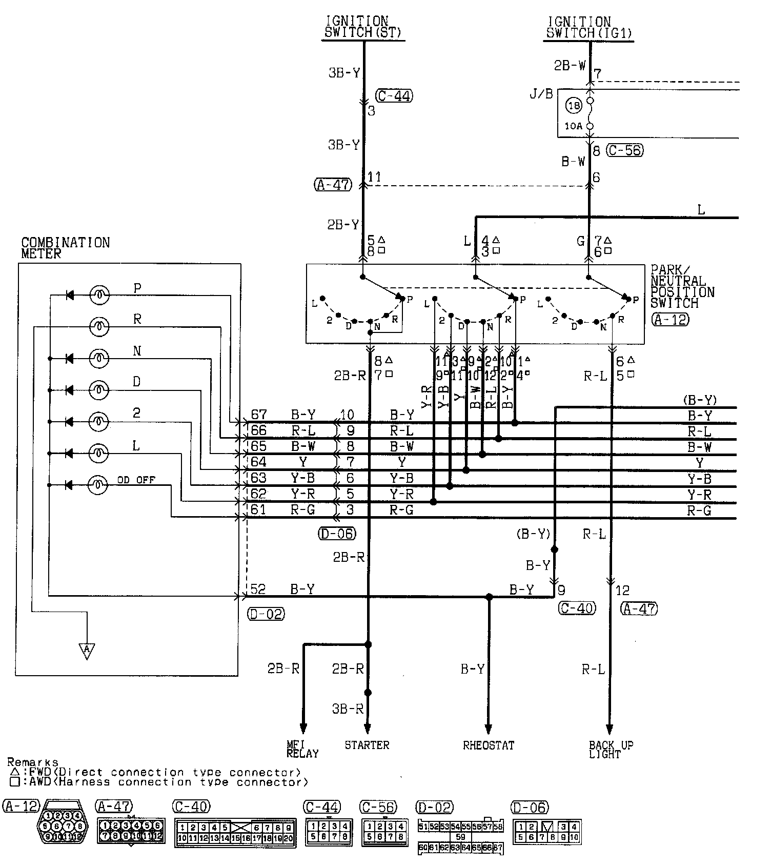
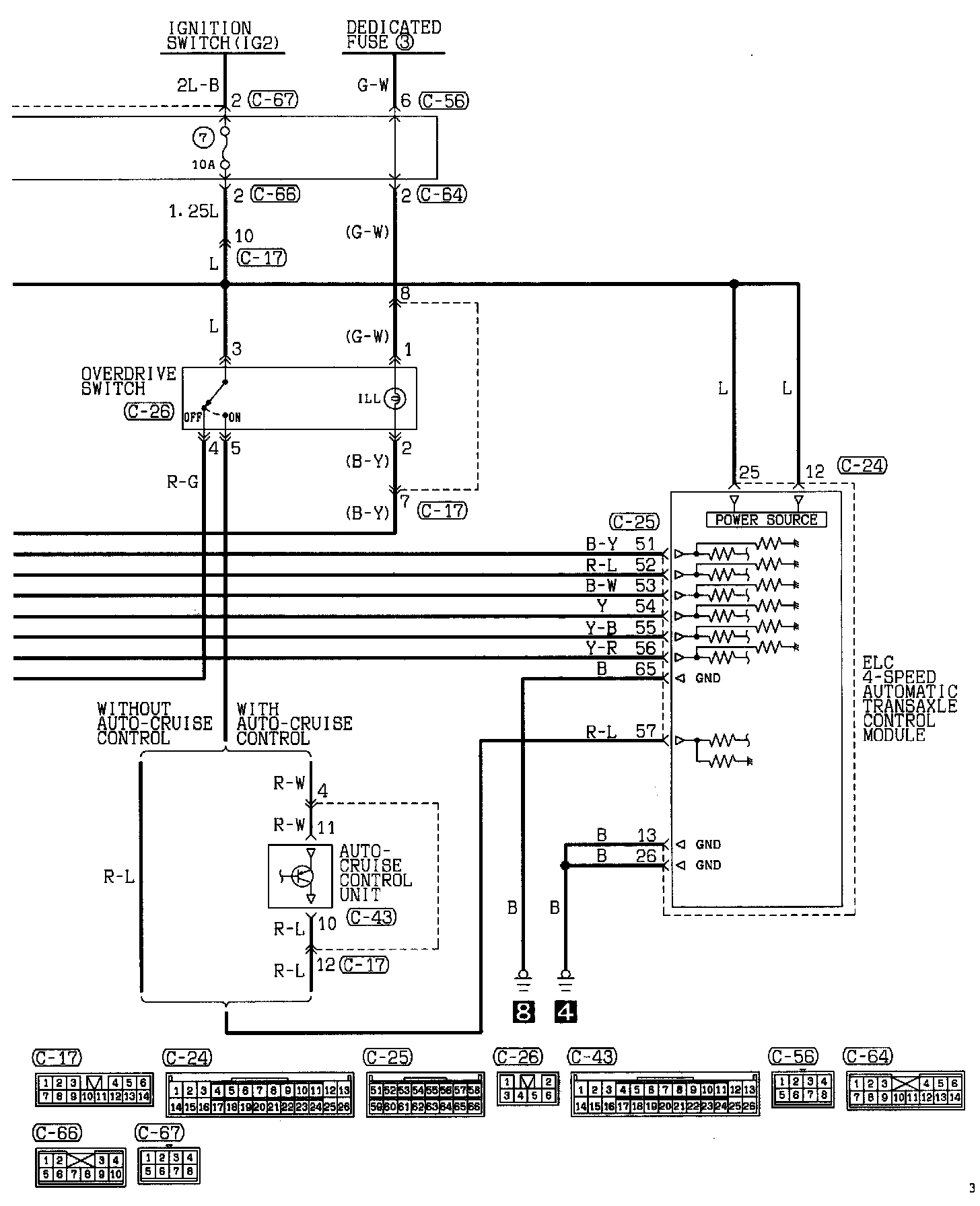
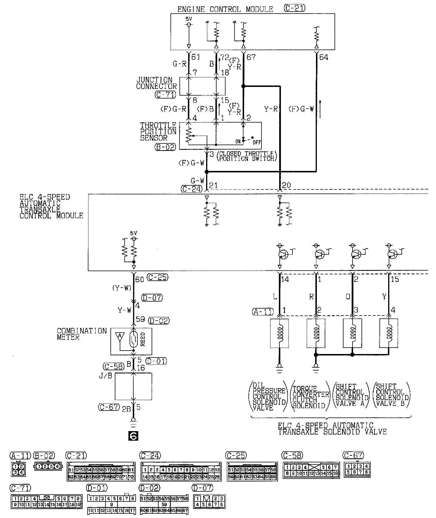
Transmission Control Systems: Diagrams
Part 1 Of 5:
Part 2 Of 5:
Part 3 Of 5:
Part 4 Of 5:
Part 5 Of 5: