Curiosii for ever!: Car repair manuals for everyone.

Throttle Position Sensor: Testing and Inspection








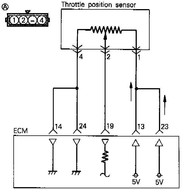
CIRCUIT DIAGRAM





USING SCAN TOOL











HARNESS INSPECTION PROCEDURES

SENSOR INSPECTION
1. Disconnect the throttle position sensor connector.
2. Measure resistance between terminal (4) (sensor ground) and terminal (1) (sensor power).

Standard value: 3.5 - 6.5 K Ohms

3. Connect a pointer type ohmmeter between terminal (4) (sensor ground) and terminal (2) (sensor output).
4. Operate the throttle valve slowly from the idle position to the full open position and check that the resistance changes smoothly in proportion with the throttle valve opening angle.
5. If the resistance is out of specification, or fails to change smoothly, replace the throttle position sensor.

Torque: 1.5 - 2.5 Nm (1.1 - 1.8 ft.lbs.)

TROUBLESHOOTING HINTS
When short-circuit or wire breakage occurs in the throttle position sensor circuit hesitation may occur as well as deceleration shock and/or shift shock in an automatic transmission vehicle.