Coolant Temperature Sensor/Switch (For Computer): Testing and Inspection
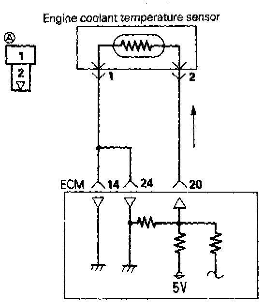
CIRCUIT DIAGRAMUSING SCAN TOOL
HARNESS INSPECTION PROCEDURES
SENSOR INSPECTION
1. Remove Engine Coolant Temperature Sensor from the intake manifold.
2. With temperature sensing portion of Engine Coolant Temperature Sensor immersed in hot water, check resistance.
Temperature Resistance
0°C ( 32°F) 5.9 k Ohms
20°C ( 68°F) 2.5 k Ohms
40°C (104°F) 1.1 k Ohms
80°C (176°F) 0.3 k Ohms
3. If the resistance deviates from the standard value greatly, replace the sensor.
TROUBLESHOOTING HINTS
Coolant temperature sensor problems can cause the engine to be hard to start, driveability may become poor, and idling may be unstable during cold operation.