Curiosii for ever!
: Car repair manuals for everyone.
Home
>>
Mitsubishi
>>
1994
>>
Eclipse L4-1755cc 1.8L SOHC
>>
Repair and Diagnosis
>>
Powertrain Management
>>
Computers and Control Systems
>>
Air Temperature Sensor ( Ambient / Intake )
>>
Testing and Inspection
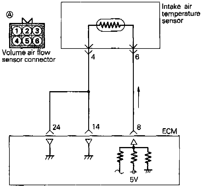
Air Temperature Sensor ( Ambient / Intake ): Testing and Inspection
CIRCUIT DIAGRAM
USING SCAN TOOL
HARNESS INSPECTION PROCEDURES
TROUBLESHOOTING HINTS
1.
Problems with the intake air temperature sensor may cause poor cold weather driveability.