Curiosii for ever!
: Car repair manuals for everyone.
Home
>>
Mitsubishi
>>
1994
>>
Eclipse AWD L4-1997cc 2.0L DOHC Turbo
>>
Repair and Diagnosis
>>
Diagrams
>>
Electrical Diagrams
>>
Cruise Control Module
>>
Automatic Transmission
Automatic Transmission
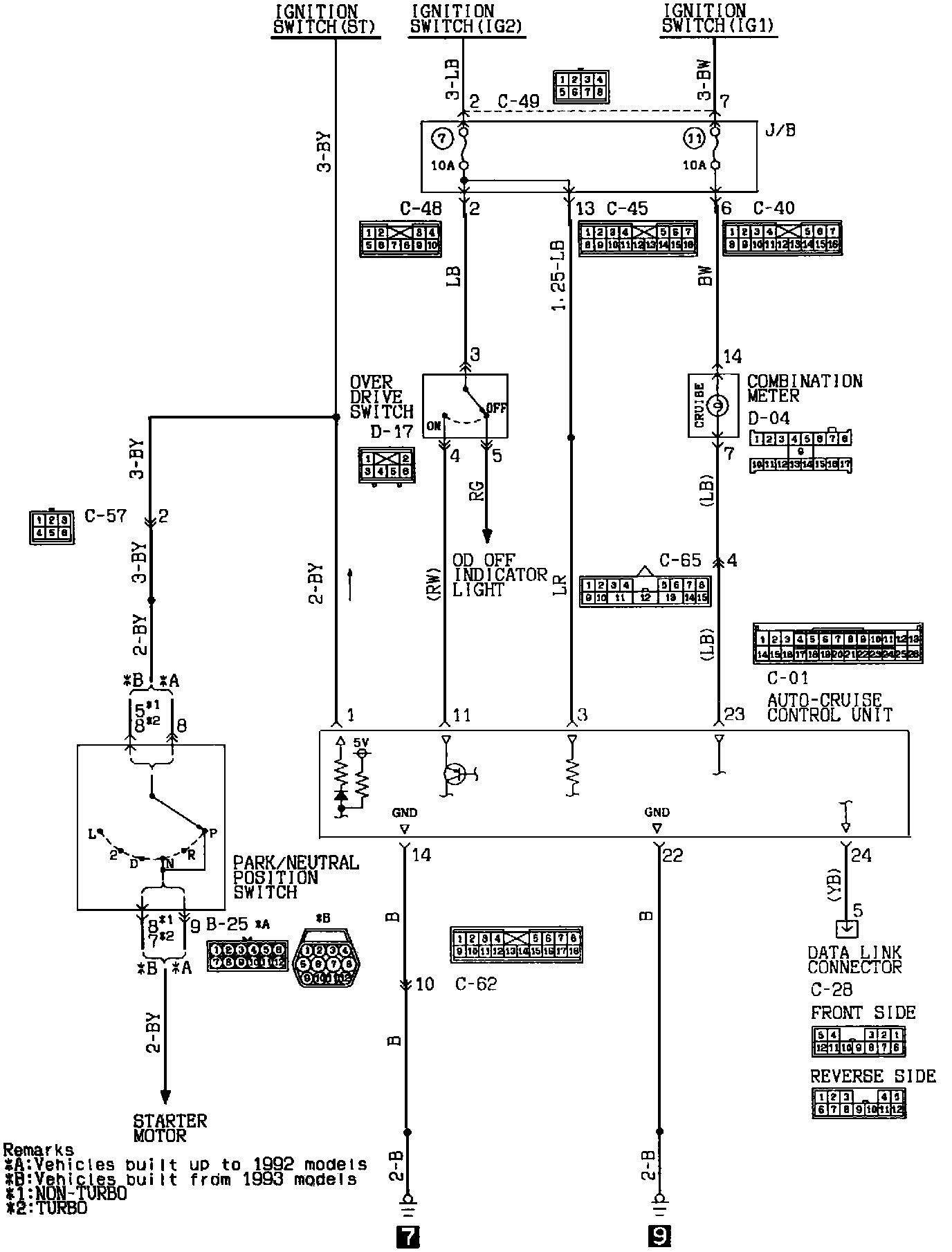
Auto-Cruise Control Circuit (Part 1 Of 4):
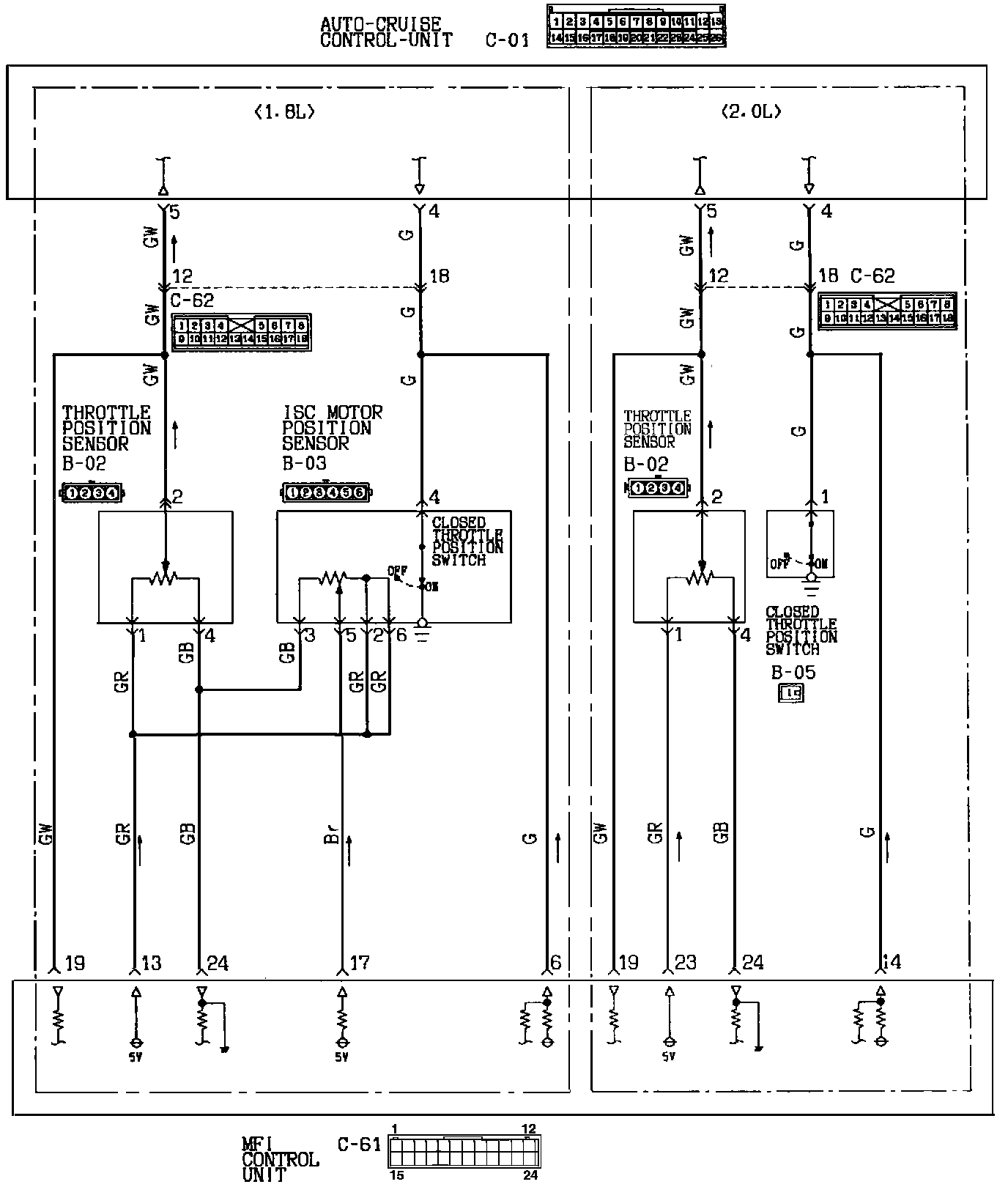
Auto-Cruise Control Circuit (Part 2 Of 4):
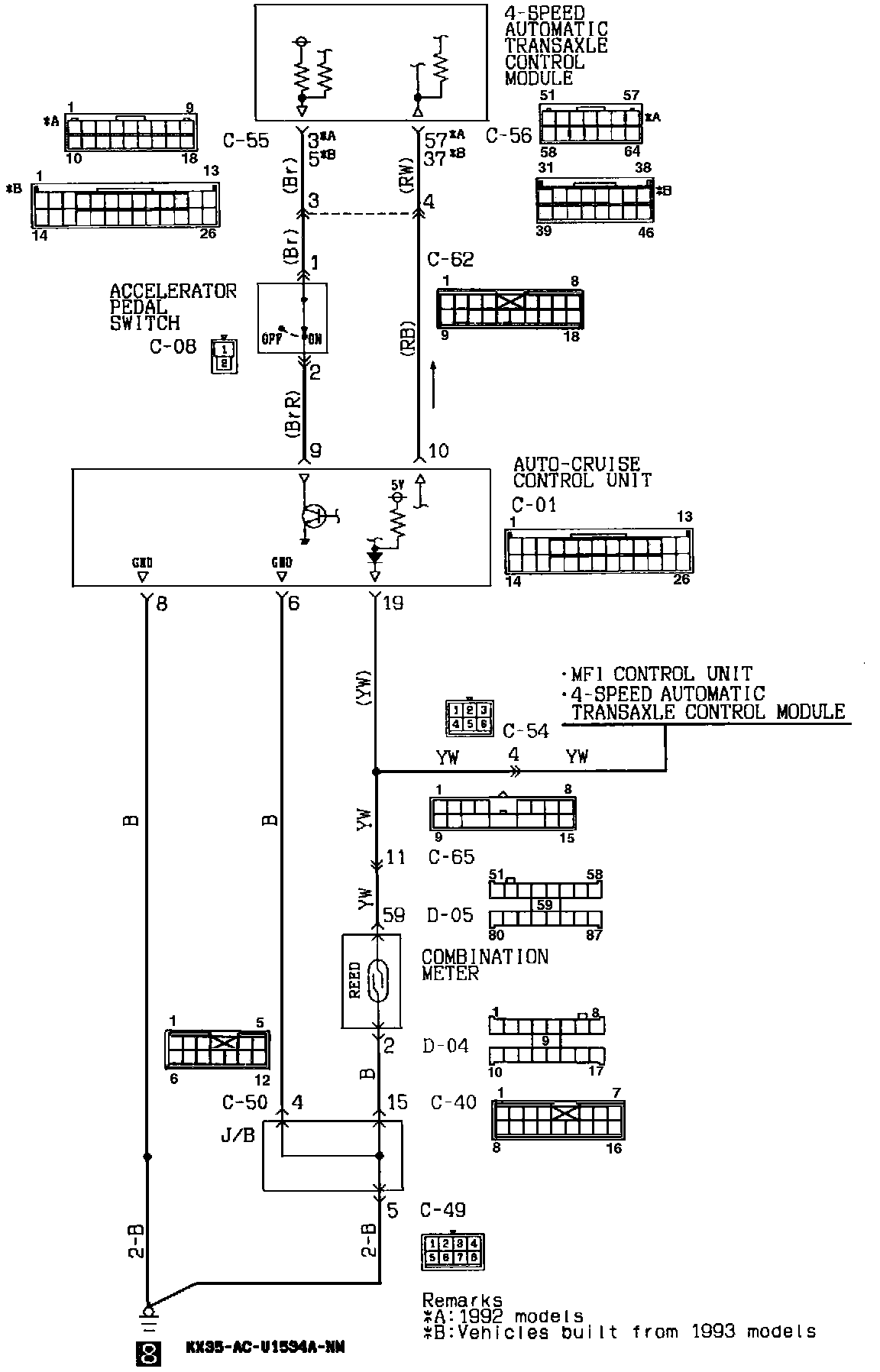
Auto-Cruise Control Circuit (Part 3 Of 4):
Auto-Cruise Control Circuit (Part 4 Of 4):