Curiosii for ever!: Car repair manuals for everyone.

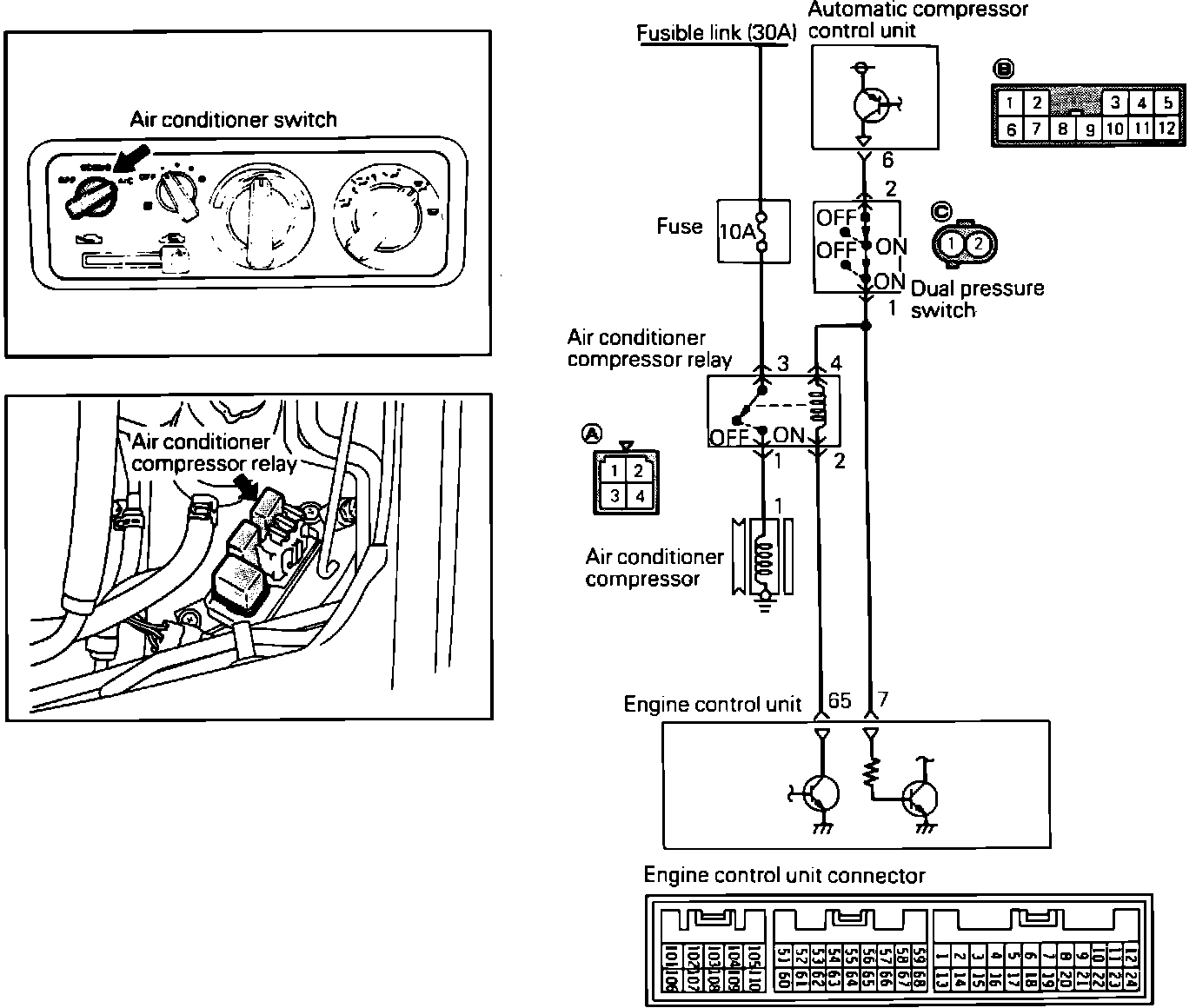
Air Conditioning Relay

Air Conditioning Circuit:





LOCATION
The A/C relay is located on the left fender apron.

OPERATION
When the driver turns on the A/C system, and the engine temperature is below 238° F, a positive voltage signal is supplied to the ECU (as an indication that the A/C system is needed) and to one side of the A/C relay coil. The ECU determines if engine conditions are suitable for A/C operation (idle speed, ignition timing and air/fuel mixture). If conditions are suitable for A/C operation, the ECU supplies the ground circuit for the A/C relay coil, energizing it. This allows the relay to supply voltage to the compressor clutch.