Main Relay (Computer/Fuel System): Description and Operation
Control Relay Location:
PURPOSE
The control relay supplies positive current to purge solenoid, air flow sensor, ECU, and injectors.
LOCATION
The control relay is located in the RH upper kick panel, under the dash.
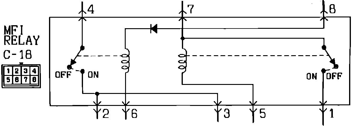
Control Relay Schematic:
OPERATION
The operation of the fuel pump is controlled by the ECU through the Control Relay. Current from the battery (supplied with ignition switch in "ON" position) is directed to the Fuel Pump, ECU, Air Flow Sensor (AFS), Injectors, EGR solenoid and Purge Control solenoid.
During cranking and running conditions, the ECU provides ground to the relay coil terminal 5. The switch closes and the fuel pump is supplied power.
In the event of engine stall or other abnormal conditions, the ECU interrupts the ground, opening the relay switch and interrupting the fuel pump power circuit.
NOTE: Failure of the control relay may interrupt power supply to the fuel pump, injectors and/or the ECU, resulting in start failure.