Curiosii for ever!: Car repair manuals for everyone.

A/C Signal: Testing and Inspection

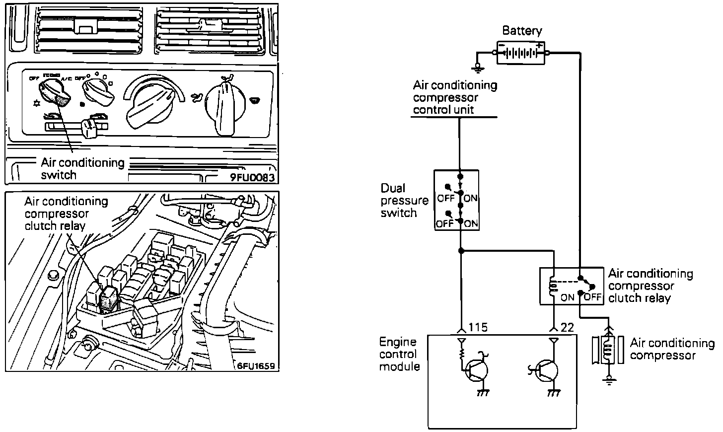
Air Conditioning Switch And A/C Clutch Relay Circuit:





COMPONENT TEST
1. Connect a Scan Tool to the diagnostic connector and read the Air Conditioner Switch input state.
2. When the A/C switch is depressed, the Scan Tool should show ON, when the A/C switch is released, the Scan Tool should show OFF.


HARNESS TEST
1. Disconnect the engine control module connector.
2. Turn the ignition and A/C switches to the ON position.
3. Using a voltmeter, measure the voltage between terminals 22 and ground, and 115 and ground.

Normal Value
6 volts or more


If any of the previous tests produce unsatisfactory results, the harness will need to be repaired or replaced. Once repairs have been completed, clear the trouble codes and road test the vehicle to confirm that the repair has corrected the problem and the code doesn't return.


If the same trouble code reoccurs, it is possible that there is an intermittent failure of the component or the ECM. Check for looseness at all harness junctions and test for an intermittent failure.