Curiosii for ever!: Car repair manuals for everyone.

ECM Power and Ground Supply Circuits

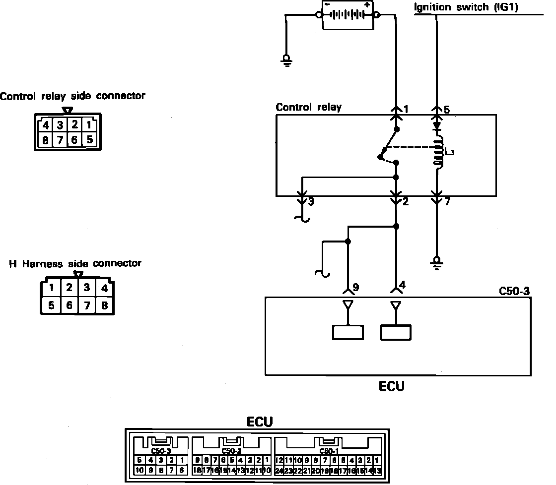
Control Relay Location:




Control Relay Operation:





CONTROL RELAY

CAUTION: When applying battery voltage directly, make sure that it is applied to the correct terminal. Otherwise, the relay could be damaged.
NOTE: Failure of the control relay could interrupt power supply to the fuel pump, injectors and ECU, resulting in start failure.
Confirm circuit tester polarity before checking continuity.

1. In the following order check continuity between the specified terminals, as instructed.

To test coils L1 and L2:
Check terminals 1 and 4: should be non-conductive (infinite ohm).
Check terminals 3 and 8: should be conductive (Approx. 95 ohm).
Check terminals 2 and 8: should be conductive (Approx. 95 ohm).
Check terminals 6 and 7: should be conductive (Approx. 35 ohm).





Apply positive power to terminal 6 with negative power applied to terminal 7.
Check terminals 1 and 4: should be conductive (0 ohm).
Remove power.

To test coil L3:
Check terminals 1 and 2, should be non-conductive (infinite ohm).
Check terminals 7(+) and 5(-), should be non-conductive (infinite ohm).
Check terminals 5(-) and 7(+), should be conductive (0 ohm).





Apply positive power to terminal 5 with negative power applied to terminal 7.
Check terminals 1 and 2, should be conductive (0 ohm)
Remove power.

Test between each terminal and the case: All terminals should be non-conductive (infinite ohm).


2. If the results are not satisfactory, replace the control relay.


Control Relay Power Circuit:





POWER AND GROUND CIRCUIT

1. Disconnect the control relay.
2. Using a volt meter, check for voltage at the relay connector harness terminal between the white/blue wire and ground.

Voltage
System voltage.

3. Turn the key to the ON position.
4. Using a volt meter, check for voltage at the relay connector harness terminal between the black/white wire and ground.

Voltage
System voltage.

5. Turn the key to the START position.
6. Using an volt meter, check for voltage at the relay connector harness terminal between the:
A/T black/green wire and ground.
M/T black/yellow wire and ground.

Voltage
System voltage.

7. Using an ohm meter, check for continuity at the relay connector harness terminal between the black wire and ground.

Continuity
Should exist.

ECU GROUND Circuit:





8. Turn the key off, disconnect the negative battery cable and disconnect the ECU connectors.
9. Using an ohm meter, check for continuity between the ECU harness connector C50-3 terminal 5 (black wire) and ground.

Continuity
Should exist.

10. Using an ohm meter, check for continuity between the ECU harness connector C50-3 terminal 10 (black wire) and ground.

Continuity
Should exist.

M/T ONLY
11. Using an ohm meter, check for continuity between the ECU harness connector C50-3 terminal 2 (black wire) and ground.

Continuity
Should exist.

12. Connect the negative battery cable and install the control relay.
13. Using a volt meter, check for voltage at the ECU harness connector C50-3 terminal 3 (blue/white wire) and ground.

Voltage
System voltage.

14. Using a volt meter, check for voltage at the ECU harness connector C50-3 terminal 9 (red wire) and ground.

Voltage
System voltage.

15. Using a volt meter, check for voltage at the ECU harness connector C50-3 terminal 4 (red wire) and ground.

Voltage
System voltage.


If any of the previous tests produce unsatisfactory results, the harness will need to be repaired or replaced. Once repairs have been completed, road test the vehicle to confirm that the repair has corrected the problem.
If the same problem reoccurs, it is possible that there is an intermittent failure of the component or the ECU. Check for looseness at all harness junctions and test for an intermittent failure.