Curiosii for ever!: Car repair manuals for everyone.

Heater Core: Service and Repair

1. Disconnect battery ground cable.
2. Drain cooling system.
3. Disconnect heater hoses from heater core.
4. On models equipped with A/C, disconnect evaporator drain hose.
5. Discharge refrigerant from system, then disconnect suction and liquid lines from evaporator.
6. On all models, remove console assembly.
7. Remove glove box, main lower crash pad and lower crash pad center fascia panel assembly.
8. Remove heater control assembly.
9. Remove lower crash pad center skin.
10. Remove crash pad center support.
11. On models equipped with A/C, remove evaporator assembly. Refer to procedure outlined under EVAPORATOR CORE.
12. On all models, remove rear heating joint duct.
13. Remove heater unit assembly from vehicle.

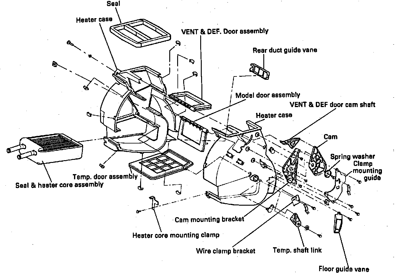
Fig. 17 Heater Unit (Vacuum Type):




Fig. 18 Heater Unit (Lever Type):





14. Remove heater core from heater case, Figs. 17 and 18.
15. Reverse procedure to install.