Curiosii for ever!: Car repair manuals for everyone.

Ignition Control Module: Description and Operation

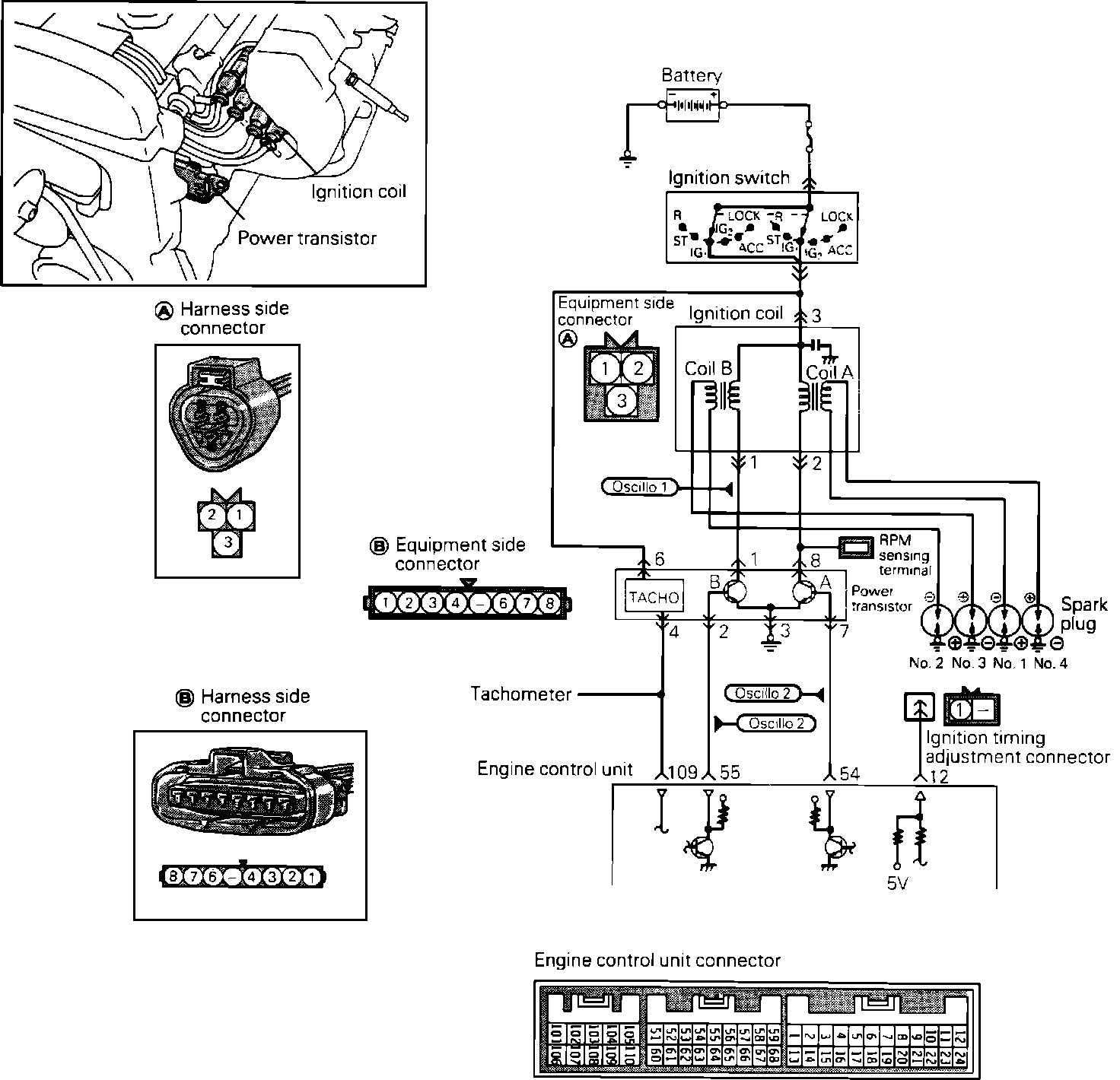
Ignition Coil And Power Transistor Circuit:





PURPOSE
The power transistor controls ignition current by interrupting the ignition coil primary ground causing secondary circuit discharge.

LOCATION
The power transistor is located on the intake manifold.

OPERATION
The ECU controls ignition timing through the power transistor. The power transistor is a type of switch that allows a very low voltage (from the ECU) to control a larger amount of voltage (negative side of coil).

It is actually two power transistors combined into one unit, controlling each circuit of the dual ignition coil. During engine cranking, the ignition timing is fixed at 5°BTDC.