Ignition Control Module: Description and Operation
Ignition Coil And Power Transistor Circuit:
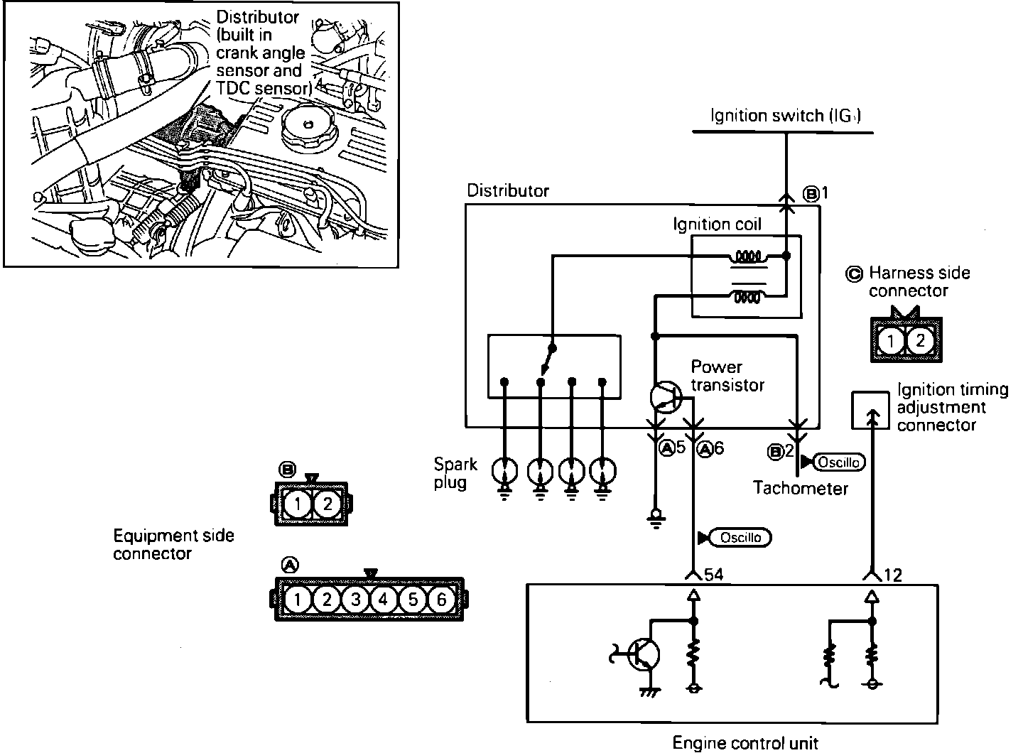
PURPOSE
The power transistor controls ignition discharge by interrupting the ignition coil primary current ground. The power transistor is a solid state component.
Component Overview:
LOCATION
The power transistor is located in the distributor with the ignition coil.
OPERATION
The power transistor is a switching device used to interrupt the ignition coil ground connection and induce high voltage from the coil secondary windings. A signal from the ECU controls transistor switching, enabling the ECU to regulate ignition timing based engine operating condition information received from various sensors.