Curiosii for ever!
: Car repair manuals for everyone.
Home
>>
Mitsubishi
>>
1992
>>
Galant L4-2.0L SOHC
>>
Repair and Diagnosis
>>
Powertrain Management
>>
Computers and Control Systems
>>
Relays and Modules - Computers and Control Systems
>>
Engine Control Module
>>
Diagrams
>>
Electrical Diagrams
>>
MPI Circuits
MPI Circuits
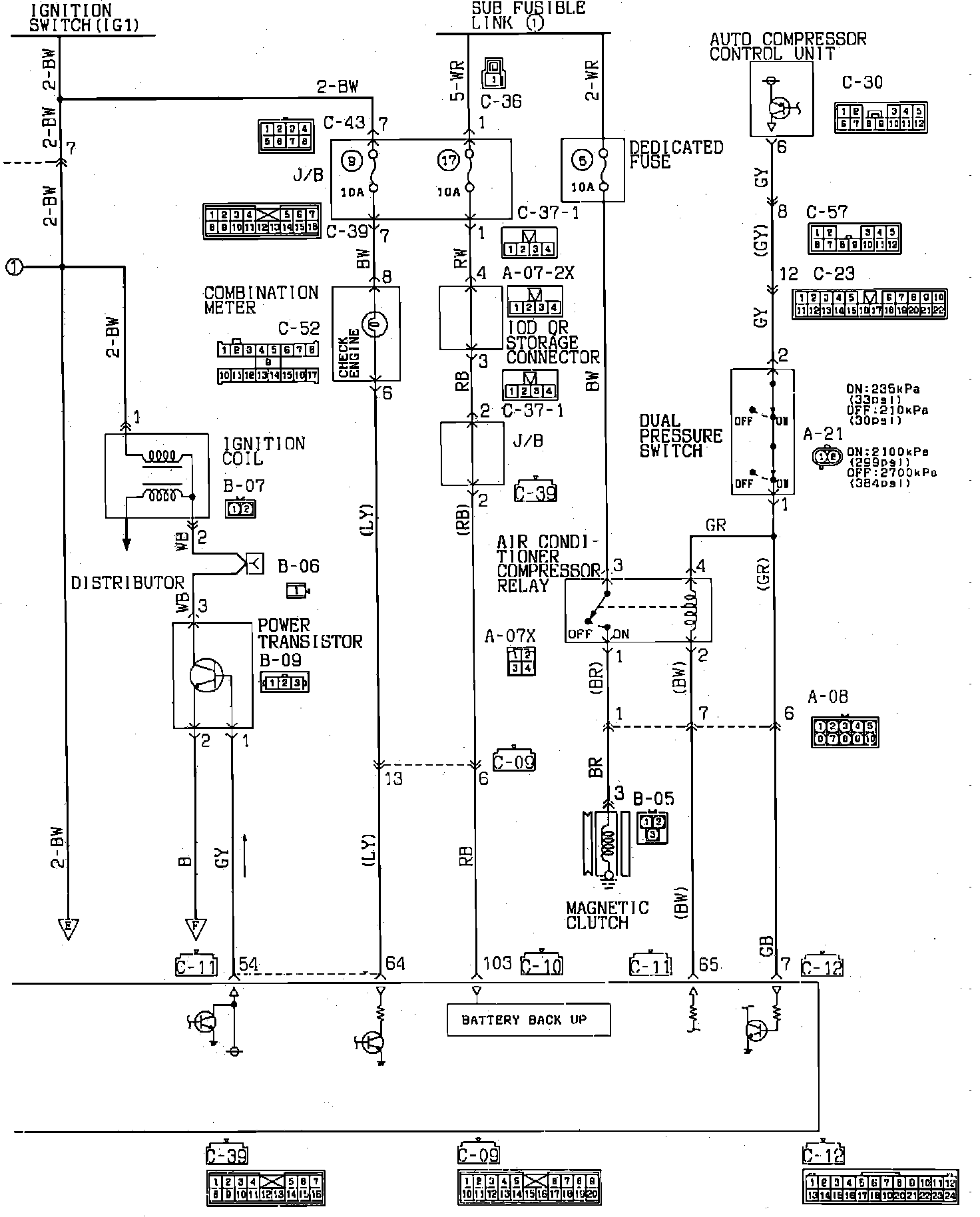
MPI Circuit Diagram 1 Of 4:
1 OF 4
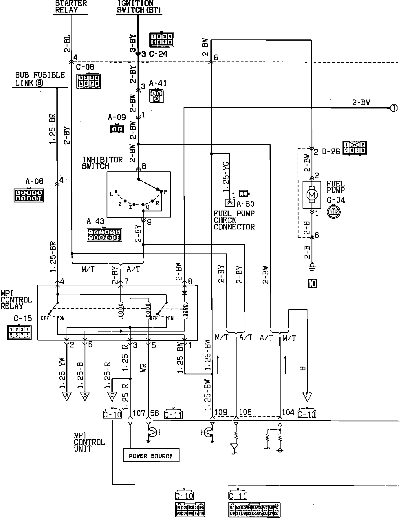
MPI Circuit Diagram 2 Of 4:
2 OF 4
MPI Circuit Diagram 3 Of 4:
3 OF 4
MPI Circuit Diagram 4 Of 4:
4 OF 4