Curiosii for ever!
: Car repair manuals for everyone.
Home
>>
Mitsubishi
>>
1991
>>
Eclipse L4-1997cc 2.0L DOHC
>>
Repair and Diagnosis
>>
Powertrain Management
>>
Emission Control Systems
>>
Diagrams
>>
Federal Models
Federal Models
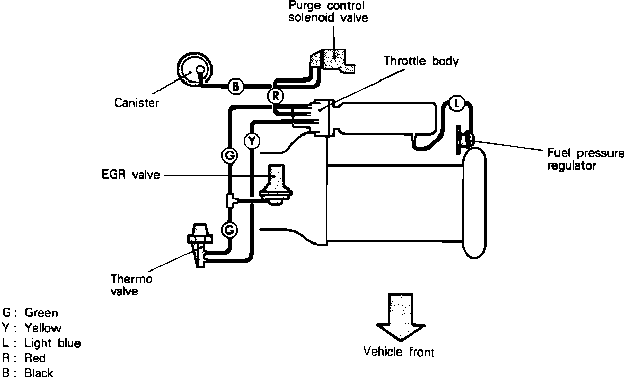
Vacuum Hose Diagram: