Curiosii for ever!
: Car repair manuals for everyone.
Home
>>
Mitsubishi
>>
1990
>>
Precis L4-1468cc 1.5L SOHC
>>
Repair and Diagnosis
>>
Powertrain Management
>>
Computers and Control Systems
>>
Diagrams
>>
Electrical Diagrams
>>
Engine Management
>>
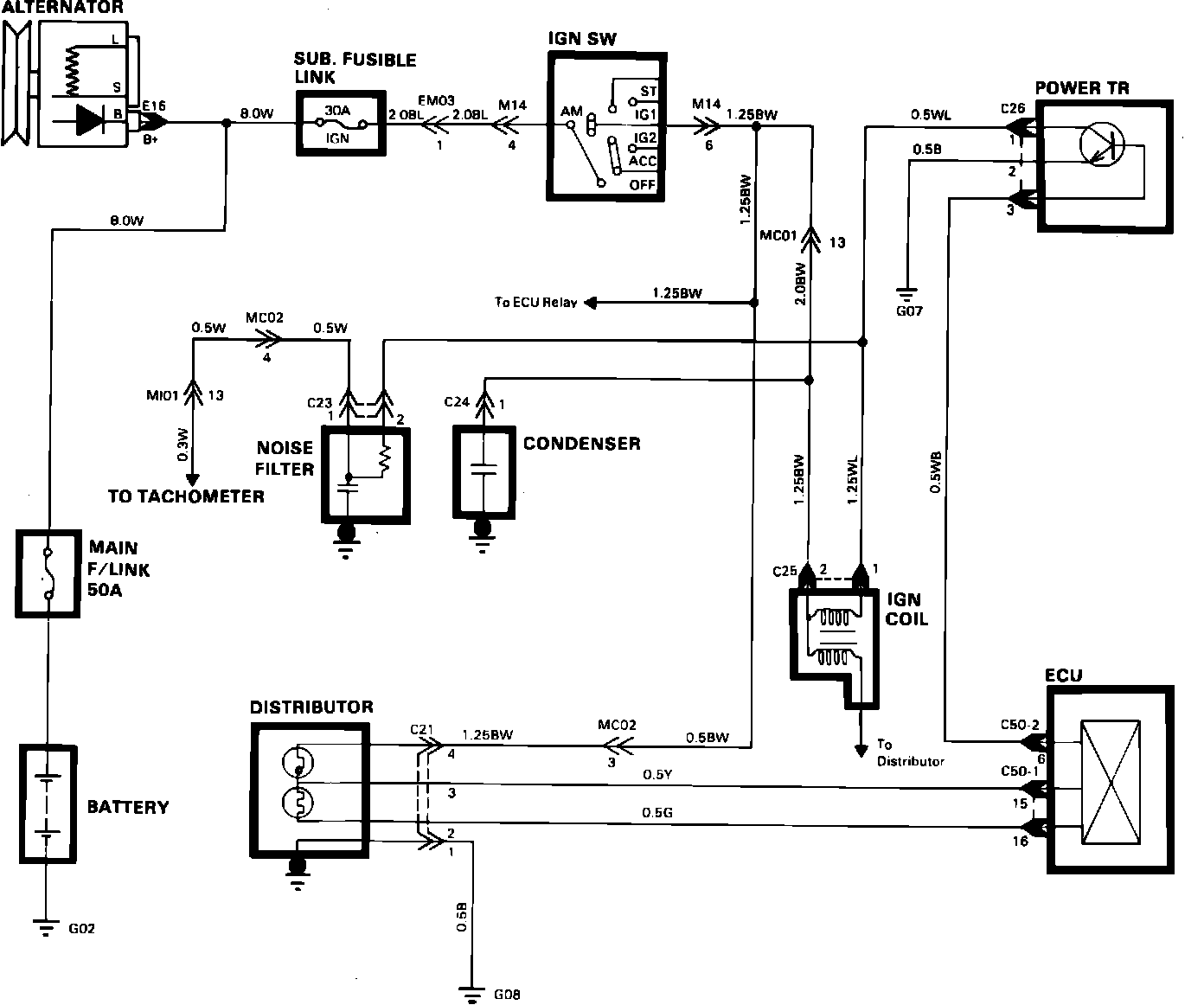
Ignition System
Ignition System
Ignition System: