Curiosii for ever!: Car repair manuals for everyone.

Air Flow Meter/Sensor: Description and Operation

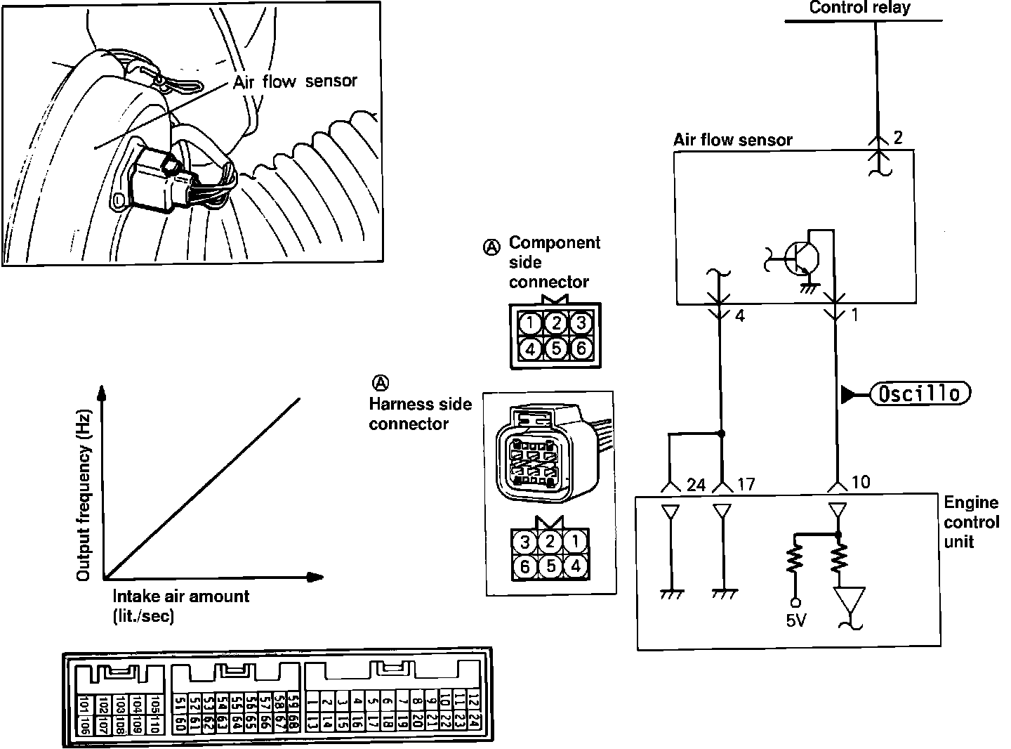
Air Flow Circuit:




Volume Air Flow Sensor Operation:





The Air Flow Sensor (AFS) is a Karman Vortex type and measures the intake air volume.

It operates by means of a vortex generating column and an ultrasonic sound emitter and receiver, located in the air flow chamber. The transmitter sends sound waves across the airflow sensor chamber. The time it takes the sound to reach the receiver without any air flow is the reference time (speed). As air enters the intake stream, it strikes a vortex generating column and creates vortices that swirl clockwise and counterclockwise. As the increasing air flow passes between the transmitter and the receiver, the sound waves are interrupted by the vortices. This causes the sound waves to speed up, and then slow down alternately. This change is detected by the receiver and converted into a square wave signal, which is sent to the ECU in the form of the intake air volume signal. The ECU uses this intake air volume signal, in addition to several other signals, to decide the basic fuel injection duration.