Curiosii for ever!: Car repair manuals for everyone.

4WD

ACCELERATOR CABLE ADJUSTMENT (WITH CRUISE CONTROL)
For accelerator cable adjustment on vehicles with cruise control, refer to ADJUSTMENT PROCEDURES.

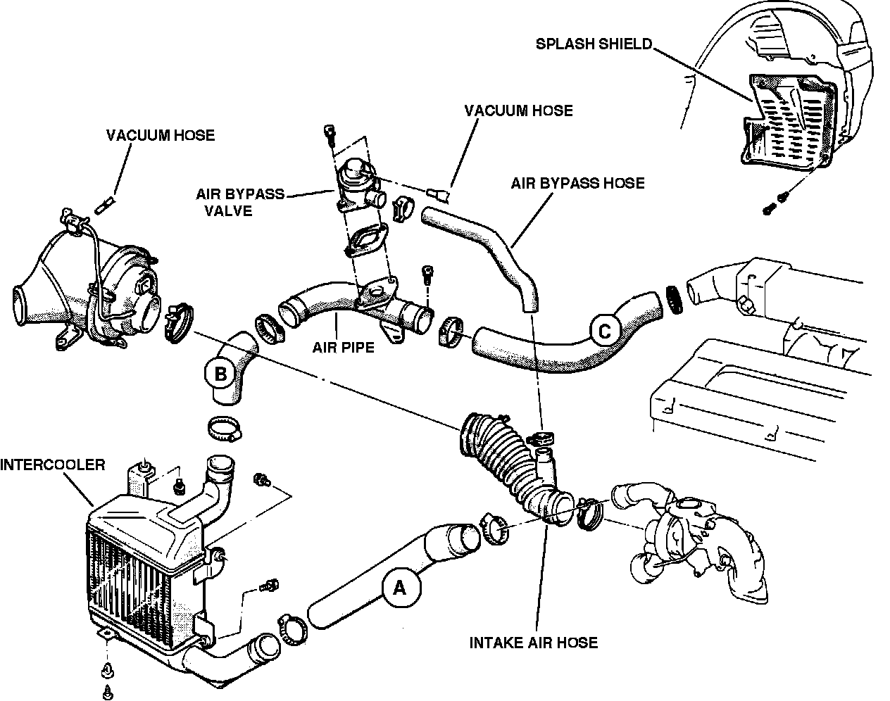
AIR BYPASS VALVE

Intercooler And Components:





The air bypass valve is located mounted to the turbochargers air piping.

ELECTRONIC CONTROL UNIT

Detailed Component Locations - Electronic Control Unit:





The electronic (MPI) control unit is located center of the vehicle, under the dash and behind the center console.

EGR VACUUM SOURCE

EGR Vacuum Port Location:





The EGR vacuum source is located on the throttle body.

FUEL FILTER (IN-LINE)
The In-line fuel filter is located on the firewall.

FUEL PRESSURE CONTROL SOLENOID

Fuel Pressure Control Solenoid Valve Location:





The fuel pressure control solenoid is located in the left rear corner of the engine compartment, on the firewall.

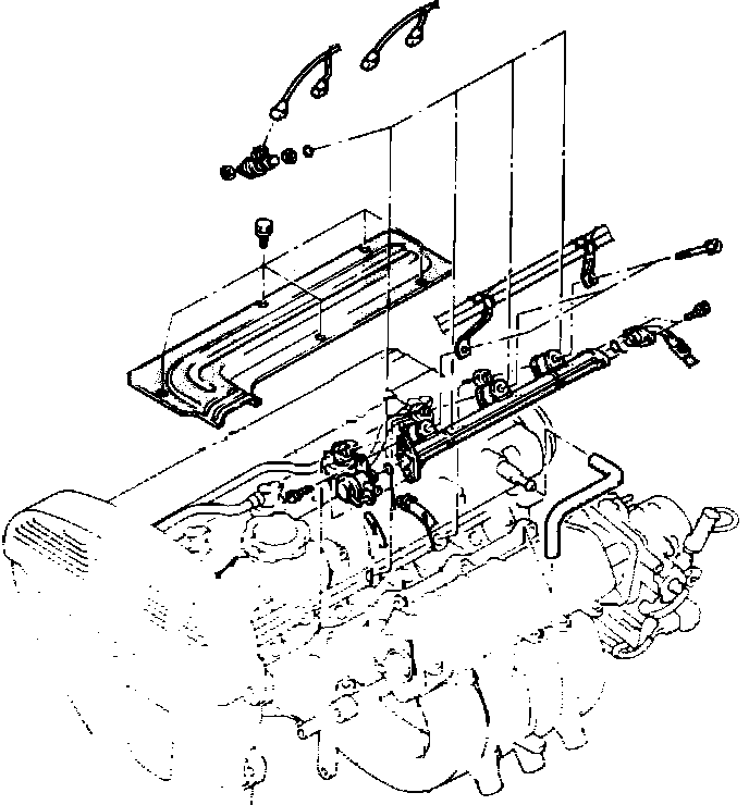
FUEL PRESSURE REGULATOR

Fuel Pressure Regulator And Vacuum Control Hose:





The Fuel pressure regulator is mounted on the fuel rail.

FUEL PUMP

Fuel Tank And Components:





The fuel pump is located inside the fuel tank mounted on the back wall of the fuel tank.

FUEL PUMP DRIVE TERMINAL

Fuel Pump Check Connector Location:





The fuel pump drive terminal (shown hooked-up) is located in the forward right corner of the engine compartment next to the battery.

FUEL RAIL

Fuel Rail, Injectors And Fuel Pressure Regulator Components:





The fuel rail is mounted to the intake manifold.

INJECTORS

Injector Locations:





The injectors are mounted between the fuel rail and the intake manifold.

OVERFILL LIMITER (TWO-WAY VALVE)

Overfill Limiter Removal:





The overfill limiter is mounted in-line, in the vapor line, on the LH side of the fuel tank.

PURGE HOSE VACUUM SOURCE

Purge Vacuum Port Inspection:





The Purge hose vacuum source is located on the throttle body.

ROLLOVER (FUEL CHECK) VALVE

Fuel, Vapor And Return Line Components (2WD Turbocharged):





The rollover valve is mounted to the RH side of the firewall.

THROTTLE POSITION SENSOR

Throttle Position (TPS) Sensor Location:





The throttle position sensor is mounted on the throttle body.

WASTEGATE ACTUATOR
The wastegate actuator is located mounted on the turbocharger.

WASTEGATE SOLENOID VALVE

Waste Gate Solenoid Valve Location:





The wastegate solenoid valve is located attached to the air cleaner housing.