Curiosii for ever!: Car repair manuals for everyone.

Engine Control Module: Locations

ACCELERATOR CABLE ADJUSTMENT

Accelerator Cable, Throttle End:





The accelerator cable adjustment is the locking nuts on the cable housing.

BOWL VENT VALVE
The bowl vent valve is located in the carburetor.

DASH POT
The dash pot is mounted on the carburetor.

DASH POT ADJUSTMENT

Dash Pot Adjustment Screw Locations:





The dash pot adjustment screws are located on the carburetor.

DRAIN PLUG

Drain Plug Location:





The fuel tank drain plug is located at the lowest point on the fuel tank.

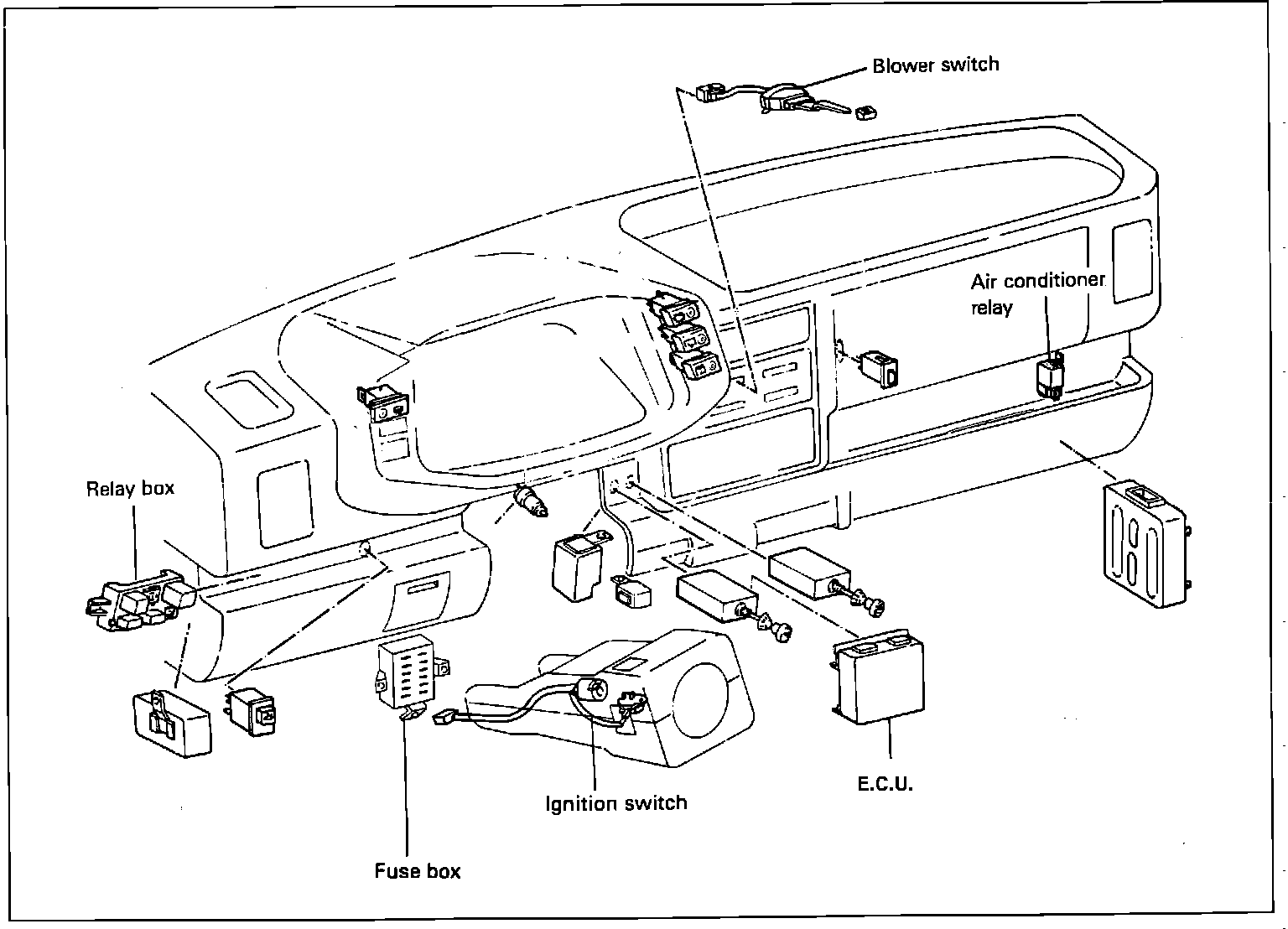
ELECTRONIC CONTROL UNIT

Switch, Relay And CEC Dash Component Locations:





The electronic control unit (ECU) is located center of the vehicle, under the dash and behind the center console.

FEEDBACK SOLENOID VALVE (FBSV)

Solenoid Valve Locations:





The feedback solenoid valve is located in the carburetor.

FUEL FILTER (IN-LINE)
The in-line fuel filter is located in RH side of the engine compartment.

FUEL PUMP

Fuel Pump Location:





The fuel pump is located between the intake runners of the intake manifold, on the side of the head.

IDLE SPEED ADJUSTMENT

Fig. 83 Idle Speed Adjustment Screw (SAS):





The idle speed adjusting screw, is located on the carburetor throttle linkage, below the throttle opener/dash pot.

OVERFILL LIMITER (TWO-WAY VALVE)

Fuel Tank Components:





The overfill limiter is located in-line, in the vapor line, next to the fuel pick-up on the left side of the fuel tank.

ROLLOVER (FUEL CHECK) VALVE

Fuel And Vapor Lines Components:





The fuel check valve is mounted on the firewall.

SLOW CUT SOLENOID VALVE (SCSV)

Solenoid Valve Locations:





The slow cut solenoid valve is located in the carburetor.

THROTTLE OPENER
The throttle opener is mounted on the carburetor.

THERMOVALVE
The thermovalve is mounted on the underside of the intake manifold.

THROTTLE OPENER ADJUSTMENT (FOR A/C)

Throttle Opener Adjustment Screw Location (For A/C):





The throttle opener adjustment screw for A/C load, is Located on the carburetor, on the free lever attached to the throttle shaft.

THROTTLE OPENER ADJUSTMENT (FOR ELECTRICAL)

Fig. 5 Location of idle speed And Idle-up adjusting screws.:





The throttle opener adjustment screw for electrical load (idle-up adjustment screw), is located on the carburetor, below the throttle opener/dash pot.

THROTTLE POSITION SENSOR (TPS)

Throttle Position Sensor Location:





The throttle position sensor is located on the carburetor, attached to the end of the throttle shaft.