Curiosii for ever!: Car repair manuals for everyone.

Computers and Control Systems: Description and Operation

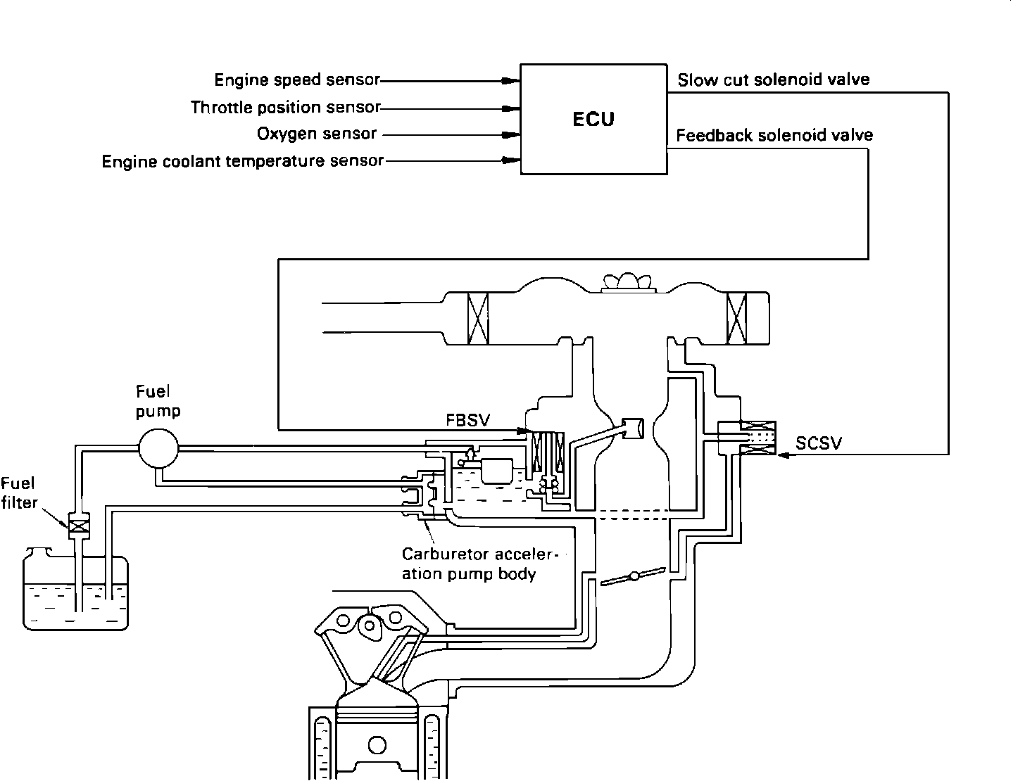
Feedback Carburetor (FBC) System:





The Feedback carburetor (FBC) system provides a positive air-fuel ratio control for maximum reduction of emissions. The Electronic Control Unit (ECU) receives signals from various sensors and then modulates two solenoid valves (FBSV, SCSV) installed on the carburetor to control the air-fuel ratio. The ECU also controls the electric choke and throttle opener by switching on/off the related circuits. For a more detailed description refer to COMPONENT OPERATIONS.