Curiosii for ever!: Car repair manuals for everyone.

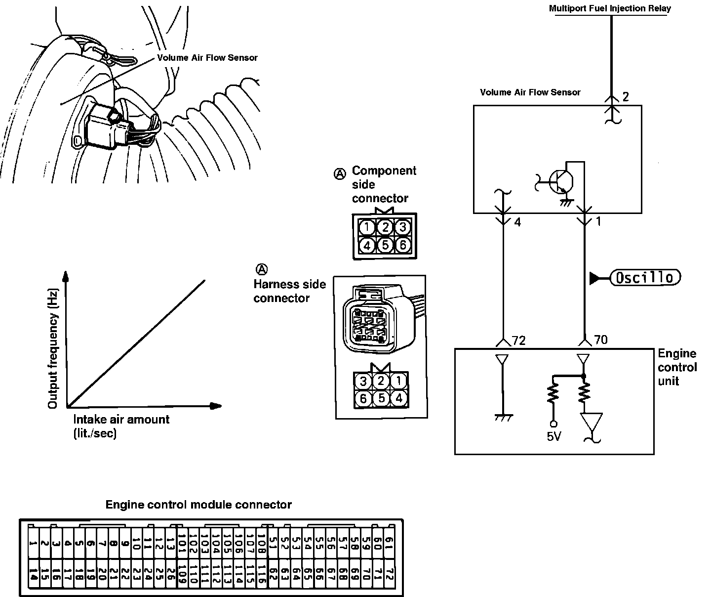
Volume Air Flow Sensor

Air Flow Sensor Circuit:






Operation
The volume air flow sensor is incorporated within the air cleaner; it functions to convert the amount of engine air intake to pulse signals of a frequency proportional to the amount of engine air intake, and to input those/signals to the engine control module. The engine control module then, based upon those signals, calculates the amount to fuel injection, etc

The power for the volume air flow sensor is supplied from the multiport fuel injection reiay to the volume air flow sensor, and is grounded at the engine control module. The volume air flow sensor, by intermitting the flow of the 5V voltage applied from the engine control modLIe, produces pulse signals.


Troubleshooting Hints
1. If the engine sometimes stalls, try starting the engine and shaking the volume air flow sensor harness.
- If the engine then stalls, incorrect or improper contact of the volume air flow sensor connector is the probable cause.

2. If, when the ignition switch is turned ON--engine OFF--the volume airflow sensor output frequency is not zero--
- A malfunction of the volume airflow sensor or engine control module is the probable cause.

3. If idling is possible even though the volume airflow sensor output frequency is deviated from the standard value--the cause is usually a malfunction other than the volume airflow sensor.

Examples;
- The volume airflow sensor is disturbed--air duct disconnection or clogged air cleaner element.
- Incomplete combustion within a cylinder--malfunction of spark plugs, ignition coil, injectors, compression pressure etc.
- Air is taken into the intake manifold through a leaking gasket etc.
- Incomplete close contact of the EGR valve seat.





Scope Pattern:






OSCILLOSCOPE TESTING PROCEDURES:
1. Run engine at idle speed.
2. Engine coolant temperature should be at: 85-95° C (185-205° F), with no electrical accessory loads on.
3. Connect the input probe of the oscilloscope, to the pickup point shown in the circuit diagram, and check the wave form.
If scope pattern is not as depicted in image, continue with the rest of the test procedures before replacing the assembly.


HARNESS TEST:









If any of the previous tests produce unsatisfactory results, the harness will need to be repaired or replaced. Once repairs have been completed, clear the trouble codes and road test the vehicle to confirm that the repair has corrected the problem and the code doesn't return.
If the same trouble code reoccurs, it is possible that there is an intermittent failure of the component or the ECU. Check for looseness at all harness junctions and test for an intermittent failure.